时间:2022-12-19 11:46
人气:
作者:admin
SDRAM介绍
同步动态随机存储器(SDRAM)特点:
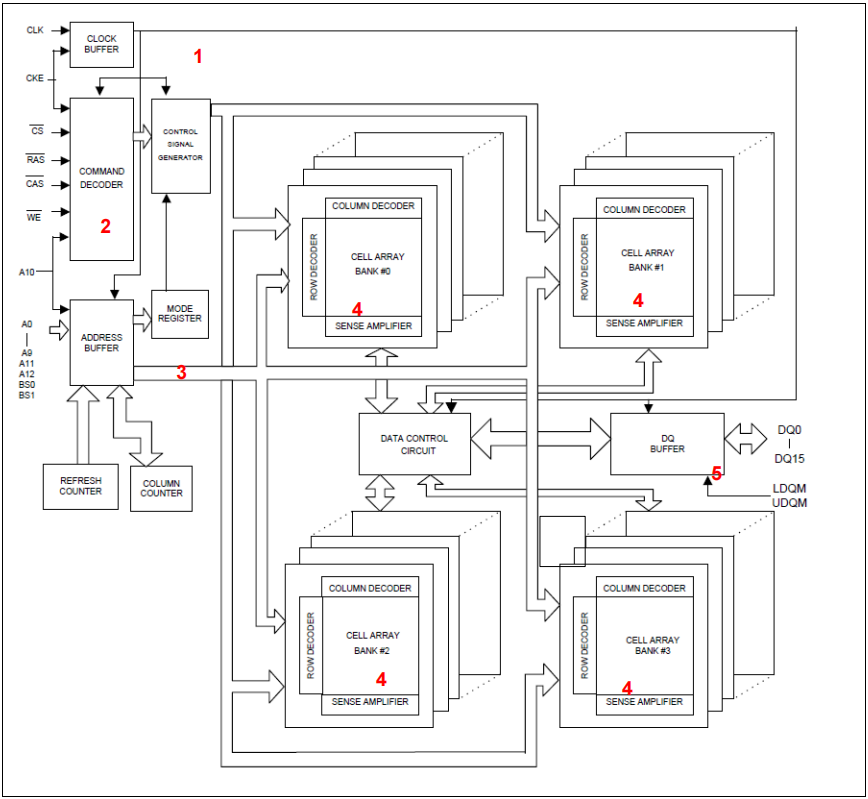
SDRAM存储结构
SDRAM支持多BANK,通过指定BANK号,行地址,列地址找到目标存储单元。
图1 存储结构
SDRAM信号线

SDRAM内部框图
如下以W9825G6KH内部框图举例:图2 W9825G6KH框图
SDRAM常用命令表
SDRAM通过信号线上的不同状态来产生各种命令。表1 SDRAM命令表
注意:L=Low Level H=High Level X=don't CareA10=H表示Precharge all bank,A10=L表示Precharge选择的BANK
图3 mode register
SDRAM Power On Sequence
图4 SDRAM Power On

AT32 SDRAM控制器
SDRAM控制器主要特点如下:
地址映射
图5 SDRAM地址映射
SDRAM Device1起始地址:0xC0000000SDRAM Device2起始地址:0xD0000000
I/O引脚配置
表2 SDRAM IO引脚列表
使用SDRAM IO引脚初始化如下,可根据具体使用引脚进行修改:

SDRAM读写时序

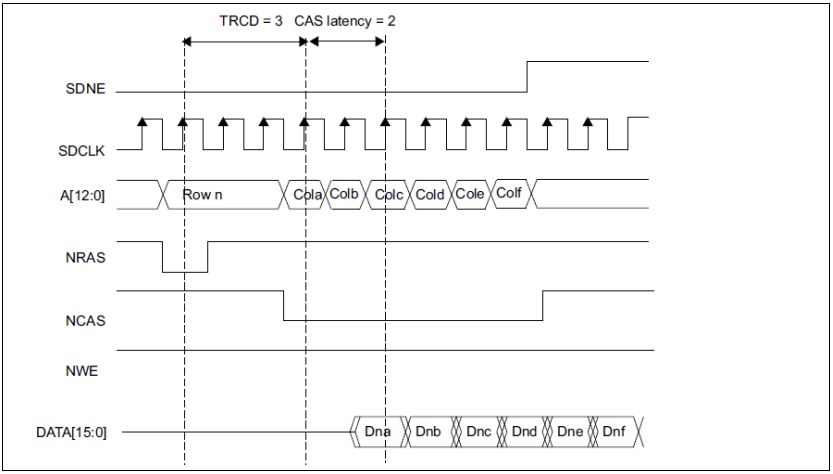
读SDRAM时序

SDRAM配置
通过配置寄存器SDRAM_CTRLx来设置SDRAM设备的容量,访问方式等,详细信息可参考RM。此寄存器包括如下配置:(W9825G6KH作为示例)
行地址和列地址根据SDRAM设备地址位数进行配置,如下示例:
数据总线宽度
根据SDRAM设备支持数据总线宽度进行配置,如下示例支持16bit数据宽度:
内部区块个数
SDRAM设备支持内部bank个数:
列地址选通延迟(CAS)
SDRAM设备支持延迟:
写保护配置(WRP)
配置代码例程:

SDRAM时序参数配置
要正常使用SDRAM设备,需要正确配置此部分的实现参数,此参数可在SDRAM设备的datasheet中找到对应值。
配置寄存器SDRAM_TMx:
例TRCD:最小18ns,SDRAM时钟144MHz,一个SDRAM时钟大约为7ns,因此TRCD至少要配置为延迟3个SDRAM时钟周期。例TWR:SDRAM设备要求2个SDRAM时钟,因此配置为2
SDRAM设备对时序要求:(W9825G6KH作为示例)

配置代码例程:

SDRAM启动序列配置

预充电

设置刷新计数器

计算方法:counter=(SDRAM resfresh period / number of rows)-20;
刷新速率=64ms/8K=7.8125us;counter=7.8125us*144MHz–20=1105;
自动刷新

加载模式寄存器

SDRAM例程
SDRAM Basic此例程配置SDRAM设备之后,对SDRAM设备进行读写操作,并判断读写数据是否正确,包括如下步骤:

SDRAM启动序列

SDRAM读写访问
SDRAM DMA此例程配置SDRAM设备之后,使用对SDRAM设备进行读写操作,并判断读写数据是否正确,包括如下步骤:
关于雅特力雅特力科技于2016年成立,是一家致力于推动全球市场32位微控制器(MCU)创新趋势的芯片设计公司,专注于ARM Cortex-M4/M0+的32位微控制器研发与创新,全系列采用55nm先进工艺及ARM Cortex-M4高效能或M0+低功耗内核,缔造M4业界最高主频288MHz运算效能,并支持工业级别芯片工作温度范围(-40°~105°)。雅特力目前已累积相当多元的终端产品成功案例:如微型打印机、扫地机、光流无人机、热成像仪、激光雷达、工业缝纫机、伺服驱控、电竞周边市场、断路器、ADAS、T-BOX、数字电源、电动工具等终端设备应用,广泛地覆盖5G、物联网、消费、商务及工控等领域。