时间:2023-01-05 13:36
人气:
作者:admin
武汉芯源半导体持续深耕物联网领域,继推出蓝牙系列芯片CW32R030后,再次推出Sub-1G系列产品CW32W031。该产品是基于CW32L031与PAN3028的SIP芯片,采用7.5mm×7.5mm×0.75mm超小尺寸QFN64封装,集成无线收发器。高集成度的设计大大减少了其他外部元器件,从而降低了整体BOM成本。CW32W031系列产品不仅可以简化开发流程,加快产品上市,同时还能提供更高的安全性和灵活性。
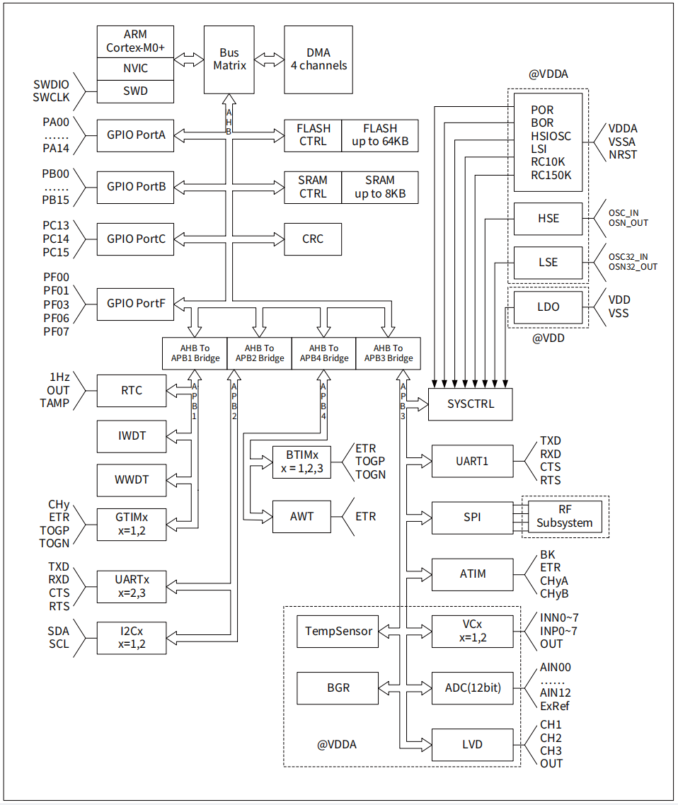
图:CW32W031内部框图

CW32W031采用ChirpIoTTM调制解调技术,支持半双工无线通信,工作频段为370~590 MHz和740~1180MHz,具有高抗干扰性、高灵敏度、低功耗和超远距离通信等特性。最高具有-140dBm的灵敏度,22dBm的输出功率,使其成为远距离传输和对可靠性要求极高应用的最佳选择。
ChirpIoT ™简介
ChirpIoT ™是一种基于线性扩频信号(Chirp 信号)的无线通信调制解调技术,通过对线性扩频信号进行信号时域和频域上的变化改进,使其与常规调制技术相比,具有如下主要优势:
• 在相同功率、相同通信速率条件下,比 FSK、OOK、MSK 等传统的其他无线方式传播的距离更远,通信距离比传统的无线射频通信距离扩大 3 ~ 5 倍。
• 阻塞和邻道选择方面具有显著的优势,可以进一步提高通信可靠度。
• 较大的灵活性,用户可自行调节扩频调制带宽、扩频因子和纠错率,有效改善采用常规调制技术的芯片在距离、抗干扰能力和功耗之间的折衷问题。
CW32W031同时内置Cortex-M0+内核,最高主频48MHz,FLASH容量为64KB,SRAM为8KB;外设主要包括:1路12位ADC、3路UART、1路IIC、1路SPI以及多路定时器等功能模块。非常适合窄带物联网产品应用领域,比如:无线自动抄表、远距离数据通信、智能家居、工业物联网、智慧农业、供应链物流等。
图:CW32W031家族产品功能列表

武汉芯源官方网站已经发布了CW32W031的数据手册、用户手册、应用笔记等技术文档,以及配套的StartKit开发板资料、底层外设驱动软件库和应用例程等SDK资料,以方便用户开展产品评测,加速新产品的开发进程。
CW32W031R8U6 StartKit开发板