时间:2023-02-08 14:15
人气:
作者:admin
电机(Electric machinery,俗称“马达”)是依据电磁感应定律,实现电能转换或传递的一种电磁装置,其主要作用是产生驱动转矩,为用电器或各类机械提供动力。
电机作为工业世界的动力之源,几乎用于所有电子设备。据不完全统计,全球电力消耗的50%来自电机,尤其是工业用电中,约60%的电力被电机消耗。
电机种类繁多,应用纷繁复杂。电机与人们生活息息相关,广泛应用到吹风机、扫地机、吸尘器、冰箱、空调、洗衣机等大小家电,以及电动自行车、电动滑板、平衡车等骑行车辆。同时覆盖发电、制造和运输等工业领域,包括泵、机床、压缩机等应用场景。而在车用电机领域,从电动车窗、天窗、后备箱,到水泵、油泵、HVAC,EV主电机,电机都发挥着重要作用。
作为动力源,电机的工作环境非常恶劣,常常需要经受热应力、机械应力、电流偏差、环境变化、自然老化等因素侵蚀而造成故障,严重甚至影响安全使用。因此,为了提升电机的性能和使用安全、延长使用寿命,人们需要不断提高对电机控制芯片的性能和品质要求。
长期以来,国内电机控制芯片市场由欧美国际大厂主导,国内企业起步较晚,市占率较低。近年来,随着国产MCU不断崛起,众多国产厂商快速成长,在电机驱动控制芯片细分领域的技术积累已颇具竞争优势。
芯海科技(股票代码:688595)作为一家专注模拟IC的半导体设计公司,凭藉“高性能ADC+高可靠性MCU”双平台驱动,持续深耕智能家居、高端消费电子、工业控制、汽车电子等应用领域,为通用市场及垂直细分应用市场提供独具竞争力的产品和解决方案。
当前,随着芯海在电机驱动控制领域的技术研发积累,持续推出基于32位MCU的电机控制应用方案,在精度、可靠性、集成度等关键技术指标上媲美业界一流厂商,且为客户提供稳定供货及本土化服务。
以下将分享几个典型的芯海科技电机控制的应用方案。
应用一
车载水泵

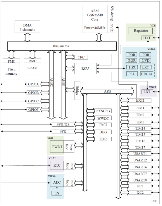
随着新能源汽车的蓬勃发展,采用车载电子水泵成为大势所趋。车载电子水泵通过带有电子控制驱动单元的水泵,为汽车发动机冷却系统提供智能调节散热功能,满足车辆在任何工况下的温度需求和工作性能。一般来说,车载电子水泵的控制应用要在具备控制水泵开关、流量控制、压力控制、运转保护等功能集成上,满足汽车的高集成设计、超长续航的稳定性需求。芯海科技CS32F036Q是一款车规级高可靠性的32位MCU,采用Arm Cortex-M0内核,工作频率48MHz,集成多达32K字节Flash和4K字节SRAM,一个I2C/SPI、两个USART(支持Software LIN)、专为电机控制设计的12位高速ADC和增强型定时器、六个16位通用定时器、一个32位定时器、最多支持17路PWM输出。
CS32F036Q通过AEC-Q100认证,满足车规级产品工作环境恶劣的要求,可实现单电阻无传感器FOC控制,同时提供整套FOC控制算法支持,帮助客户快速实现方案开发、产品量产。

CS32F036Q车载水泵系统框图
CS32F036Q的产品特点:
更宽的工作温度(-40~105℃)
更宽的工作电压2.0~5.5V
12bit 1M SPS采样频率的高速、高精度ADC,有效精度≥10bit
ADC工作范围:2.4~5.5V,-40~105℃
±1%精度的低温漂时钟
CS32F036Q系统框图
应用二
电动自行车
近年来,随着“新国标”的落地,双轮电动车在智能化、强性能、安全性等方面不断演进,带动了新一轮的换车高峰。电动车控制器作为双轮电动车的核心部件,迎来新的增长。
芯海科技32位MCU CS32F031与CS32F103,作为电动车控制器的主控MCU芯片,很好地满足了双轮电动车、电动三轮、共享电单车的高温宽、高耐潮的应用环境,以及PWM、ADC等高可靠性的功能要求。
CS32F031采用Arm Cortex-M0内核,主频高达48MHz,内置1个功能丰富的高级定时器、1个10通道1Msps采样率的高精度ADC、6个16-bit定时器(支持霍尔捕获)。CS32F031采用5V供电,抗干扰能力强,成本更优。
CS32F103采用ARM-Cortex M3内核,主频高达72MHz, 支持单周期乘法和多周期硬件除法运算, 内置1个功能丰富的高级定时器、2个共计16通道1Msps采样率的高精度ADC、3个16-bit定时器(支持霍尔捕获),支持7通道DMA传输,提供LQFP48/64/100等主流封装形态。
CS32F031与CS32F103两款产品均可满足有感FOC控制的所有需求。
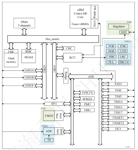
芯海科技CS32F031电动自行车系统框图CS32F031的产品特点:
最高48MHz工作频率
32K/64 Kbytes的flash 存储器, 192B Flash 数据存储, 4K/8Kbytes的SRAM,带硬件奇偶校验
VDD 电压: 2.0 to 5.5V
内部8MHz/14MHz RC高速振荡器,典型情况下1%精度,内嵌PLL
1路16bit高级控制定时器(TIM1),每路有6个带死区控制的PWM输出通道
5个16位通用定时器,支持脉冲宽度测量和PWM波生成
1路12-Bit高精度ADC,采样率高达1Msps,10个输入通道
2个 USART, 支持: ISO7816接口, LIN主从功能, IrDA传输编解码; 2个I2C; 2个SPI

CS32F031系统框图
应用三
变频冰箱
近年来,随着国家能耗标准的不断提高,高能效变频家电成为主流应用。变频冰箱作为大白电的旗舰应用,其市场占比不断提升。随着变频控制技术的持续发展,高性价比的32位MCU芯片作为变频冰箱的核心控制器件,其市场渗透率也随之稳步上升。芯海科技CS32F030系列MCU,可实现单电阻无传感器FOC控制,同时提供整套FOC控制算法支持,帮助客户快速实现方案开发、产品量产。该系列提供LQFP32封装,可大大提供产品良率。

CS32F030变频冰箱系统框图
芯海科技基于CS32F030K6T6设计的变频冰箱应用方案具备如下特性:
单电阻无感矢量控制
驱动算法成熟,电机适配性强,匹配过主流压缩机平台(东贝、加西贝拉、恩布拉科)
启动算法成功率100%
支持过流、过压、缺相、堵转等保护,延长产品使用寿命
应用四
变频高速风筒
变频高速风筒以转矩脉动小、效率高、噪声小、动态响应快而受到市场的广泛认可。
面对新的市场趋势,芯海科技推出高达12万转的高速风筒应用方案。方案采用Arm Cortex-M3内核的MCU主控芯片CS32F103,搭配芯海自研的智能IPM模块CSPM405。在软件方面,采用无传感器FOC矢量控制,搭配公司最新电机控制算法,可实现速度扭矩双闭环控制。
基于芯海科技“CS32F103+CSPM405+最新算法”的高速风筒方案具备如下特征:
三电阻无感FOC控制
最高转速12万转
支持速度转矩双闭环控制
支持过流,过压,短路保护
良好的EMI/EMC性能

芯海科技CS32F103高速风筒系统框图
CS32F103的产品特点:
最高72MHz工作频率
支持单周期乘法和硬件除法
64K/128KBytes的Flash存储器,20KBytes的SRAM
内部8MHz RC高速振荡器,内部40kHzRC低速振荡器,支持4~16MHz晶体振荡器
锁相环(PLL),最高支持72MHz
3个16位定时器,每个定时器有多达4个用于输入捕获/输出比较/PWM或脉冲计数的通道和增量编码器输入
1个16位带死区控制和紧急刹车,用于电机控制的PWM高级控制定时器
2路12-Bit高精度ADC,采样率高达1Msps,16个输入通道
7通道DMA控制器, 支持的外设包括:SPIx,I2Cx,USARTx,TIMx,ADC
3个USART,2个I2C接口,2个SPI接口,1个CAN 2.0B接口,1个USB2.0接口
丰富的GPIO(LQFP48:37个,LQFP64:51个,LQFP100: 80个)

CS32F103系统框图
目前,芯海科技“电机控制及驱动应用”仍在持续丰富和完善。相关产品及应用方案,敬请关注公司官网“应用方案—电机控制及驱动”模块,期待为终端客户带来更有价值的产品和服务(点击文末“阅读原文”可直接跳转)。

上一篇:离线语音模块的应用