时间:2018-03-13 15:40
人气:
作者:admin
2018年3月13日,致力于亚太地区市场的领先半导体元器件分销商---大联大控股宣布,其旗下世平推出基于德州仪器(TI)产品的推出有刷式直流电机参考设计,由DRV8701栅极驱动器、MSP430G2553IPW20超低功耗微控制器、CSD18540Q5B 60V N沟道MOSFET和LMT86DCKT精密CMOS温度传感器等器件组成。
有刷电机由于其低价和简单的控制方案,成为相对受欢迎的电机设计选项。有刷电机具有绕线转子和永磁定子。电机的换向通过导电环实现:此导电环连接到转子,而转子使用刷子在换向器环上刮擦,从而实现换向。因此,流经电机的电流方向可根据刷子方向和不同换向环而改变。利用H桥可对有刷直流电机迅速高效地实现简单的方向变更和速度控制变更。需要使用电子驱动器来控制有刷直流电机中的电机电流。电子驱动电路包含具有两相逆变器的功率级(满足所需功率强度)、用于实施电机速度命令和故障处理的微控制器、用于电机启动/停止保护的电流感应功能、用于控制两相逆变器的栅极驱动器以及用于微控制器和其他低压器件的电源。
此次大联大世平推出的有刷式直流电机驱动电路包括:
1.带有两相逆变器的功率级满足所需的功率容量;
2.微控制器实现电机速度命令和故障处理;
3.电机启动/失速保护的电流检测;
4.用于控制两相逆变器的栅极驱动器。

图示1-大联大世平推出基于TI产品的有刷式直流电机参考设计系统架构图
功能描述
脉宽调制(PWM)和相位控制:
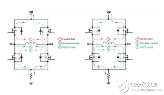
在有刷直流(BDC)电机中,可以使用一个简单的脉宽调制(PWM)信号来控制该电机转子的速度。由于PWM信号的占空比改变了传送的平均电压到电机是不同的,允许不同的转子速度,而不会通过一个电阻电位器。然后使用两相逆变器控制电机的方向这允许使用四个快速改变提供给电机的电流的方向独立控制的MOSFET。如图所示。

图示2-大联大世平代理的TI产品的有刷直流电机工作示意图
用于控制电机的PWM信号是使用MSP430G2553产生的。通过取样速度电位器的滑动电压并将该样本与Timer_A进行比较MSP430的PWM信号具有不同的占空比和恒定的开关频率创建。

图示3-大联大世平代理的TI产品的有刷直流电机工作示意图
电流斩波使用VREF
为了控制通过电机的电流,检测电阻被放置在H桥的底部在两个低端MOSFET的源极和地之间。一个内部运算放大器然后将DRV8701连接在检测电阻和地之间,使驱动器可以测量电压降并通过比例因子AV放大以产生更大的幅度值。该电压被称为VSO,并与VREF引脚上设置的电压进行比较;如果VSO大于或等于VREF时,电桥停止产生栅极信号直到电压已经降到VREF以下,如果VSO小于VREF,那么桥将继续产生门电路信号。
VSO涉及使用等式1的通过电动机的电流:VSO=AV*(IDRIVE*RSENSE)(1)
如果VSO大于或等于VREF,则SNSOUT引脚的输出被拉低指示驱动器故障,DRV8701正在切断门信号。而VSO是小于VREF时,SNSOUT引脚的输出可通过外部上拉电阻拉高至逻辑高电平表示器件工作在典型的驱动电流状态。下面的图显示了电流斩波驱动电流方案。在图中,电机正在初始驱动,电流从电源中汲取增加。一旦在检测电阻(VSO)上测得的电压等于或大于此值,比VREF的SNSOUT引脚被拉低,输出门信号被切断该PWM开关间隔的其余部分。在下一个PWM开关间隔的感应在最后一个驱动循环中,电机仍然保持一部分电流流过电机在驱动花费较少的时间驾驶电动机之前,VSO等于VREF和到桥的门信号被切断。

图示4-大联大世平代理的TI产品的有刷直流电机工作示意图
使用DRV8701为两相逆变器中的MOSFET提供栅极信号可以实现使用IDRIVE设置选择ISINK和ISOURCE电流。控制的目标ISOURCE和ISINK将调整提供给四个MOSFET的栅极的电流量H桥,并在没有有源区和饱和区之间达到所需的转换速率向设备提供过量的电流。如果MOSFET的转换速率太低,该器件将花费太多的时间在下面的图所示的米勒地区。

图示5-大联大世平代理的TI产品的有刷直流电机工作示意图
产品特性
DRV8701ERGER是一款采用四个外部N沟道MOSFET的单一H桥栅极驱动器,面向双相逆变器驱动一个双向有刷直流电机。阶段/启用(DRV8701E)控制方案允许简单地连接到单片机电路。一个内部检测放大器允许使用外部检测电阻进行可调节的电流控制。栅极驱动器包括使用固定关断时间PWM来控制绕组电流的能力电流切断。DRV8701采用9.5 V VGS栅极驱动器驱动高端和低端FET来自一个集成的电荷泵。所有外部FET的栅极驱动电流可以是在IDRIVE引脚上配置一个外部电阻。
MSP430G2553IPW20是一款超低功耗微控制器,由许多不同的器件组成特征。其中一些功能包括五种不同的低功耗模式,一个16位RISC CPU、16位寄存器和常量发生器。使用数字控制振荡器(DCO)MSP430G2553可以在低于1μs的时间内从低功耗模式唤醒。
CSD18540Q5B是一款60V N沟道MOSFET,RDS额定值为1.8mΩ。该器件是功率转换应用的理想选择,因为其设计可将损耗降至最低,而SON的尺寸仅为5mm×6mm。
LMT86DCKT是一款精密的CMOS温度传感器,利用与温度线性成反比的模拟输出电压。该器件的工作电压可低至2.2V,电源电流为5.4μA,是电池供电应用的理想器。
图示6-大联大世平推出基于TI产品的有刷式直流电机参考设计方案照片
应用
1.刷式直流电机驱动器;
2.直流充电(桩)站;
3.电动汽车充电站HMI模块;
4.电动汽车充电站电源模块;
5.物料搬运(叉车、仓库机器人等);
6.工业步进驱动。
关于大联大控股:
大联大控股是全球第一,亚太区市场份额领先的半导体元器件分销商,总部位于台北(TSE:3702),旗下拥有世平、品佳、诠鼎及友尚,员工人数约5,100人,代理产品供应商超过250家,全球约71个 IED & 34个 Non-IED分销据点(亚太区IED 43个 & Non-IED 34个),2017年营业额达175.1亿美金(自结)。(*市场排名依Gartner公布数据)
大联大控股开创产业控股平台,持续优化前端营销与后勤支持团队,扮演产业供应链专业合作伙伴,提供创造需求(Demand Creation)、交钥匙解决方案(Turnkey Solution)、技术支持、仓储物流与IC电子商务等增值服务,满足原始设备制造商(OEM)、原始设计制造商(ODM)、电子制造服务商(EMS)及中小型企业等不同客户需求。国际化经营规模与本地化销售渠道,长期深耕亚太市场,连年获得专业媒体评选为「亚洲最佳IC分销商」。
为提高大联大的本土化服务质量,满足大中国区服务区域客户的差异化需求,大联大(中国)服务六大领域包括中资(China Based Manufacturers)、台商(Taiwan-Based Manufacturers)、外商(Electronic Manufacturing Service)、日商(Japan-Based Manufacturers)、韩商(Korea-Based Manufacturers)及港商(Hong Kong-Based Manufacturers)客户。大联大除提供客户最佳的交钥匙解决方案(Turnkey Solution),并为满足客户小批量器件采购需求,特别成立专责的小批量服务团队(SQS, Small Quantity Service)。大联大已分别于内地及香港成立大联大商贸、大联大商贸(深圳)及大联大电子(香港),以「产业首选.通路标杆」为企业愿景,全面推行「团队、诚信、专业、效能」之核心价值观,以专业服务,实现供应商、客户与股东互利共赢。