全球最实用的IT互联网信息网站!

AI人工智能P2P分享&下载搜索网页发布信息网站地图

当前位置:诺佳网 > 电子/半导体 > 控制/MCU >

电子制作者设计的AVR数字显示频率表

时间:2017-12-19 09:10

人气:

作者:admin

标签: 设计    制作者  电子  AVR 

导读:这是一款体积非常小巧的电子制作,但是功能异常强大,可以非常容易地嵌入安装在仪表面板上,适合爱好者自制或用于改造老式仪表。 电路仅用了两块集成电路,CD4069用于小信号的放...

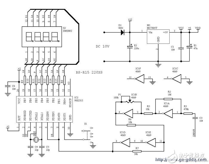
这是一款体积非常小巧的电子制作,但是功能异常强大,可以非常容易地嵌入安装在仪表面板上,适合爱好者自制或用于改造老式仪表。

电路仅用了两块集成电路,CD4069用于小信号的放大和整形,AT90S2313则是一块精简指令的高速单片机,它在8M时钟下的性能超过了51系列在100M时钟下的性能,在电路中担任测量、运算和显示驱动。大多数的数显频率计采用一个“秒闸门”计数,因而在低频时测量误差加大,也无法显示小数,而本电路采用了脉冲宽度和密度双重测量技术,辅以高速浮点运算,因而测量精度高,并能自动转换量程,显示小数。例如测量的结果可能是 0.543,261.4等等,利用它测量交流电频率,你可以看到结果一般在 49.82-50.17 之间缓慢变化,因此本电路非常适合装在发电机、配电房里作交流电的频率显示。


电路还具有转速测量功能,用一个拨动开关转换。加上霍耳、光电、电磁等传感器就可以测转速,测量结果同样精确迅速,如果加上一个适当的信号整形电路,你甚至可以直接在汽油机的点火高压线旁边取信号,测量摩托车、汽车的发动机转速。
信号从C3处加入,如果是低频或低速信号,跳过C3输入会更有效,可调电阻P1用来调节测量的灵敏度,S1用于频率—转速的测量转换,显示用的是一只0.56英寸的4位LED共阴数码管

1513598708823046.jpg  技术指标:电源电压 8—15V直流
电源电流100mA
输入灵敏度 100mV—5V
输入阻抗500KΩ
测频范围 0.4-1000000Hz
测速范围 20转/分-1000000转/分

注意事项:
1.因为输入阻抗较高,所以要注意防干扰,必要时可降低输入阻抗。
2.电容C3用于隔直流,当测量低频或低速时,跳过C3输入会更有效。
3.在测量强电时,要加隔离,并注意防干扰屏蔽。
4.直接从汽油机点火高压线边取感应信号测量发动机转速时,要加一合适的信号整形电路,同时也要注意防干扰。
5.由于使用4位数码管,因此只能显示4位有效数字,超过 9999 的结果,只保留高4位有效数字,用数字后面的小数点的个数表示倍率。如“6666”表示6666,“6666.”有一个小数点,表示6666X101,“666.6.”有两位小数点,表示6666X102,以此类推,但数字中的小数点表示真实的数字,不适用此法,如“50.12”。
6。电路启动时显示“0.0.0.0.”,因此如果使用中频频出现“0.0.0.0.”,表示环境干扰大,应该给电路加屏蔽。

温馨提示:以上内容整理于网络,仅供参考,如果对您有帮助,留下您的阅读感言吧!
相关阅读
本类排行
相关标签
本类推荐

CPU | 内存 | 硬盘 | 显卡 | 显示器 | 主板 | 电源 | 键鼠 | 网站地图

Copyright © 2025-2035 诺佳网 版权所有 备案号:赣ICP备2025066733号
本站资料均来源互联网收集整理,作品版权归作者所有,如果侵犯了您的版权,请跟我们联系。

关注微信