时间:2017-12-02 07:49
人气:
作者:admin
阅读本文你可以学到高度复用的软件设计原则和面向接口编程的开发思想,聚焦自己的“核心域”,改变自己的编程思维,实现企业和个人的共同进步。
第二章为ADC 信号调理电路设计,本文为 2.1 应用背景和2.2 电路设计。
本章导读:
对于开发者来说,最难的是模拟电路的设计。不仅需要投入大量的仪器设备,而且还需要理论水平很高且实践经验很丰富的指导老师,才有可能设计出符合要求的模拟电路。通过分析用户设计的模拟电路,发现大多数开发者对模拟电路的设计细节知之甚少。
虽然很多半导体公司提供了琳琅满目的设计参考资料,但介绍到某些关键之处时还是让人感到语焉不详,这就是大部分开发者对模拟电路仍然心有余悸的原因。就拿MCU 供应商来说,其提供的资料更多的是数字电路的设计和基本的软件资料。几乎所有的MCU 供应商都不提供具有一定价值的应用电路设计参考,各个厂商提供的资料可以说千篇一律,你想要的没有。其实这些知识对于开发者来说都属于非核心域知识,却要花费很多时间投入其中。
基于此,我们对MCU 内部提供的各种各样的ADC 所需的外围电路进行了标准化的设计,期望推动整个行业的设计水平。因为无论任何需求都存在共性和差异性,所以只要掌握正确设计方法,就能够达到举一反三的效果。
2.1 应用背景
>>> 2.1.1 标称精度
LPC824 内部有一个12 位SAR 型ADC,多达12 个输入通道以及多个内部和外部触发器输入,其采样率高达1.2MS/s。与独立12 位ADC 芯片相比,手册标注的关键参数非常接近,理论上可以实现比较好的采集精度,详见表2.1。在实际的应用中,用户测试结果和标称值相差很远,表现出内部ADC 精度差,这是ADC 外部电路设计不合理所造成的。
表2.1 LPC82x 内部ADC 关键参数

>>> 2.1.2 外围电路
如图2.1 所示使用LPC82x 内部ADC 的采样系统,所需外围支持电路包含基准源、供电电源、驱动电路、信号调理电路等几部分,从原理上看这几部分都影响ADC 的性能指标。

图2.1 内部ADC 所需的外围支持电路
>>> 2.1.3 干扰源
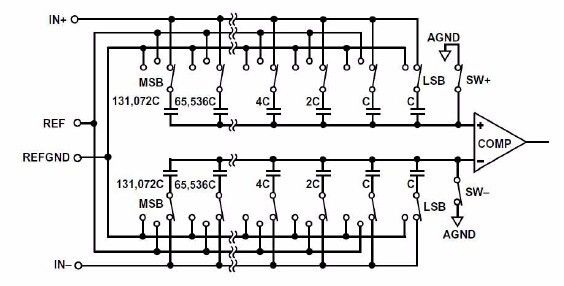
绝大多数MCU 内部集成的ADC 几乎都是逐次逼近(SAR)型,因为它使用开关电容结构,半导体工艺容易实现。由于SAR 型ADC 有多个有效输入端口,因此也容易受到干扰。典型SAR 型ADC 内部结构详见图2.2,分析它的工作原理有助于理解干扰的引入路径。

图2.2 SAR 型ADC 内部结构
它通过两个阶段确定ADC输出码,由于采集阶段开关SW+和SW-最初是关闭的,所有开关均连接到IN+和IN-模拟输入,因此各电容用作采样电容,实现采集输入端的模拟信号。在转换阶段SW+和SW-是打开的,模拟输入与内各部电容断开,电容作用到比较器输入时,将导致比较器不稳定。AR 算法从MSB 开始,切换REF 与REFGND 之间的权电容阵列的各元件,使比较器重新回到平衡状态,由此将产生代表模拟输入的输出数字代码。
转换过程中代表被测输入信号的总电量,在权电容阵列中的各电容两端不断重复分布,每bit 的转换数据都根据与基准源的比较结果产生,从而决定输出代码是0 还是1,基准源上的任何噪声都会对输出代码产生直接影响。如果比较过程中电源端、地回路存在干扰,使得内部比较器的结果变动,同样也会间接导致ADC 输出数据位不稳定,详见图2.3。

图2.3 SAR 型ADC 有多个有效输入端口
SAR 型ADC 这种多次反复比较结构,基准源、电源、地、或数字接口都有可能串入干扰信号,等效于存在多个有效输入端口,而不仅仅只有一个信号输入端。防止外部干扰信号,从ADC 信号输入端以外的引脚耦合进来,才能得到到稳定的数据输出。
2.2 电路设计
提高内部SAR 型ADC 精度的要点在于逐一排除各有效输入端口上的干扰,详见图2.4。

图2.4 消除ADC 外围支持电路干扰的方法
根据对精度的影响程度,电压基准源电路的设计占80%的工作量,低噪声模拟电源占5%,输入端瞬态驱动占5%,其它抗干扰措施占10%。
>>> 2.2.1 基准源
基准电压直接影响ADC 数字输出,要求低噪声、低输出阻抗、温度稳定性良好,标准化电路详见图2.5。

图2.5 低噪声与低输出阻抗基准电压源电路
其中,C2、C1 是内部ADC 参考源管脚的储能电容,R2、R3 用于设定参考源芯片NCP431的输出电压,R1 用于设定NCP431 的静态工作电流,磁珠FB1 与R1 串联,与C2 形成低通滤波器,滤除基准源供电3.3V 上可能存在的高频干扰。
1. 低噪声和低输出阻抗
基准电压源芯片使用低成本NCP431,输出噪声10uVpp,输出阻抗0.2Ω。噪声值用于12 位精度已经足够低,但动态输出阻抗0.2Ω 偏大。利用图2.5 中储能或去耦电容C2、C1的低高频阻抗,提供ADC 转换时基准源管脚上的瞬间高频电流,能非常好地解决基准源高频输出阻抗问题。
需要注意VREF 管脚上的10uF电容C2 不是旁路电容,而是SAR型ADC 的一部分,这个大电容不适合放在硅片上。在位判断期间,由于各输出位会在数十纳秒或更快的时间内建立,因此该储能电容是用来补充开关电容阵列的,从而与内部电容阵列上已有电荷一起平衡比较器。此大容值储能电容需要满足ADC 位判断建立时间要求。为了降低它的高频ESR,C2 优先选用X5R 材质贴片陶瓷电容,确保靠近基准源管脚VREFP 放置,并且在接近VREFN 模拟地管脚处接地,详见图2.6。

图2.6 VREF 管脚储能电容与芯片在/不在同一面的放置方法
2. 静态工作电流
NCP431 是并联型基准,原理类似稳压二极管,只能吸收电流,详见图2.7。在提供负载电流时,维持基准源两端电压不变,使流过限流电阻R1 的总电流不变,调节基准源自身的静态电流减小,使得负载上的电流增加。需计算R1 取值,保证在最大负载电流情况下,有最够的剩余静态电流。

图2.7 并联型的静态工作电流
NCP431 手册中的最小静态电流I(KA)min 为1mA,NCP431 输出电压调节电阻R2、R3 所吸收电流I(FB)为0.5mA,LPC82x 的REF 管脚所吸收平均电流I(REF),约为100uA,留出裕量取1.5mA。总的静态电流取3mA,算得决定静态工作电流R1 的阻值:

3. 输出电压选择
根据LPC82x 手册,为了获得最佳性能,VREFP 和VREFN 应当选择与VDD 和VSS 相同的电压电平。若VREFP 和VREFN 选择不同于VDD 和VSS 的值,则应当确保电压中间值是相同的:

实际测试发现基准电压设置到3.0V 精度最理想,若再升高至接近LPC82x 的电源电压3.3V,因为接近电源轨,ADC 的INL 实测值开始下降,因此标准电路中使用R2、R3 将NCP431的输出电压调整到此值,计算如下:

4. 温漂与直流精度
温漂和初始直流精度是基准源芯片的固有参数,温漂越低初始精度越高,成本越高,温漂25ppm 以下的基准几乎都已经超过LPC82x 芯片自身成本,详见表2.2。
表2.2 基准电压源参数与成本

综合考虑NCP431 是相对合适的选择,它是ONSemi 对TL431 的改进版本,最大温漂由原92 ppm/℃改进为50 ppm/℃,初始准确度优于0.5%。以25℃为参考温度,在-40℃~+85℃范围内,该温漂值引入的误差约为0.3%,基本符合12 位ADC 采集精度的应用。
需要注意标准化电路中R2、R3 影响NCP431 的温漂,应该选择低温漂系数25ppm以下电阻。如果考虑节省成本或者没有可选电阻,为了不影响基准温漂,使用如图2.8 所示的2.5V 输出电路替代。

图2.8 不使用外部电阻的NCP431 基准源电路
基准电压由3V 下降至2.5V 之后,对LPC82x 内部ADC 的INL 会有轻微影响。
>>> 2.2.2 低噪声模拟电源
为避免从电源端口串入干扰,需要低噪声的供电电源。利用线性稳压器的纹波抑制比,可以从通常的数字环境开关电源获得此低噪声电源,详见图2.9。

图2.9 低噪声模拟电源电路
使用FB2、R4、C5 所组成的无源滤波网络,可以有效改善1117 在高频段纹波抑制比下降的问题,实现从低频至高频的纹波噪声抑制。其中R3 与C5 形成截止频率1.59KHz 的低通滤波器,使得3.3V 电源上常见的100kHz 以上开关电源纹波干扰衰减10dB 以上。磁珠FB2 在高频时呈现高阻抗,结合C5 在高频时形成更高衰减倍数的低通滤波器,有效滤除3.3V电源上尖峰毛刺噪声。
线性稳压器使用SPX1117,纹波抑制比曲线详见图2.10,在低频至10kHz 频段有接近-60dB 的良好纹波抑制比,100kHz 之后快速下降。

图2.10 SPX1117 的纹波抑制比
线性稳压器U2 应该靠近LPC82x 放置,其他数字电路不共用MCU 的3.3V 电源,如果考虑成本需要共用,数字部分电源单独用LC 滤波电路隔离。
>>> 2.2.3 瞬态驱动
SAR 型ADC 输入端在采样期间具有瞬间充电过程,如果不处理信号源阻抗与内部采样电容的建立时间问题,不管是微处理器中内置的还是外置的ADC,都得不到最好的输出精度。标准化电路中使用运放加RC 组合电路详见图2.11。

图2.11 内部ADC 输入端瞬态驱动电路
通过典型SAR 型ADC 输入端等效电路,有助于理解瞬态驱动电路。如图2.12 所示输入端等效为一个开关S1 连接一个接到地的电容CSH,在电压采样之前,采样电容CSH通过开关S2 连到电源、电压参考或地进行预充电,预充电电压值由ADC 内部电路决定。电压采样开始时,S2 打开S1 闭合。

图2.12 SAR 型ADC 输入端等效电路
当S1 闭合时,驱动电路从CSH注入或吸出电荷,而ADC 需要一定的时间来采样信号。在这个采样时间里,ADC 需要从驱动电路汲取足够的电荷量给CSH,使得系统达到1/2-LSB 的精度范围之内。
如果信号源阻抗RO过大,RO、Rs1RS1、CSH组成的RC 网络时间常数过大,导致采样时间内CSH上的电压建立时间不足,采集到的电压值将下降。比较好的解决方法详见图2.12,添加运放缓冲降低信号源内阻,无论信号源阻抗RO 高或者低都不会影响精度。
直接使用运放驱动ADC 输入端时,S1 闭合瞬间的充电电流会干扰运放的输出电压,从而导致ADC 输出结果不准确。为了使设计的电路精度到达更高,应该在运放与ADC 之间添加一个电阻Rin 电容Cin,Cin 是作为一个电荷存储器,在采样瞬间为ADC 的输入端提供足够的电荷,而Rin 用于避免运放驱动容性负载,使得运放工作更加稳定。
>>> 2.2.4 输入信号滤波
输入信号自身可能包含有不期望的干扰信号,在输入电路上添加滤波器抑制干扰,是必要的硬件抗干扰措施。如果通过采样数据的后期数据处理滤除干扰,根据采样定理,必须在硬件上设置抗混叠滤波器,限制输入信号带宽至1/2 采样频率以下。
1. 有源滤波器
标准化电路中复用ADC 驱动运放,实现三阶有源低通滤波器,详见图2.13。

图2.13 三阶低通有源滤波器
滤波器的低通截止频率设置为9kHz,类型为三阶贝塞尔,具有良好的衰减特性。并且使用图2.13 中的3 阶电路形式,避免了常规单运放实现二阶Sallen-Key 型滤波器拓扑,由于运放带宽不够,出现的高频馈通问题。即使用带宽不高的运放LMV358A,也不会出现高频信号穿透滤波器,详见图2.14。

图2.14 三阶滤波器的频率响应
2. 电阻噪声与运放的电源抑制比
一般来说,有源滤波器自身可能产生噪声,通常称之为器件噪声,其分别为电阻的热噪声、运放的电压输出噪声。电阻值越大所引入的电阻噪声越大,1kΩ 电阻的Johnson 噪声大约是4nV/(Hz)1/2,这个数值以电阻的平方根规律变化。若考虑到电阻噪声,推荐的阻值是1~10kΩ。电阻噪声最后可以归结到的滤波电路中被滤除,但是它和运放输出噪声是电路中噪声产生的源头,在设计时要予以考虑,适当的采用低阻值电阻和低噪声运放。
此外需考虑运放的电源抑制比。电源上的噪声会随着每个有源器件的电源引脚传导到信号通路中,作为ADC 驱动放大器的运放,其自身的电源抑制比若不能抑制这些噪声的话,噪声就会叠加到运放的输出中。特别是电路中采用了开关电源供电时,电源上会有高频尖峰电压噪声,而运放的电源抑制比在高频时通常下降得厉害,对它们没有抑制作用。以标准电路图中所用的运放LMV358A 为例,其电源抑制比详见图2.15。

图2.15 LMV358A 电源抑制比
解决这个问题简单方法是采用RC 低通滤波器对运放电源进行滤波,滤除其电源抑制比较低的高频成分,如图2.13 所示的R4、C7。若将运放的电源端视为高阻抗(其工作电流小),算得RC 滤波器的截止频率约为:1.6kHz,可以对高频干扰信号起到有效衰减。
3. 运放选型
使用LPC82x 内部ADC 的采集应用,通常对器件成本的要求非常严酷,标准化电路设计考虑使用最低成本运放——LM358 系列。
经典运放器件通常存在两个问题,单电源条件下输入和输出信号范围不能达到电源电压(输入输出不能轨至轨),信号测量范围窄;输入失调电压与偏置电流比较大,直流精度影响大,因此不能使用。但现在已经有不少厂家生产LM358 兼容或改进产品,详见表2.3。
表2.3 低成本运放参数选型

表中的数据表明,只有3peak 公司的改进型器件LMV358A,同时支持轨至轨输入与输出,FET 输入级并且失调电压比较低,成本与原LM358 一致,能够符合应用需求,因此标准化电路最终选用LMV358A。
>>> 2.2.5 模拟地与数字地
具有内部ADC 的MCU 一般有独立AGND管脚,以及普通GND 管脚。如何把AGND 连接到GND 往往模糊不清,避免二者相互干扰的最优设计方法是,AGND 和GND 管脚都就近接到地平面,详见图2.16。

图2.16 AGND 与GND 的连接处理
了解混合信号IC 内部的接地管脚结构,有助于理解IC 设置独立模拟地、数字地管脚的意图,详见图2.17。使接地管脚保持独立,可以避免将数字信号耦合至模拟电路内。在IC 内部,将硅片焊盘连接到封装引脚的邦定线难免产生线焊电感LPLP和电阻RPRP,IC 设计人员对此是无能为力的。如果共用地管脚,快速变化的数字电流在B 点产生电压,对于模拟电路无法接受,IC 设计人员意图分开接地管脚,排除此影响。

图2.17 IC 内部模拟与数字地的连接情况
但是,分开之后B 点电压还会通过杂散电容CSTRAYCSTRAY耦合至模拟电路的A 点。IC封装每个引脚间约有0.2 pF 的寄生电容,是无法避免的。为了防止进一步耦合,AGND 和DGND 应通过最短的引线在外部连在一起,并接到模拟接地层。DGND 连接内的任何额外阻抗将在B 点产生更多数字噪声;继而使更多数字噪声通过杂散电容耦合至模拟电路。
>>> 2.2.6 I/O 扇出电流
由于LPC82x 只有一个电源管脚,即MCU 数字电源与内部ADC 模拟电源共用。虽然这样设计可以在小封装中提供尽可能多的I/O 口,但是对模拟部分会带来干扰问题:MCU工作时在电源上产生数字开关电流,通过共用管脚产生噪声电压,干扰内部ADC。下面的优化建议可以很大程度上避免干扰:
避免I/O 口直接驱动大电流,使用三极管或逻辑芯片间接驱动;
若条件允许,则切换到低功耗模式下执行ADC 采集。