时间:2023-07-10 11:07
人气:
作者:admin
我们知道,运算放大器是一种功率放大器。但是,运算放大器也可以执行求和运算。在本文中,单片机开发工程师分享了一个运算放大器电路,它可以合并多个输入信号,并产生单个输出作为输入信号的加权总和。
什么是求和放大器?求和放大器也是一种运算放大器电路,可以将多个输入信号组合到单个输出中,该单个输出是所施加输入的加权和。
什么是求和放大器?求和放大器是的一个变型反相放大器。在反相放大器中,只有一个电压信号施加到反相输入,如下所示:

如果我们将多个输入端子并联连接到现有的输入端子,则可以很容易地将此简单的反相放大器修改为求和放大器,如下所示:

在此,n个输入端子并联连接。此处,在电路中,运算放大器的非反相端子接地,因此该端子的电位为零。由于运算放大器被认为是理想的运算放大器,因此反相端子的电位也为零。
因此,节点1的电位也为零。从电路中还可以清楚地看出,电流i是输入端子电流的总和。
因此,我们可以得出:

现在,在理想运算放大器的情况下,反相和同相端子的电流为零。因此,根据基尔霍夫电流定律,整个输入电流都通过电阻Rf的反馈路径。也就是说:

从等式(i)和(ii),我们得到:

这表明输出电压V0是输入电压数量的加权和。
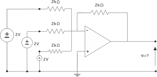
这里,我们举个加法器示例。我们先计算出三个求和器放大器的输出电压,电路如下图所示:

在这里,根据求和放大器的等式,我们可以得出:

上一篇:如何选择合适的运算放大器芯片?
龙腾半导体SGT MOSFET LSGT085R018在智慧农业无