时间:2023-07-06 10:42
人气:
作者:admin
带隙基准广泛应用于模拟集成电路中。带隙基准电路输出的基准电压可以为模拟集成电路提供稳定的参考电压或参考电流,因此,要求带隙基准电路具有较强的抗电源电压波动干扰的能力、环境温度急剧变化的能力,即对带隙基准电路的电源电压抑制比、温度漂移有明确的指标要求,同时需要尽可能的降低带隙基准电路的电路复杂度和工艺加工成本。
利用TCAD半导体器件仿真软件和TSPICE集成电路仿真软件完成无运放高电源电压抑制能力、低温度漂移的CMOS带隙基准集成电路的仿真设计。利用TCAD完成了带隙基准电路核心器件(PNP-BJT、NMOSFET、PMOSFET)的器件结构、工艺流程和电特性仿真。
TSPICE集成电路仿真采用TCAD输出的模型参数,对带隙基准电路有源器件模型参数、结构参数、电阻阻值的选择进行优化,最后完成了高电源抑制比、低温度漂移的带隙基准电路设计。
带隙基准电路设计原理:
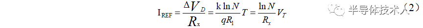
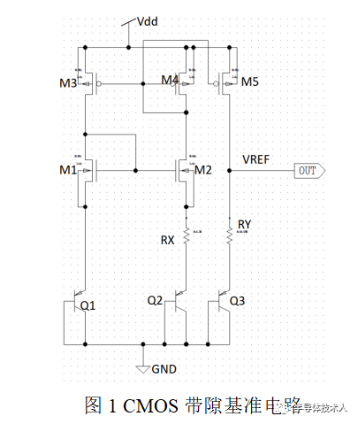
通过具有正温度系数的电压与具有负温度系数的电压之和,二者的温度系数相互抵消,来实现与温度无关的电源基准。图1为所设计的基于CMOS技术的带隙基准电路。M1和M2的源端电位应相等,则有:

如果Q2的发射区面积是Q1的N倍,则有:

IREF与T成正比,IREF通过M5对外输出。
基准电压VREF为:

VQ3与T成反比。

在室温附近,具有零温度系数的VREF值为1.21V。

上一篇:噪声系数的四个W
下一篇:带隙基准电路集成有源器件仿真设计
龙腾半导体SGT MOSFET LSGT085R018在智慧农业无