时间:2023-04-23 15:13
人气:
作者:admin
一、 电阻测试的原理分析
执行机构在测试的过程中有安全电流的要求,因此需要考虑使用恒流源进行电阻的测试。由于阻值由几Ω到2kΩ不等,正常情况下产生的测试电压几百毫伏到几伏或者超标,需要添加一个可变的放大电路,将超标的电压给降到可测试的范围。电路处理中,将可控的数字电位器设计到电路中,利用软件进行数字电位器阻值的调整,改变电路的放大倍率,从而调整了输出电压,利用压频变换器将电压信号转变成频率信号,再将频率信号输入单片机的计数器,通过单片机的计数和运算,达到电阻阻值测量的目的。
二、 数字电位器原理
随着科技的发展,数字电位器种类很多,使用方法基本相近,其内部功能如图1所示。如图1,管脚A、W、B是电位器电阻输出管脚,管脚VDD电源输入,管脚DGND电源地,管脚/CS是写信号选通,管脚SD0和SDI数据输入端,管脚CLK是脉冲输入端。数字电位器靠微机写入的字节来调整阻值的,AD5290是8位控制,具体如图2所示。阻值调整方式,例如采用20k的数字电位器,通过计算,可以平分成28等分(256分)的阻值,输入字节的数值乘以平分的阻值,就是数字电位器输出的阻值。

通过移位寄存器的方式将数据写入数字电位器,数据写入方式如图3所示:

三、 电阻测试
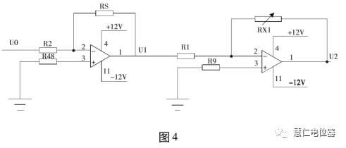
在设计的过程中,具体的测试原理电路如图4所示:

在图4中,电阻RS为执行级测试电阻,RX1为数字电位器,U0为精密基准源输入电压,在电路中,输入的电压U0与R2的阻值,决定了输入执行级的电流,通过公式(1)可得U1的电压,通过公式(2)可得U2的电压,由公式(1)和公式(2)可以计算测试的阻值RS。

在公式(3)中,U2通过测试得到,R1、R2和U0已知,数字电位器RX1的阻值在程序设置过程中得到,利用程序运算可以得到所测试的电阻,同时在显示器中进行显示。测试U2的电压过程中,如果电压过高或者过低,通过软件调节数字电位器,调节了整个电路的放大倍率,使U2的电压在适度的范围,在进行阻值的测试,从而提高了测试精度,另一方面增加了阻值的测试范围。
四、 结束语
通过改变数字电位器的阻值,改变整个放大电路的放大倍率,进行阻值的测试,设计方法简单实用,效果理想,并且在实际应用中得到了验证,是一种经济可行的设计方法。
上一篇:电位器的符合性及其分类、标定点
下一篇:判断电位器是否故障的指标
龙腾半导体SGT MOSFET LSGT085R018在智慧农业无