时间:2022-09-21 17:40
人气:
作者:admin
一般我们用的电源系统/控制系统或者信号处理系统都可以简单理解成负反馈控制系统。最典型的,运放组成的信号放大电路就是这样的系统。本文以最简单的运放信号放大电路为例,演示如何使用LOTO示波器测量控制系统的开环增益频响曲线,以及演示电源的环路响应稳定性测试。
我们之前用普通的测试输入输出信号的方法,也就是在系统输入端加入扫频的激励信号,在系统输出端测量输出信号,实测过运放电路的频响曲线
这种方法可以直观看到整个扫频范围内的系统闭环增益表现,但是有两个问题没有很好解决,一个是不能全面衡量系统稳定性,比如没有测出相角裕度的情况;另一个是不适用于不能输入激励信号的系统类型,比如电源系统。电源实际上是一个包含了负反馈控制环路的放大器,可以把电源看作是一个直流放大器,一个能输出非常大电流的反馈放大器,所以适用于反馈放大器的理论同样适用于稳压电源。它实际上不是对输入信号做出反应,而是对输出条件的变化做出响应,多数情况是应对负载的变化。
根据反馈理论,一个反馈系统的稳定性可以通过其系统传递函数得出。工程实践上通常会使用开环增益频响曲线,也就是环路增益的波特图来判断系统的稳定性。
所以我们这次介绍和演示下更常用的开环增益频响曲线的方法解决这些问题。在电源测试中,通常称为电源环路稳定性测试。

图1.运放的开环增益稳定性测试

图2.电源环路稳定性测试
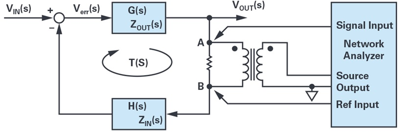
我们来看下如何测量开环增益频率响应,如下图所示的普遍的负反馈闭环系统:

环路不稳定的两个条件:
(1) : T(S) = G(S)H(S) 的相位为180°,
(2) : 增益幅值 |G(s)H(s)|=1,
当两个条件同时满足,环路不稳定。 我们把T=GH叫做开环增益,或者环路增益。画出环路增益的波特图就可以评估系统的稳定性,表达系统稳定性。常用的增益裕度和相位裕度指标一般就是从这里得出的。
我们只需要简单的把环路断开就可以得到环路增益。如图展示了如何在反馈系统中把环路断开,理论计算时你可以从任何地方把环路断开,不过我们通常选择在输出和反馈之间把环路断开。
断开环路后,我们在断点处注入一个测试信号i,i 经过环路一周后到达输出得到信号Vo,Vo和 i 的数学关系式就是我们要求的环路增益。

现实中反馈环路往往起到了稳定电路静态工作点的作用,所以我们不能简单的把环路断开去测环路增益。反馈环断开后,电路因为输入失调等原因,输出会直接饱和,这种情况下无法进行任何有意义的测量。为了克服这个问题,我们必须在闭环的情况下进行测量,一种可行的手段是环路注入。
为了维持闭环,我们在注入点的位置插入一个很小的电阻而不是把环路在注入点断开,注入信号将通过这个注入电阻注入到环路中去。这个注入电阻的取值要足够的小,通常要远远小于反馈网络的等效阻抗,这样才能保证注入电阻对反馈环路的影响可以忽略不计。
需要注意的是我们在闭环的情况下测量开环参数,测试结果的相位会从180°开始逐步将到0°,这与理论上直接断开环路求环路增益得到的从0°开始降到-180°不同,所以这种情况下我们计算相位裕度的时候应该是参考0°而不是-180°。
在反馈环路的注入点插入一个额定值较低的电阻,注入变压器二次绕组跨接在注入电阻两端,以施加测试电压。这种连接方法可以实现测试电压注入的同时,不改变系统的直流偏置工作点。

图3. 电压注入方法。
将LOTO示波器的2个通道连接至注入电阻的两端。然后,通过测量从点A到B的电压比值来测量环路增益:

其中T(s)表示测量得出的环路增益, VSIG和 VREF表示LOTO示波器测量得出的电压。

1. 把分压电阻和输出电压断开,串入一个5-50ohm注入电阻;
2. 利用LOTO的信号源模块输出扫频正弦波,经过隔离变压器T1连接到注入电阻两端;
3. 示波器两个通道分别测量注入电阻上端到地电压(输出电压)和注入电阻下端到地电压;
4. 利用示波器上位机软件的环路响应测试软件运行频响曲线测试功能,即可测出开环增益和相位曲线。
这个环路增益方法可以在实际运行状态下测量环路增益,所以数据的可信度较高。这是开关电源的稳定性评价的主流测量方法。
实物接线如下图所示:

这里我们使用了LOTO示波器的OSCA02系列示波器,并且扩展了S02信号源模块,这样就可以满足这个测试中的两路电压波形检测和一路扫频正弦波输出的需要。相比之前的输入激励方式的频响曲线,我们额外需要一个注入变压器,用来在注入电阻上加一个正弦波扫频信号,目的是不影响闭环系统的正常工作点。LOTO可以提供这样的一个变压器,可以在50HZ到100K HZ范围内使用:

我们设置信号源模块输出的偏置为0,也就是不需要直流分量,避免变压器磁饱和造成信号失真。信号的幅值需要观察下扫频过程,避免信号过大造成扫频过程中的正弦波消顶失真。实测发现,点A和点B的电压都很小。变压器源边我们空载输出4V左右,因为副边接上15欧注入电阻这个负载后,只有几十到几百毫伏了。如下图所示为注入电阻两端在1K赫兹时的电压波形:

VSIG和 VREF电压很小,我们使用示波器探头的1:1档,并且尽量缩短接地线来避免引入噪声对它们造成干扰。
我们设置好扫频参数,比如从100HZ到20KHZ步进500赫兹进行扫频。得到如下频响曲线结果:

如图4,相位裕度(Phase margin)定义为在放大器开环增益与频率曲线中,180°的相移与开环增益下降为 1(单位增益)处的相移之差的绝对值。增益裕度(Am)定义为放大器开环增益与频率曲线中,180°的相移处的增益与放大器开环增益下降为 1 处的增益之差的绝对值。
通常相位裕度、增益裕度越大,放大器越稳定。但是放大器稳定不是电路的唯一要求,尤其在高速放大电路中还需要考虑系统响应速度进行折中评估。

图4相位裕度与增益裕度
我们看下实测波特图的结果:

可以看到,系统足够稳定,交叉频率大约5.5K HZ左右,相角裕度有95度多。