时间:2022-09-07 09:58
人气:
作者:admin
随着人们健康意识的不断提高,大家对自身生理健康指标的监测越来越感兴趣,全球疫情的流行也使心肺功能监测变得越来越重要。
Heartbeat 是基于AS7050 + SFH7074 的心率板方案,支持心率和血氧检测。该方案中AS7050 是ams OSRAM 的一颗模拟前端(Analog Front End,简称AFE),包含LED 驱动、PD 信号读取、信号调节功能;SFH7074 是ams OSRAM 的一颗光电前端(Optical Front End,简称OFE),集成了绿光、红光、红外光三种LED 发射器和IR-Cut Photodiode 、Broadband Photodiode 两种PD(Photodiode)接收器。
相关研讨会:可测心率血氧的TWS来啦!

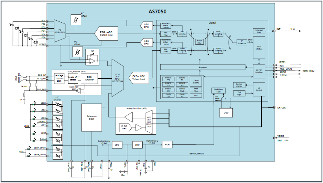
AS7050 Block Diagram
下图是Heartbeat 外部接口的说明,主板包含有:电源接口、I2C 接口、SPI 接口、PPG 接口(用于连接MCU-Cthlhu (Smart Watch) 方案的RT500 主板)。

接口说明
AS7050 支持 I2C 和 SPI 两种通信方式(相关引脚已在上面注明),可通过 IFSEL 引脚的电平选择使用哪种方式:
IFSEL = 1 : 使用 SPI 通信 (CS, MISO, MOSI, CLK, INT)
IFSEL = 0 : 使用 I2C 通信 (SCL, SDA, INT),默认为该选项
在电路板上可通过调节 R9 和 R11 来控制 IFSEL 的上拉和下拉,默认情况下 R9 上拉电阻为 NC,R11 下拉电阻正常焊接,即默认使用 I2C 通信。

I2C 和 SPI 通信方式选择
AS7050支持 3.3V 和 1.8V 的 IO 参考电平,可通过 R1、R2、R4、R5 四个 0Ω 电阻的状态进行选择,具体信息如下,默认为 3.3V 参考电平。


VDDIO 的 1.8V 或 3.3V 选择
确定了 IO 口参考电平之后,需要在排针引脚的 3V3 或 1V8 上提供外部相应的电压,即:若 IO 参考电平 3V3,需在排针引脚 3V3 上提供相应外部电压;若IO 参考电平 1V8,需在排针引脚 1V8 上提供相应外部电压。
►展示板照片


►方案方块图

►核心技术优势
1. 极高的动态动态输入范围: 104 dB
2. 最多支持 6 个光电二极管 PD 的输入通道
3. 最多支持 8 个外部 LED 驱动器
4. 多路 LED 和 PD 的灵活配置组合
5. ADC resolution:18bits
6. 1.5Kbytes FIFO
►方案规格
1. 支持 1.8V、3.3V 的 IO 电平
2. 支持 AGC 调节 LED 电流
3. 支持 I2C、SPI 通信接口