时间:2022-03-18 10:48
人气:
作者:admin
安科瑞 华楠
摘要安科瑞剩余电流式电气火灾监控系统通过ARCM剩余电流式电气火灾监控装置或数字型剩余电流互感器,对商场、宾馆、机场、银行、医院、厂房等建筑低压配电系统进行电气火灾监控。本文通过对山东中医药大学附属医院C院病房改造项目的介绍,阐述Acrel-6000电气火灾监控系统所实现的功能及其重要意义。
关键词:电气火灾探测器 电气火灾 监控系统 山东中医药大学附属医院C院病房 安科瑞
1.前言

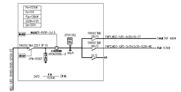
本项目针对山东中医药大学附属医院C院病房楼,该楼共13层。在每个楼层的强电间内均设有照明配电箱和应急照明配电箱,另外在顶部机房层设有电梯配电箱和空调室外机配电箱,如以上“配电干线系统图”所示。
2.系统需求分析
本项目楼层为13层,若某层配电线路发生漏电,相关人员无法及时发现。而Acrel6000电气火灾监控系统应能准确监控电气线路的故障和异常状态,发现电气火灾的火灾隐患,及时报警提醒相关人员消除这些隐患,防止电气火灾的发生。
3.参考标准
本系统符合中华人民共和国国家标准GB14287.1-2005《电气火灾监控系统 第1部分:电气火灾监控设备》。
4.系统结构
Acrel-6000电气火灾监控系统是本公司自主研发的用于接收剩余电流式电气火灾探测器等现场设备信号,以实现对被保护电气线路的报警、监视、控制、管理的运行于计算机的工业级硬件/软件系统。本系统应用于大型商场、生活小区、生产基础、办公大楼、商场酒店等区域的消防控制中心,对分散在建筑内的探测器进行遥测、遥调、遥控、遥信,方便实现监控与管理。本系统采用标准的Modbus现场总线将具有通信功能的探测器相互连接起来,当现场保护线路中的被探测参数超过报警设定值时,能发出报警信号、控制信号,能指示报警部位并保存报警信息。
山东中医药大学附属医院C院病房改造项目现场共有31只ARCM200BL-J1和3只ARCM200L-J8电气火灾探测器,分布于西区病房楼各楼层以及配电室内。现场电气火灾探测器采用总线方式,通过两条485总线接入Acrel-6000壁挂式电气火灾监控系统。本系统具有安装运输方便、性价比高、维护方便等优点。
Acrel-6000电气火灾监控系统主要设备如下:
主控单元:
①工业级平板电脑,配有触摸显示屏,WinCE 操作系统
② 输入输出:内置公司开发的智能 DCMOD 模块,具有多路输入输出
③ 声光报警器:内置喇叭、LED 指示灯
④ 备用电源: 2 节 12V/7.2Ah 的免维护蓄电池
主机面板元件布置及功能说明
1:报警指示灯(红色) :设备接收到探测器发出的报警信号时,报警指示灯常亮。
2:故障指示灯(黄色) :当本系统发生故障时(如通讯故障、电源故障等) ,故障指示灯常亮。
3:运行指示灯(绿色) :设备正常运行时,指示灯常亮。
4:主电源指示灯(绿色) :当主电源正常时,监控设备由主电源供电,此时主电指示灯常亮。
5:备用电源指示灯 (绿色) : 当主电源欠压或故障时, 监控设备由备用电源供电, 此时备用电源指示灯常亮。
本系统分布采用计算机分布式网络结构,如下图所示:

1)站控管理层
站控管理层针对电气火灾监控系统的管理人员,是人机交互的直接窗口,也是系统的上层部分。主要由系统软件和必要的硬件设备,如工业级平板电脑、微型打印机、UPS电源等组成。监测系统软件具有良好的人机交互界面,对现场各类数据信息计算、分析、处理,并以图形、数显、声音、指示灯等方式反应现场运情况。
监控主机:用于数据采集、处理和数据转发。为系统内或外部提供数据接口,进行系统管理、维护和分析工作。
打印机:系统召唤打印或自动打印图形、报表、报警记录等。
UPS:保证计算机监测系统的正常供电,在整个系统发生供电问题时,保证站控管理层设备的正常运行。
电气火灾监控系统主机设置于病房楼B1F消防控制室。
2)网络通讯层
通讯介质:系统主要采用屏蔽双绞线以RS485总线方式连接至消防控制室监控主机,实现现场设备与上位机的实时通讯。通讯线沿弱电桥架敷设,保证了通讯的质量。
3)现场设备层
现场设备层是数据采集终端,主要为ARCM200电气火灾探测器和AKH-0.66L系列漏电流互感器(如下图所示)。ARCM200可监测1或8路漏电流,每路通道具有断线、短路检测功能;具有事件存储功能,报警器能够记录报警发生的时间、类型、参数,根据报警记录可以分析现场的用电情况,为消除故障提供依据;采用现场总线通信技术,上位机管理软件可以时刻监控现场的运行情况,及时发现报警信息。标准MODBUS协议可以与各种标准系统相连;集成度高,网络化,智能化程度高。

5.系统功能
本套上位机软件Acrel-6000电气火灾系统。主要有以下功能特点:友好的人机界面,可实时和定时采集现场设备的剩余电流数据,并有报警提示声光报警等功能。客户可根据实际需要对漏电流报警值进行设置,报警故障解除时,可远方进行复位。系统可对报警事件、日期、报警值、越线值进行记录,并生成报表,可对报警事件记录进行打印。
1)监控主界面

现场ARCM200L电气火灾探测器采集数据上传到本界面,客户可根据需要对回路名称进行修改,方格内可以显示相应柜子剩余电流实时值,数据可周期性更新。当剩余电流实测值大于报警设置时,系统报警状态指示灯会自动闪烁。界面下端的报警提示滚动条会自动提示报警回路名称,方便运行人员检查处理故障。
2)探测器通讯故障信息提示界面

本界面主要实现遥调功能,运行人员可在参数设定报表查询相应回路的剩余电流越线报警值,根据现场实际需要对剩余电流越线报警值进行设置。同时也可以对报警仪表进行远程复位,故障报警解除时按复位键进行远程复位,方便用户的使用。
3)事件记录查询界面

具有事件存储功能,报警器能够记录报警发生的时间、类型、参数、报警值,根据报警记录可分析故障原因,为消除故障提供依据;并可对报警记录进行打印。
6.结束语
随着智能建筑的发展及电力的广泛应用,人们对安全的意识认识越来越高。公共建筑安装漏电火灾系统是智能化建设的趋势。电气火灾系统有利于发现安全隐患,及时处理安全隐患,将火灾防患与未然有着重要的意义。系统投入运行以来,发现和整改了隐患多处,为本项目的消防管理提供了科学的依据,受到了客户好评。