时间:2021-12-06 10:26
人气:
作者:admin
摘要
近年来,随着城市规模的不断扩大,路灯事业也有了蓬勃发展。然而随之而来的是管理缺失和质量安全问题。路灯杆点多面广,一旦漏电就有可能会造成重大的人员伤亡事故,不仅给受害者家庭带来痛苦,而且政府相关部门也要承担巨额的经济赔偿责任。路灯作为市政公共设施,漏电时刻威胁着人民群众的生命安全,如何科学遏制事故的发生,成为目前管理部门亟待解决的问题。
关键词:路灯;人员伤亡事故;漏电
00 概述
统计路灯杆带电致人死亡的时间,发现其中有一个共同点——悲剧大多数发生在雨天,其中大雨天居多。像路灯杆、霓虹灯、电箱、路边灯箱等公共用电设备,通常是采用低压供电,除非设施自身发生故障,一般不会伤人。路灯杆漏电事故多数发生在雨天潮湿天气,尤其是多雷雨的夏季。这一方面是由于夏季高温,路灯设施运行在较高的温度和湿度下,电缆绝缘层容易老化击穿而导致灯杆漏电;另一方面是由于夏季人们衣物减少,如普遍的短袖、短裤和凉鞋,裸漏的皮肤容易接触到灯杆金属带电部分,鞋子裸漏的人体和大地形成回路造成触电事故。而春冬季节由于鞋子的良好绝缘即使触电也很少造成人员伤亡事故。需要提醒大家注意的是:暴雨天,当雨水浸过带电设备时,可能造成设备带电;阴雨天,雨水淋上金属路灯杆,会加剧路灯内部漏电或导电的现象。这些公共用电设备长时间处于潮湿状态会有可能造成内部出现问题。
01 路灯漏电的情况
路灯漏电通常有下面三种情况:①线路老化,漏电造成了电能的损耗,同时也违纪行人的安全;②电缆接头绝缘处理不良,在低洼路段遭雨水浸泡而发生漏电危及行人安全;③路面开挖的频次加大,在此过程中也经常会出现损坏路灯供电线缆造成漏电并危及施工人员的安全。灯杆漏电事故的原因是多方面的,有的是灯杆内的电缆绝缘层老化与灯杆搭火;有的是电器光源不合格,如镇流器被击穿导致灯杆带电,或者电线接线端子烧毁造成灯杆带电;还有是由于人为破坏造成的灯杆带电;最后是恶劣的自然环境造成的灯杆带电,如雷雨,台风,地震等自然灾害。
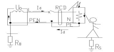
现实的情况是,在暴雨天气灯杆检修门被水淹,在电缆接头遭水浸发生漏电的情况下,过电流保护器根本无法切断故障回路,这时灯杆及周围水域都会带电,危及行人安全。近年来国内路灯漏电电死人的事故频频发生,管理部门承担巨大的责任和压力。这些事故的发生,究其原因都是没有按照国标要求安装漏电保护装置。
在路灯建设过程中执行的标准《城市道路照明设计标准》(CJJ45-2006):金属灯杆及构件、灯具外壳、配电及控制箱屏等的外露可导电部分,应进行保护接地。只有保护性接地是强制要求的。路灯线路属于TN-S三相五线制低压配电线路,由于多装在人行道旁,如发生非金属性接地,因故障相与大地间存在一定的接地电阻,接地电流远小于通常的单相短路电流值,普通的断路器不能切断或不能快速切断故障线路,致使路灯金属部位长时间带电,路人一旦触碰,就有可能发生电击的危险。
02 城市道路照明配电系统采用TN-S接地方式存在的问题
2.1 配电线路一般比较长,接地故障电流比较小。使用熔断器或断路器的瞬时过电流脱扣器兼做接地故障保护。很难保证按《低压配电设计规范》(GB50054-95)的规定,在5s内切断故障电路。
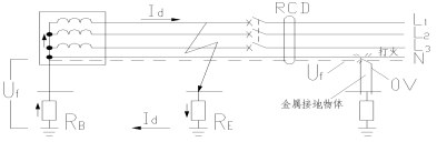
2.2 TN-S方式,灯具、电杆、电器盒等的外露导电部分是通过PE线连接到配电变压器中性点而接地,当该变压器其他部分发生对地直接连接之类的故障时,保护电器难以断开,故障电流经大地流到变压器接地极回到中性点,致使中性点电位升高,此电位经过PE线传至灯杆等处外露导电部分;接地保护能否起到保护作用的关键是接地电阻大小,除非变压器接地电阻非常小,不然此电位就有可能超过安全电压限值。由于故障电流很小而无法使保护电器动作,因此不能完全保证安全。
2.3道路照明处于户外环境,很难像建筑物内那样做完善的等电位联结,在发生某些接地故障时,有可能导致电击危险
03 产品概述
漏电保护器具有动作电流小,动作时间短的特点,它能在不大于5s的时间内切断故障回路,并保证正常环境人身电击安全电压不大于50V(《低压配电设计规范》要求),这种优于常规断路器的技术特性,从而使漏电保护器应用于路灯配电系统成为可能。
常见的相与相间发生短路可以产生很大电流,可采用开关保护,而发生人体触电、线路老化而导致的电流泄露产生的火灾以及设备的接地故障都是由于漏电流所造成,漏电流一般都在30mA-3A,这些值很小,传统开关无法进行保护,所以需要采用剩余电流动作保护装置。
剩余电流继电器是由剩余电流互感器来检测剩余电流,并在规定条件下,当剩余电流达到或超过给定值时,使电器的一个或多个电气输出电路中的触点产生开闭动作的开关电器。
下面介绍三种常见的漏电情况。
3.1 防直接接触电击需要采用I△n≤30mA的高灵敏度的RCD。

3.2 防间接接触电击可采用I△n大于30mA的中灵敏度的RCD。

3、防火RCD需采用4极或2极RCD。

对于IT系统,按规定采用剩余电流继电器。为防止系统绝缘降低和作为二次故障后备保护,依据接线型式,采用类似 TT 或 TN 系统的保护措施。首先应采用绝缘监视装置,预测一次故障。

对于TT系统,推荐采用剩余电流继电器。因为当发生单相接地故障时,故障电流很小,且较难估计,达不到开关的动作电流,外壳上将出现危险电压。此时N线需要穿过剩余电流互感器。

对于TN-S系统,可采用剩余电流继电器。更快速灵敏切断故障,以提高安全可靠性,此时 PE 线不得穿过互感器,N 线需要穿互感器,且不得重复接地。

对于TN-C系统,不能采用剩余电流继电器。因为 PE 线和 N 线合一,若 PEN 线不重复接地,当外壳带电,互感器进出电流相等,ASJ拒动;若PEN线重复接地,部分单相电流将流入重复接地,达一定值后,ASJ 误动。需将TN-C系统改造成TN-C-S系统,同TN-S系统,再将剩余电流互感器接入TN-S系统中。
04 产品简介
4.1 ASJ60-LD16A剩余电流监测仪适用于交流额定电压为400V及以下的配电线路中使用,用于监测线路中的剩余电流,作为剩余电流式火灾监控装置用。也可与低压断路器和低压交流接触器组成组合式剩余电流保护装置,用来对电气线路进行接地故障保护,防止接地故障电流引起的设备损坏和电气火灾事故,或用来对人身触电危险提供间接接触保护。
该产品可应用于石油化工、工业厂房、大型公建、幼儿园、敬老院等场所的配电箱内,也可应用于路灯、庭院灯、景观灯的配电箱内,进行漏电或接地故障监测。
4.2 剩余电流监测仪外形与安装尺寸如下图所示。(单位:mm)

4.3 功能特点
可实时监测和显示TN-S、TT系统配电线路的剩余电流;
每只剩余电流监测仪可监测不超过16个回路的剩余电流,剩余电流监测范围为1mA-30A;
每路剩余电流监测均可设置报警值,报警值的设置范围为1mA-30A。每路剩余电流监测可设置为超值报警、动作或关闭剩余电流监测;
1路水浸报警继电器,16路剩余电流报警继电器,每路剩余电流报警继电器对应1路剩余电流监测,当剩余电流超过设定值时,对应继电器动作,同时具有自动重合闸功能,重合闸的次数及间隔时间可设,重合闸功能可关闭(重合闸功能只有在回路漏电监测设置为既报警、又分闸时有效);
2路DI输入功能,可以用于水浸或其它开关状态监测;
具有RS485通讯、4G无线通讯等通讯功能;
30条事件记录功能,能够记录报警发生的时间和故障类型;
自检功能,按下自检按键可以启动检验仪表自身硬件是否工作正常;
复位功能,仪表检测到发生故障,并在故障排除之后,可以按下复位按键,复位仪表。
消音功能,按下消音按键可以消除报警声。
4.4 仪表具体的接线端子和典型接线如下所示:
05 结语
路灯作为城市基础设施的重要组成部分,其夜晚照明功能不可替代,而受恶劣天气、自然灾害的影响,对路灯线路造成的损坏也不可避免,但其产生的影响和危害直接威胁着民众的生命安全,因此采取智能漏电保护措施十分重要。

请旋转手机
查看更多精彩
点我
