时间:2022-03-04 17:47
人气:
作者:admin
本文原载于《内蒙古教育》,作者:广东省工商高级技工学校温剑艺
零件的制造、设备安装和保养及长时间运行零件间的相互摩擦造成的磨损等导致机床几何误差产生,是加工精度降低的主要因素。为了提高机床的加工精度,需要对机床进行几何误差补偿。有研究表明,数控机床在温度变化影响不大的情况下几何误差较为稳定,因此,提高机床精度可采取误差补偿的方式。对于误差的产生、检测和补偿国内外很多学者进行了深入的研究分析 , 并在各自的理论基础上分别建立了数控机床几何误差运动数学模型和误差辨识模型 , 为误差补偿的研究实践提供了方向。
一、三轴立式数控铣床几何误差检测方法
机床的几何误差是机床结构系统的误差,即为几何误差,包括机床各部件工作表面的几何形状和相互位置误差、零件尺寸误差和装配误差。三轴立式数控铣床几何误差理论上可达21种。从目前认可的研究结果来看,误差辨识方法主要有几类 : 单项误差直接测量、综合误差测量和间接测量法。
(一)单项误差直接测量法
单项误差直接测量法是利用相关测量仪器依据测量基准 , 对数控机床的各项几何误差逐一测量 , 即可得到分离的单项几何误差参数,适用于一些传统的检测量具。例如,可利用电子水平仪测量数控机床的剩余转角误差 ,可利用激光干涉仪装置测量数控铣床的直线性误差。
(二)综合误差测量参数辨识法
综合误差测量参数辨识法是采用“数学辨识模型 + 特定点空间位置误差”测量机床在运行正常的情况下出现的误差,并获得单项误差数据。综合误差辨识是先通过数学建模 , 然后基于模型对其测量点的综合误差进行分离辨识 , 从而间接得到机床各项几何误差离散值。
二、三轴立式数控铣床几何误差的建模理论
按认可的观点,误差建模是三轴数控铣床误差测量、误差补偿的关键。根据多体系统运动学理论和拓扑结构理论,把三轴立式数控铣床结构建立结构示意图(如图1所示)和抽象的拓扑结构图(如图2所示),可以以立柱、床身(固定轴1)为基础建立2个分支和3个运动轴,两个分支终端是工件4和刀具6。

三、几何误差软件补偿技术
几何误差软件补偿技术是一种直接作用于机床的误差补偿方法,通过对数控机床加工指令进行修改达到提高加工精度、减少几何误差的目的。目前,数控机床几何误差补偿多采取软件补偿的方法,分数控程序算法修正和控制器修正。控制器补偿可分为嵌入软件和参数修正。数控程序算法修正是指将程序在数控加工环节和后处理环节中的处理,数控程序补偿可分为后处理器和数控指令修正。
三轴立式数控铣床是通过数控指令控制刀具的切削运动。基于多体系统理论,采取软件补偿的方法对数控指令进行实时修正,实时调整刀具中心运动提高加工精度。几何误差补偿软件补偿可分为仿真模块、建模模块、补偿模块、测量模块四部分,其原理是通过误差补偿软件修改数控指令,用修正后的数控指令驱动数控机床,调整刀具中心运动轨迹,减少刀尖实际位置与理论位置之间的误差,提高加工精度。其中,仿真模块是利用 UG、CAXA 等软件可快速、直观对比补偿前后程序的仿真效果 ;建模模块是通过设置一系列的参数(如机床切削参数、刀具尺寸、设置坐标系等)实现三轴数控机床误差模型的建立 ;补偿模块是依据测量的误差数据和误差补偿模型补偿或者修正导入数控程序的误差 ;测量模块是通过检测获取原始数据,包括 X 轴几何误差、Y 轴几何误差、Z 轴几何误差、垂直几何误差。
四、激光干涉仪测量与建模
激光干涉仪测量一般属于一维的准静态测量方法。激光干涉仪可在较快的位移速度下测量较大的距离,测量精度高,一般为 0.1μm,可用于检测直线度、垂直度、俯仰与偏摆、平面度、平行度等几何误差。激光干涉仪稳定性好,抗干扰能力强,能对测量数据进行自动处理,适合在一般车间条件下使用。
本次使用的中图仪器 SJ6000 激光干涉仪不仅能自动测量机器的误差,还能通过 RS232 接口自动对其线性误差进行补偿,比通常的补偿方法节省了大量时间,避免了手工计算和手动数控键入而引起的操作者误差。同时还可zui大限度地选用被测轴上的补偿点数,使机床达到zui佳精度。另外操作者无需具有机床参数及补偿方法的知识。激光干涉仪 , 可以对X、Y、Z 三轴进行分别测量,可以测得滚动、偏摆、俯仰以及位置度误差。操作如下 :
X 轴测量 :固定 Y 轴和 Z 轴,X 轴从 A0 点移动到 A 点,测取数值。
Y 轴测量 :固定 X 轴和 Z 轴,Y 轴从 B0 点移动到 B 点,测取数值。
Z 轴测量 :固定 X 轴和 Y 轴,Z 轴从 C0 点移动到 C 点,测取数值。
五、软件补偿技术的应用
ZXK-32D 三轴立式数控铣床曾经被洪水浸泡,同时维护保养跟不上,长久使用后精度明显降低。本次实验旨在尝试提高数控铣床精度,在不改变机床的硬件的前提下,对其进行建模测量和实施误差补偿,分别比较验证软件补偿前后加工数据,以判断软件补偿技术是否有效。
ZXK-32D 型三轴立式数控铁床(广州数控机床有限公司)的基本参数为 :
工作台面积(宽×长 )320mm×900mm ;
型槽(槽数 - 槽宽 × 槽距)3-14×100 ;
工作台承载工件重量300kg ;
工作台左右行程(X 向)550mm ;
工作台前后行程(Y 向)320mm ;
主轴箱上下行程(Z 向)300mm ;
主轴端面距工作台面距离 50~350mm ;
主轴中心线至立柱导轨面距离300mm ;
主轴锥孔MT4 主轴电机功率 1.5/2.2KW ;
主轴转速范围 (6 级 ) 265~1815 r.p.m ;
进给速度 1~1500 mm/min ;
快速移动速度3m/min;
线性坐标的定位精度 X/Y/Z:0.04/0.03/0.03 mm ;
线性坐标的重复定位精度 X/Y/Z :0.02/0.015/0.015 mm。
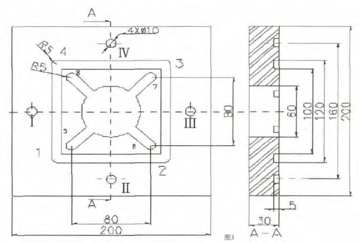
综合考虑各种因素,本次三轴数控铣床的几何误差的设备使用中图仪器 SJ6000 激光干涉仪采用直接测量法。试验零件如图3所示,具体毛坯参数:200mm×200mm×30mm,铝。零件加工中的具体参数为 :直柄键槽铣刀 Φ10mm,三轴数控铣床主轴转速 1000 r/min,切削进给速度为 80 mm/min。在进行零件加工的时候,为了zui大限度地降低切削力误差造成影响,前后两次零件的试切均选择小切削量低速进给的加工方法。

直线度值的测量选用 DRAGON1075 型手动三坐标测量机,测量点选择如图 3 所示,工件四边直线 (1,2,3,4) 和工件对角线(5-7,6-8)。点心偏差的测量则选取Ⅰ点中心建立一个局部坐标系,再在Ⅱ点、Ⅲ点、Ⅳ点分别测量相对位置,在加工测量前后注意比较理想坐标值和实际测量的坐标值,验证试验工件的相关参数,如表 2 所示。


从以上两个表格数据可以看出,数控机床在几何误差软件补偿后,机床直线加工精度和定点运动精度都得到了提高。
六、结束语
实践证明,本次将软件补偿技术应用到三轴立式数控铣床几何误差的修正中,虽然受到检测设备成本和检测补偿技术水平的限制没能从各个方面做出详细检测和补偿,但数据结果显示,软件补偿技术能有效提高机床的加工精度。