时间:2022-05-07 10:42
人气:
作者:admin
1、 光伏并网柜简介
分布式并网光伏系统是利用光伏组件将太阳能直接转变为电能的发电方式,并且能一定程度保证发电的稳定性、可靠性及供给配电网电能质量,是一种新型的、环保型且具有长远发展前景的发电系统。该系统在用户所在场地或附近建设运行,以用户侧自发自用为主、多余电量上网且在配电网系统平衡调节为特征的光伏发电设施。它能够就近逐步解决用户的用电问题,通过并网送去实现供电差额的补偿与外送。光伏电源处于用户侧,发电供给当地政府负荷,可以有效减少对电网供电的依赖,减少线路损耗。通过借助建筑物表面,将光伏蓄电池作为建筑材料,从而有效地增加光伏电站的占地面积。分布式光伏发电系统规模较小,可以根据实际要求进行建设,建设区域选择性较大,在未来能源综合利用发展中有很大的发展空间。
并网柜主要由刀闸、断路器及有关的控制元件组成,由于其连接发电机系统和电网系统,安装有完备的并网保护装置,起到发电机并网作用,而被称为“并网柜”。光伏并网柜作为光伏电站的总出口存在于光伏系统中,是连接光伏电站和电网的配电装置,可以保护、计量光伏发电的总量,方便故障检修管理,提高发电系统的安全性和经济效益。具备检失压分闸、检有压合闸、过流保护、过电压保护、孤岛保护、防逆流保护、谐波治理、无功补偿等全多项保护功能,同时具备显示光伏发电系统运行参数和状态指示,被广泛运用于光伏发电系统,与光伏并网逆变器配套使用可组成一套完整的光伏发电系统解决方案。
✦
2、 光伏并网柜综合监测解决方案
光伏并网柜在运行中,会出现电网侧电压、频率等方面的波动对本站造成冲击、负荷过高等现象,不仅会对电网设备造成损坏还会威胁到维护人员的生命安全。谐波问题是光伏发电的最主要问题,光伏发电使用交、直流逆变器,由于逆变器是通过半导体功率开关的开通和关断作用,把直流电转变成交流电,在此环节会产生谐波问题。另外由于光伏项目的不确定性,造成输出功率的随机波动,导致电网频率偏差、电压波动与闪变等。
针对上述情况,本解决方案利用防孤岛保护装置采集并网电压、频率及电网进线电流等信号,当发生孤岛现象时,快速切除并网点,使本站与电网侧快速脱离。同时配置电能质量在线监测装置,对电压谐波、电压波动与闪变、频率偏差、电压不平衡度、电压暂降/暂升/短时中断等进行实时监测。通过这两种设备在光伏并网柜中的使用,为电网的可靠运行提供保障。本解决方案设备配置方案如表一。

✦
3、 产品简介

3.1AM5SE-IS微机保护装置
AM5SE-IS防孤岛保护装置主要适用于35kV、10kV及低压380V光伏发电、燃气发电等新能源并网供电系统。当发生孤岛现象时,可以快速切除并网点,使本站与电网侧快速脱离,保证整个电站和相关维护人员的生命安全。
技术参数

主要功能

外形及开孔尺寸

安装方法
装置采用面板嵌入式安装,首先在屏体面板上按开孔尺寸开孔,如图1。再将装置按图2所示放入开孔中,直到装置面板靠住机柜的面板。将支架放置于机柜面板的内部(上下各有一个支架),如图3,旋转4个固定螺丝,使装置牢固固定在机柜面板上,最后盖上4个翻盖即可。(翻盖上方有小缺口,拆卸时需用一字螺丝刀插入小缺口将翻盖取下。)

3.2 APView500电能质量在线监测装置

APView500电能质量在线监测装置集谐波分析、波形采样、电压暂降/暂升/中断、闪变监测、电压不平衡度监测、事件记录、测量控制等功能为一体。能够满足110kV及以下供电系统电能质量监测的要求,广泛适用于化工、钢铁、冶金、医院、数据中心、交通建筑等行业的电能质量监测。
技术参数

监测精度

基本功能


外形及开孔尺寸

本装置为嵌入式安装方式,可以集中安装于控制室的屏或柜上,也可分散安装于开关柜上。
✦
4、 典型方案
4.1 0.4kV光伏发电项目系统上图
1、配电室上图方案

一次系统上图
2、方案设计

一次方案设计图
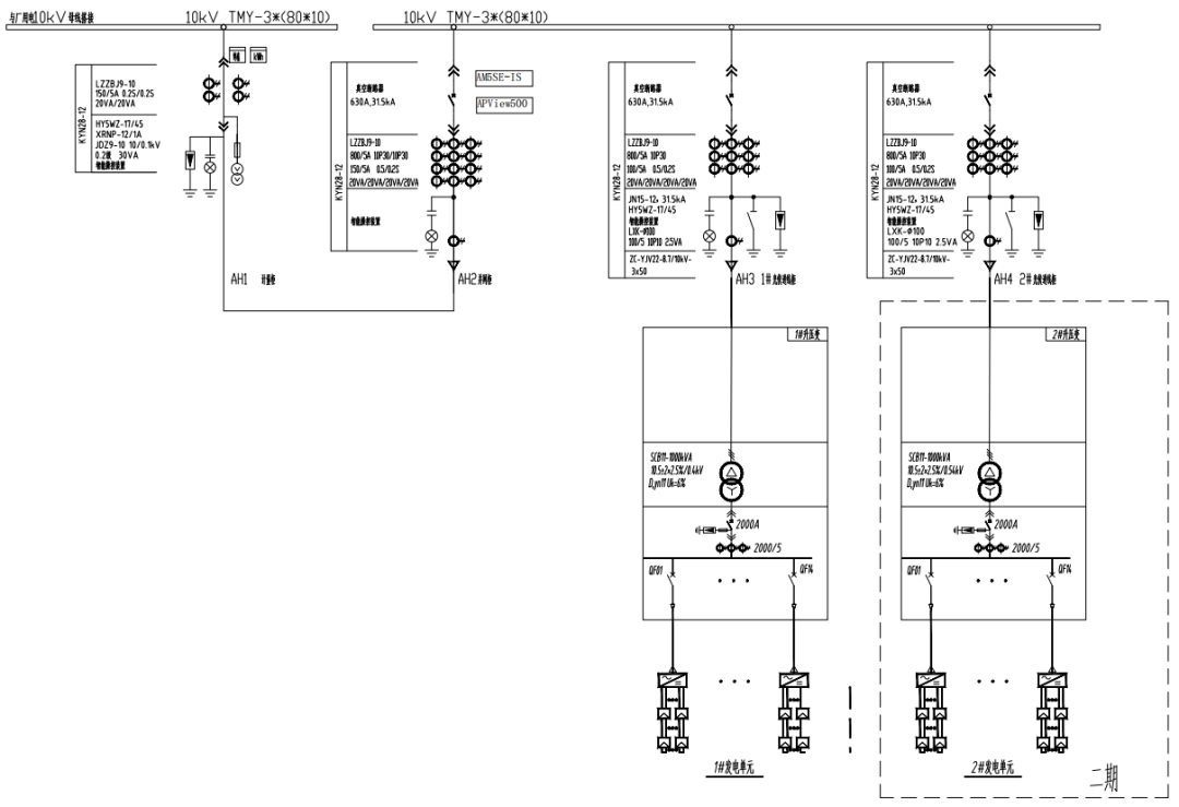
4.2 10kV光伏发电项目系统上图
1、配电室上图方案

10kV市电一次系统图

一次系统上图
2、方案设计

一次系统上图