时间:2021-11-30 09:46
人气:
作者:admin
逆变器的分类,来源:华秋商城一、按输入源分类逆变器的输入可以是电压源或电流源,故分为电压源逆变器(VSI)和电流源逆变器(CSI)。
电压源逆变器(VSI)当逆变器的输入为恒定直流电压源时,该逆变器被称为电压源逆变器。电压源逆变器的输入有一个刚性直流电压源,其阻抗为零。实际上,直流电压源的阻抗可以忽略不计。假设VSI由理想电压源(极低阻抗源)供电,则交流输出电压完全由逆变器中开关器件的状态和应用的直流电源决定。电流源逆变器(CSI)当逆变器的输入为恒定直流电流源时,该逆变器被称为电流源逆变器。刚性电流从直流电源提供给CSI,其中直流电源具有高阻抗。通常,使用大电感器或闭环控制电流来提供刚性电流。由此产生的电流波是刚性的,不受负载的影响。交流输出电流完全由逆变器中的开关器件和直流施加电源的状态决定。二、按输出相位分类根据输出电压和电流相位,逆变器主要分为两大类:单相逆变器和三相逆变器。单相逆变器单相逆变器将直流输入转换为单相输出。单相逆变器的输出电压/电流只有一相,其标称频率为50Hz或60Hz的标称电压。标称电压定义为电气系统运行的电压水平。有不同的标称电压,即120V、220V、440V、690V、3.3KV、6.6KV、11kV、33kV、66kV、132kV、220kV、400kV和765kV。低标称电压可以通过使用内部变压器或升降压电路的逆变器直接实现,而对于高标称电压,则使用外部升压变压器。单相逆变器用于低负载。单相损耗较多,单相效率比三相逆变器低。因此,三相逆变器是高负载的首选。三相逆变器三相逆变器将直流电转换为三相电源。三相电源提供三路相角均匀分离的交流电。在输出端产生的所有三个波的幅度和频率都相同,但由于负载而略有变化,而每个波彼此之间有120度的相移。基本上,单个三相逆变器是3个单相逆变器,其中每个逆变器的相位相距120度,每个单相逆变器连接到三个负载端子之一。三、按换向技术分类根据换向技术,可分为线换向和强制换向逆变器这两主要类型。此外,还可有辅助换向逆变器和互补换向逆变器,但因他们不常用,因此我们这里简要讨论两种主要类型。线路换向在这些类型的逆变器中,交流电路的线电压可通过设备获得;当SCR中的电流经历零特性时,器件被关闭。这种换向过程称为线路换向,而基于此原理工作的逆变器称为线路换向逆变器。强制换向在这种类型的换向中,电源不会出现零点。这就是为什么需要一些外部源来对设备进行整流的原因。这种换向过程称为强制换向,而基于此过程的逆变器称为强制换向逆变器。
两种换向逆变器的对比区别
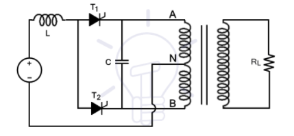
四、按连接方式分类根据电路中晶闸管的连接方式,可分为串联逆变器、并联逆变器、桥式逆变器,其中桥式逆变器又分为半桥、全桥和三相桥式。串联逆变器串联逆变器由一对晶闸管和RLC(电阻、电感和电容)电路组成。一个晶闸管与RLC电路并联,一个晶闸管串联在直流电源和RLC电路之间。这种逆变器被称为串联逆变器,因为负载在晶闸管的帮助下直接与直流电源串联。串联逆变器也称为自换相逆变器,因为这种逆变器的晶闸管是由负载自行换向的。该逆变器的另一个名称是“负载换向逆变器”。之所以给出这个名称,是因为LCR是提供换向的负载。

全桥逆变器单相全桥逆变器具有四个受控开关,用于控制负载中电流的流动方向。该电桥有4个反馈二极管,可将负载中存储的能量反馈回电源。这些反馈二极管仅在所有晶闸管关闭且负载不是纯电阻负载时才起作用。
五、按操作模式分类根据操作模式,逆变器分为3个主要类别:独立逆变器独立逆变器直接连接到负载,不会被其他电源中断。独立逆变器或“离网模式逆变器”,逆变器在不受电网或其他电源影响的情况下自行为负载供电。
这些逆变器被称为离网模式逆变器,因为这些逆变器不受公用电网的影响。这些逆变器无法连接到公用电网,因为它们不具有同步能力,其中同步是匹配两个交流电源的相位和标称频率(50/60hz)的过程。并网逆变器并网或并网逆变器(GTI)有两个主要功能。并网逆变器的一个功能是从存储设备(直流电源)向交流负载提供交流电,而并网逆变器的另一个功能是向电网提供额外的电力。并网逆变器也称为公用事业互动逆变器、电网互联逆变器或电网反馈逆变器,它们同步电流的频率和相位以适应公用电网。通过增加逆变器电压的电压电平,将功率从直流电源传输到公用电网。
双峰逆变器双峰逆变器既可作为并网逆变器工作,也可作为独立逆变器工作。这些逆变器可以将来自可再生能源和存储设备的额外能量注入电网,并在可再生能源产生的能量不足时从电网收回电力。换句话说,这些逆变器可以根据负载的要求作为独立逆变器和并网逆变器运行。双峰逆变器是多功能的,包括独立逆变器和并网逆变器的功能。
双峰逆变器的功能会随着负载而变化。如果电网出现问题或当可再生能源的功率足以满足负载时,其功能将更改为独立逆变器(它成为独立逆变器)。在这种情况下,转换开关会断开逆变器与电网的连接。一旦可再生能源开始产生额外的能量,运行模式就会从独立模式转变为并网模式。逆变器与逆变器同步其相位和频率,并开始将额外的能量注入电网。六、按输出波形分类理想的逆变器是指将直流信号转换为纯正弦交流输出的逆变器。实际逆变器的问题在于它们的输出信号不是纯正弦的。根据输出波形,逆变器分为三大类:方波逆变器这些是将直流电转换为交流电的最简单的逆变器,但输出波形不是所需的纯正弦波。这些逆变器在输出端具有方波。换句话说,这些逆变器将直流输入以方波的形式转换为交流。同时,方波逆变器也更便宜。这些逆变器的最简单结构可以是H桥逆变器。如图所示,在变压器之前使用SPDT(单推双掷)开关可以实现更简单的版本。该变压器还将有助于实现任何理想的输出电压水平。
给定模型的工作操作极其简单。只需打开和关闭开关就会同时改变输出端的电流。换言之,以所需频率切换单刀双掷将在典型逆变器(即中心抽头变压器)的输出端产生交流方波。一个典型的正弦波的谐波失真为约45%,这可以通过使用可进一步降低过滤器将过滤掉一些谐波。准正弦波逆变器准正弦波逆变器或简称为具有阶梯正弦波的修正正弦波逆变器。换言之,这些反相器的输出信号以正极性逐步增加。触及正峰值后,输出信号开始逐步下降,直至负峰值,如图所示。
准正弦波逆变器的结构比纯正弦波逆变器简单得多,但比纯方波逆变器要复杂一些。虽然这些逆变器的最终输出波形不是纯正弦波,但输出的谐波失真仍降低到24%。滤波会进一步减少失真,但失真量仍然很大。由于这个原因,这些逆变器不是驱动包括电子电路在内的多种负载的首选。准正弦波可能会永久损坏电路中有定时器的电子设备。如果与准正弦波逆变器连接,所有带有电机的电器将无法像连接纯正弦波逆变器那样高效工作。此外,波形的快速转变可能会引起噪声。由于这些问题,准正弦波逆变器的应用受到限制。纯正弦波逆变器纯正弦逆变器将直流转换为几乎纯正弦交流。纯正弦波逆变器的输出波形仍然不是理想的正弦波,但比方波和准正弦波逆变器平滑得多。纯正弦波逆变器的输出波形具有极低的谐波。谐波是具有不同幅度的基频奇数倍的正弦波。谐波是非常不受欢迎的,因为它会导致各种电器出现严重问题。通过使用各种PWM技术,然后将输出信号通过低通滤波器,可以进一步减少这些谐波。
纯正弦波逆变器的构造和工作比方波和修正方波逆变器复杂得多。这些逆变器优于前两种逆变器,因为大多数电气设备需要纯正弦波才能更好地运行。如前所述,方波或准正弦波逆变器会损坏电器,尤其是那些装有电机的电器。因此,对于实际用途,使用纯正弦逆变器。七、按输出电平数量分类任何逆变器的输出电平数可以至少为两个或两个以上。根据输出电平的数量,逆变器分为两电平逆变器和多电平逆变器两类。两电平逆变器两电平逆变器有两个输出电平。输出电压在正负之间交替,并以基本频率(50Hz或60Hz)交替。一些所谓的“双电平逆变器”在其输出波形中具有三个电平。将三电平逆变器归入这一类的原因是因为其中1个电平是零电压。实际上零是第三级,但它仍被归类为两级逆变器。二电平逆变电路由源极和一些控制电流或电压的开关组成。由于开关损耗和器件额定值的限制,两电平逆变器在高压应用中的高频操作方面受到限制。然而,开关的额定值可以通过串联和并联组合来增加。两电平逆变器中提供正半周的一组开关称为正组开关,而提供负半周的另一组开关称为负组。由于以下原因,不优选两电平逆变器。逆变器需要使用最少数量的开关和最少的电源进行操作,以在小电压阶跃中转换功率。较小的电压阶跃将提供高质量的波形。此外,它还可以降低负载上的电压(dv/dt)应力和电磁兼容性问题。因此,多电平逆变器是更实用的首选。多电平逆变器(MLI)多电平逆变器将直流信号转换为多电平阶梯波形。多电平逆变器的输出波形不是直接正负交替,而是多级交替。由于波形的平滑度与电压电平的数量成正比。因此,多电平逆变器会产生更平滑的波形。如前所述,这种特性使其可用于实际应用。