时间:2022-05-10 14:25
人气:
作者:admin

电力系统中的PT连接方式和PT的变比会对测试仪的测量结果产生很大的影响,如果PT的连接方式和变比选择不正确,测量结果将不是系统的真实电容电流值。因此为了测得正确的数据,在测试前必须对电力系统中PT的接线方式及PT变比有一个清晰的了解。本测试仪内置7种PT连接方式及其对应的PT变比,便于用户选择,分别是:3PT、3PT1、3PT2、4PT、4PT1、1PTT。这6种方式基本上包括配电系统中各种常用的PT接线方式。
3PT: UL31003

3PT1:UL3100

3PT2:UL31003

4PT: UL31003

4PT1:UL31003+1003

1PT: UL31003

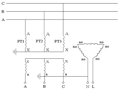
这种连接方式分“N接地”、“B相接地”两种,分别如图5和图6所示。
对于这两种方式,均从N-L两端注入测试信号。根据所用PT的不同,组成开口三角的二次绕组可能是100/3(V)、100(V)、100/3

(V)绕组,这样,测量时PT的变比分别为:UL31003

、UL3100

、UL31003

(其中UL

为电力系统的线电压,如6kV、10kV或35kV)。这三个变比分别对应于测试仪“PT方式”选择中的3PT、3PT1、3PT2三种连接方式。

图5 3PT连接方式,N接地

图6 3PT连接方式,B相接地
1 测量范围更宽,测试速度更快。
支持3PT连接方式、两种4PT连接方式、1PT连接方式现场电容电流测量,以及针对现场4PT连接方式测量不准的情况而提出的电容器组中性点异频信号注入法。
工业级彩色液晶显示屏,分辨率320×240点阵,强光下可读。
人机交互界面更加友好:
(1)对于一些重要的操作及参数设置,显示其提示信息和帮助说明。
(2)测量结果及相关参数显示和打印更加详细,便于用户日后分析。
(3)选择PT连接方式时,可显示各种PT连接方式下的接线原理图,便于用户判别现场PT连接方式及测试线连接位置。
(4)屏幕顶部状态栏实时显示优盘插入状态,对未连接的设备进行操作时,显示相应的未连接提示信息。
实时测量和显示零序3U0电压值,便于用户判断系统工作状态;并且,在测量工程中如果发现零序3U0电压过高,可自动停止测量过程。
具备多重零序3U0过压保护电路,测试仪输出端可耐受AC100V 50HZ电压而不损坏。
图5、图6所示的系统运行方式是从PT开口三角测量系统电容电流时所必须的运行方式。而对于一般的系统,并不都是处于这样的运行方式下,例如在系统中还接有消弧线圈、PT高压侧中性点接有高阻消谐器、PT开口三角接有二次消谐装置等。这时,为了使用测试仪进行容性电流的测量,必须将运行方式转换为图5或图6所示的运行方式。
常见的采用3PT接线方式的其运行方式如图7所示

图7 常见的采用3PT接线方式的运行方式
测试步骤:
(1)检查测量用的PT高压侧中性点是否安装有高阻消谐器,如有,将其短接。从测量原理可知,选用哪组PT进行测量,我们就只考虑这组PT的接线情况。而无需关心系统内的其他PT的情况。如果系统中有些PT安装高阻消谐器,有些没安装,则完全可以从没有安装高阻消谐器的PT进行测量,这样可以省去短接消谐器的工作。
(2)检查消弧线圈是否全部退出运行。在有电气联系的被测电压等级系统中所有消弧线圈均要退出运行,并非只退出该变电站的消弧线圈。同时只考虑被测电压等级的情况,无需考虑其他电压等级的情况。例如,被测变电站A为10kV系统,并通过联络线与变电站B的10kV系统相连,变电站A有2台消弧线圈,变电站B有1台消弧线圈,则测量时有电气联系的这3台消弧线圈均要退出运行;而35kV系统有无消弧线圈则无需考虑。
(3)退出PT 开口三角的消谐装置。如果经过实测证明,开口三角所接的某些厂家某些型号的二次消谐装置对测量结果没有影响,则消谐装置可以不退出运行。一般对于微电脑控制的消谐器,其只有在系统有谐振发生时才动作,该类消谐器一般对测量无影响。
(4)如果PT二次侧并列运行(很少见),则将其改为单独运行。
(5)确保将测试仪的电流输出端正确接到图6的开口三角N-L上。一般在二次的端子编号为N600和 L630。为了确保连接正确,可以按下列方法进行检查:用万用表分别测量PT二次侧三相电压和开口三角电压;将三相电压中的最大值减去最小值得到的差和开口三角电压比较,如果两者差不多,就说明找到的开口三角端是正确的;如果两者差别很大,则说明没有正确找到开口三角端。例如,测量得到三相电压分别为61V、60V、59.5V,则正确的开口三角电压应为1.5V左右,如果测量得到的开口三角电压仅为0.2V,说明所找的开口三角端不正确或PT开口三角连线已经断开(在现场实测中发现有多个变电站的PT 开口三角连线断开情况)。
(6)选择正确的PT变比,也就是选择正确的PT接线方式。电容电流测试仪是通过选择PT连接方式和设定系统额定高压来确定PT变比的,这样对于试验人员会更方便、快捷。PT一般是采用100/3V的二次绕组连接成开口三角,但也有特殊的情况,有些变电站的PT采用100V二次绕组组成开口三角。为了确保选择变比的正确,可以通过测量组成开口三角的各绕组的电压来确定。
(7)完成以上操作后,就可以使用电容电流测试仪进行电容电流的准确测量