时间:2022-04-18 11:19
人气:
作者:admin
摘要:漏电保护的主要作用是为了在电气运输过程中,保护电路,其可合理识别不正常电流,在发现漏电后,及时自动切断电源。在煤矿生产中,科学采用漏电保护措施,不论是对生产质量的提升还是生产工人的安全都有重要的作用。

0 概述

电气安全是人们生产和生活的基础要求和保障,但是实际用电过程中,由于操作不当或是外界环境因素的影响,经常会出现各种各样的用电安全事故,电气安全事故的发生不仅会危害操作人员的安全,同时其还将会造成较大的经济损失。因此,在各项生产工作中,需要做好电气安全保护工作。

01 煤矿漏电产生的原因

煤矿井下,由于巷道窄小、潮湿,有滴水、接触电气设备的机会多,因此很容易引发漏电、触电事故。生产中漏电现象一般由以下几种原因造成:
1.1 电缆及电器设备运行环境潮湿
电缆及电器设备长期在潮湿的环境中使用运行,导致电气设备受潮老化、电动机绕组散热不良、绝缘材料变质而造成漏电现象的发生。
1.2 施工安装不当
电缆与设备连接时,由于芯线接送不牢,封堵不严、压板不紧,运行或移动时造成接头脱落或接头松动,使相线与金属外壳直接搭接而漏电,或者是因接送发热过度使绝缘损坏而触电。
1.3 日常管理不到位
在日常管理中未能对对已受潮或遭水淹的电气设备及时处理,任其在该种环境下继续使用。
1.4 因意外事故引起漏电
顶板掉落、矿车出轨、支柱倾倒等意外机械事故都会对电缆造成损伤发生漏电;大气过电压沿下进电缆入侵,击穿其对地绝缘同样会发生漏电。

02 煤矿漏电故障的危害

煤矿井下低压电网大部分在采区,环境条件恶劣,又是工作人员和生产机械比较集中的地方,电网若发生漏电,将导致以下危险:
2.1 可能造成人身触电
当电气设备因绝缘损坏而使外壳带电,而工作人员又接触此外壳时,一部分入地电流将会通过人体,其数值达到危险值时就会造成工作人员的伤亡。
2.2 引起瓦斯及煤尘爆炸
我国大部分煤矿都存在瓦斯和煤尘爆炸的危险,当电网发生单相接地或设备发生单相碰壳时,在接地点就会产生电火花,若此电火花足够,就可能点燃瓦斯和煤尘。
2.3 使电雷管无准备引爆
漏电电流在其通过的路径上会产生电位差,漏电电流的数值越大,所产生的电位差就越大。如果电雷管两端引线不慎与漏电回路上具有一定电位差的两点相接触,就可能发生电雷管无准备爆炸的事故。
2.4 烧损电气设备,引起火灾
长期存在的漏电电流,在通过设备绝缘损坏处时将散发出大量的热,使绝缘进一步损坏,甚至使可燃性材料着火燃烧。
2.5 严重影响生产
按规程要求,一旦电网发生漏电,就需要停电处理,因而严重影响生产,降低煤矿企业的经济效益。

03 预防触电的方法

预防触电的方法很多,除应认真贯彻、执行《煤矿安全规程》的有关规定外,还应结合生产的特点,采取以下安全措施:
3.1 使人身不接触和不接近带电体
将带电裸导体置于一定高度、或者加保护遮拦,使人身接触不到;矿用电气设备的外壳与外盖间,设置可靠的机械闭锁装置,以保证未合上外盖,不能送电;通电后,不能打开外盖。操作高压回路,需要戴绝缘手套、穿绝缘靴,以防触电。
3.2采用较低的电压供电
人身接触机会多的电气设备造成触电的机会较多,为保证安全、应采用较低的电压供电。例如:手持煤电钻、照明设备等工作电压不得超过127V ,井下控制回路的电压不得超过36V。
3.3 设保护接地装置
当电气设备的绝缘损坏时,可能使正常不带电的金属外壳或支架带电,如果人身触及这些带电的金属外壳或支架,便会发生触电事故。
为了防止这种触电事故,应采取合理的保护接地措施,即将正常时不带电的金属外壳和支架接地,确保人身安全。用来实现电气设备外壳或支架接地的引线和接地木及,称为接地装置。
3.4 设漏电保护装置
《煤矿安全规程》规定,矿井高压和低压电网需要装设漏电保护装置。一旦发生人身触电事故,应立即切断电源,确保安全。

04 漏电保护装置应用目的

4.1 保护工作人员的安全
各种电气设备发生漏电后,如果工作人员触碰到漏电的电气设备,可能会因此触电,对工作人员的人身安全造成较大的威胁。而漏电保护装置使用能够对电器设备起到保护作用,在实际生活中,人体触碰到不同数值的额定电流时,身体所产生的反应存在较大差异。额定电流值的数值大小和触碰时间长短,所造成的损伤也不同。结合欧姆定律分析可以知道电流和电压是成正比的。在对电流和电压等进行分析之后,然后设计出合理的继电保护装置,在电气设备漏电之后,当人体触碰到这些设备后,电源会自动切断,继而达到保护人体安全的目的。
4.2 防止电气火灾发生
电气火灾也是电气设备漏电之后经常会发生的一种现象,其属于接地故障,接地故障的给定电流值比较小,因此线路故障点很少发生熔焊的现象,但是其却容易导致电弧之间的错位和地故障点形成电流。以2A电流为例,当形成的高压温度大于2000℃时,就容易发生火灾,进而导致周围的可燃物燃烧。针对这种现象,在部分电气设备使用不叫频繁的场所,需要要安装好漏电保护装置,进而合理地杜绝各种安全隐患及火灾的发生。
4.3 减少对电气设备的损耗
电气设备使用期间,出现漏电事故之后,很容易造成电气设备损耗,如漏电引发火灾后,毕竟会对各种电气设备造成损害。同时,频繁的漏电故障还可能导致电气设备磨损,影响设备各项性能的正常使用,而漏电保护装置的安装,能够及时地发现设备使用期间出现的各种故障,进而减少设备损耗。

05 剩余电流继电器产品概述

随着社会经济的飞速发展,社会电气化程度不断提高,用电安全成为重要研究课题。常见的相与相间发生短路可以产生很大电流,可采用开关保护,而发生人体触电、线路老化而导致的电流泄露产生的火灾以及设备的接地故障都是由于漏电流所造成,漏电流一般都在30mA-3A,这些值很小,传统开关无法进行保护,所以需要采用剩余电流动作保护装置。
剩余电流继电器是由剩余电流互感器来检测剩余电流,并在规定条件下,当剩余电流达到或超过给定值时,使电器的一个或多个电气输出电路中的触点产生开闭动作的开关电器。
下面介绍三种常见的漏电情况:
5.1 防直接接触电击需要采用I△n≤30mA的高灵敏度的RCD。
5.2 防间接接触电击可采用I△n大于30mA的中灵敏度的RCD。
5.3 防火RCD需采用4木及或2木及RCD。

对于IT系统,按规定采用剩余电流继电器。为防止系统绝缘降低和作为二次故障后备保护,依据接线型式,采用类似 TT 或 TN 系统的保护措施。首先应采用绝缘监视装置,预测一次故障。
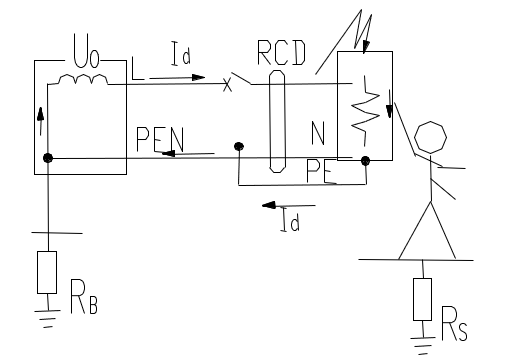
对于TT系统,推荐采用剩余电流继电器。因为当发生单相接地故障时,故障电流很小,且较难估计,达不到开关的动作电流,外壳上将出现危险电压。此时N线需要穿过剩余电流互感器。
对于TN-S系统,可采用剩余电流继电器。更快速灵敏切断故障,以提高安全可靠性,此时 PE 线不得穿过互感器,N 线需要穿互感器,且不得重复接地。
对于TN-C系统,不能采用剩余电流继电器。因为 PE 线和 N 线合一,若 PEN 线不重复接地,当外壳带电,互感器进出电流相等,ASJ拒动;若PEN线重复接地,部分单相电流将流入重复接地,达一定值后,ASJ 误动。需将TN-C系统改造成TN-C-S系统,同TN-S系统,再将剩余电流互感器接入TN-S系统中。




06 ASJ系列剩余电流继电器产品简介

安科瑞电气ASJ系列剩余电流继电器能够满足上述几种漏电情况的防护,与遥控跳闸开关联用,及时切断电源,防止间接接触、限制漏电电流。也可以直接作为信号继电器,监控电力设备。特别适用于学校、商厦、工厂车间、集贸市场、工矿企业、国家消防单位、智能大厦与小区,地铁、石油化工、电信及国防等部门用电的安全保护。ASJ系列产品主要有两种安装方式,ASJ10系列为导轨安装,外形和功能如下表所示:
ASJ20系列为面板安装,外形和功能如下表所示:
其中AC型和A型剩余电流继电器的区别是:AC型剩余电流继电器是对突然施加或缓慢上升的剩余正弦交流电流能确保脱扣的剩余电流继电器,主要监测正弦交流信号。A型剩余电流继电器是对突然施加的或缓慢上升的剩余正弦交流电流和剩余脉动直流电流能确保脱扣的剩余电流继电器,主要监测正弦交流信号和脉冲直流信号。仪表具体的接线端子和典型接线如下所示:


07 结语

ASJ系列剩余电流继电器产品能够监测线路中的漏电流,当漏电流达到或者超过设定值时,内部继电器动作,发出告警,并能与断路器开关联动,快速切断线路,保证线路安全,ASJ系列剩余电流继电器的使用,可为煤矿企业的安全用电提供了保障。

请旋转手机
查看更多精彩
点我

下一篇:真菌毒素检测仪能检测哪些项目