时间:2022-04-26 14:25
人气:
作者:admin
本文博宇讯铭是以鼎阳科技SDS2000XHD系列示波器讲解示波器的触发
什么是触发
触发,是指按照需求设置一定的触发条件,当波形中的某一段满足这一条件时,示波器即时捕获该段波形及其相邻部分,并显示在屏幕上。
触发的作用有两点:第一,隔离感兴趣的事件。第二,同步波形,或者说稳定显示波形。
只有稳定的触发才有稳定的显示。触发电路保证每次时基扫描或采集都从输入信号上与用户定义的触发条件开始,即每一次扫描和采集同步,捕获的波形相重叠,从而显示稳定的波形。
触发电平
不论是模拟触发还是数字触发,都必须设置正确的触发电平。示波器在信号跨越触发电平的时刻判断波形是否满足触发条件,当满足条件时,该时刻就是触发位置。如下图,设置触发条件为上升沿的边沿触发,当具有正斜率的信号跨越触发电平时,触发条件满足,跨越的时间点即为触发位置。

触发模式
自动(Auto):在自动触发模式中,如果超过定时值仍未找到满足触发条件的波形,示波器将进行强制采集一帧波形数据,在示波器上显示。自动模式适用于:检查DC信号或具有未知电平特性的信号。
注意:在自动模式下,当信号满足触发条件仍然不能稳定触发时,可能是信号的周期超出自动模式下的定时器定时值造成的。此时可尝试使用正常触发模式。
正常(Normal):只有满足触发条件时才会进行触发和采集;不满足条件时保持上一次波形显示,等待下一次触发。正常模式适用于:只需要采集由触发设置指定的特定事件;较为罕见的触发事件,使用正常模式可防止示波器自动触发,从而使显示稳定。
单次(Single):当输入的信号满足触发条件时,示波器即进行捕获并将波形稳定显示在屏幕上。此后,即使再有满足条件的信号,示波器也不予理会。需要进行再次捕获须重新进行单次设置。单次模式适用于:捕获偶然出现的单次事件或非周期性信号,如上、下电波形;较为罕见的触发事件。
强制(Force):无论输入的信号是否满足触发条件,强制触发一帧。前面板没有对应强制触发的按钮,该功能通过连续按两次Single键实现。
边沿触发
边沿触发通过查找波形上的指定沿(上升沿、下降沿、上升&下降沿)和电平来识别触发。可以在触发设置对话框中设置触发源和斜率。

斜率触发
斜率触发设置示波器在指定时间的正斜率或负斜率上触发。可以在触发设置对话框中设置触发源和斜率(上升沿、下降沿)、限制条件、时间,以及在触发快捷菜单中设置高/低触发电平。

脉宽触发
脉冲触发将示波器设置为在指定宽度的正脉冲或负脉冲上触发。可以在触发设置对话框设置触发源、极性(正脉宽、负脉宽)、限制条件和脉宽时间。

视频触发
视频触发可用于捕获大多数标准模拟视频信号及高清视频信号的复杂波形。触发电路可检测波形的垂直和水平间隔,并基于所选的视频触发设置产生触发。

窗口触发
窗口触发类似于边沿触发,不同之处在于可通过调节两个触发电平使波形同时在上升沿或下降沿上触发。

间隔触发
连续两个上升沿(或下降沿)之间的间隔满足所设定的时间条件时触发。连续两个上升沿间隔时间小于设定时间值时触发示意图如下:

超时触发
超时触发分两种类型:边沿超时和状态超时。
边沿
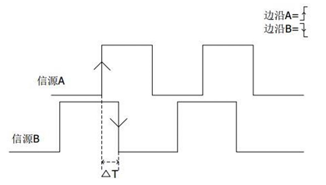
从输入信号的上升沿(或下降沿)通过触发电平开始到相邻的上升沿(或下降沿)通过触发电平结束的时间间隔(△T)大于设定的超时时间时触发。如下图所示:

状态
从输入信号的上升沿(或下降沿)开始通过触发电平到相邻的下降沿(或上升沿)通过触发电平结束的时间间隔(△T)大于设定的超时时间时触发。如下图所示:

欠幅触发
欠幅触发用于触发跨过了一个触发电平但没有跨过另一个触发电平的脉冲,如下图所示:

码型触发
码型触发通过查找特定码型而识别触发条件。码型是指多个通道的逻辑关系(与,或,与非,或非)的组合,每个通道的值可设为“无效(Don’tCare)”、“低(Low)”、“高(High)”。如果所有通道的码型都设置为“无效(Don’tCare)”,示波器将不会触发。逻辑关系为与、非时,将在逻辑运算后的结果由真到假时触发,即为组合波形的下降沿触发;逻辑关系为或、与非时,将在逻辑运算后的结果由假到真时触发,即为组合波形的上升沿触发。

前提边沿触发
前提边沿触发是一种满足用户定义的前提条件后的边沿触发。因此,前提边沿触发有两个源:一个是边沿触发源,另一个是前提信源。

第N边沿触发
第N边沿触发是一种在满足用户定义的空闲时间和边沿数条件后的边沿触发。如下图所示,当脉冲串之间的空闲时间大于指定的空闲时间时,在脉冲串的第3个下降沿上触发:

延迟触发
延迟触发是满足信源A设置条件和用户定义的延迟时间后,对信源B的边沿触发。其中信源A的设置与码型触发类似,可对多个通道进行逻辑”与”组合。

建立/保持触发
建立保持触发需要设置时钟源和数据源。建立时间从数据信号跨过触发电平时开始,至指定的时钟边沿到来时结束;保持时间从指定的时钟边沿到来时开始,至数据信号再次跨过触发电平时结束(如下图所示)。当建立时间或保持时间满足预设的时间限制条件,示波器将触发。

免责声明:本文全部内容涉及到的产品信息、商标、著作权等内容均来自于各自厂商的网站或彩页,版权归其所有,引用的目的在于传递更多信息。本文所有内容仅供参考,不是相关的建议和推荐。本文所有内容均用于传递更多信息,不承担因疏忽或失误造成的直接责任和连带责任。
下一篇:测试用例质量的重要性