时间:2022-03-03 09:28
人气:
作者:admin
安科瑞 华楠
摘要:介绍北汽瑞丽汽车10KV配电工程的电力监控系统,采用智能电力仪表采集配电现场的各种电参量和开关信号。系统采用现场就地组网的方式,组网后通过现场总线通讯并远传至后台,通过Acrel-2000型电力监控系统实现变电所配电回路用电的实时监控和电能管理。
关键字:电力监控系统;北汽;Acrel-2000;智能电力仪表;
0 引言
随着数字化技术的不断发展,越来越多新型、智能的用电设备涌入了人们的生活,但是各种设备引起的电磁干扰问题也随之而来,例如电压突变、频率偏差等,电压不平衡度、谐波干扰等电能质量问题也越发严重,这些问题不仅在一定程度上降低了设备的整体效率,还对整个供电系统的纯净度和稳定性造成了影响,这是要关注并要解决的问题。 Acrel-2000是利用智能电力监测装置,结合现场总线及以太网通信技术,运用计算机和软件技术,综合构成的电力监控系统。采用分布式的网络结构,实现了对企业配电终端的管理,实现了对高低压系统等设备的实时监控采集分析电力数据。
1 项目概述及建设目标
北汽云南瑞丽汽车有限公司(简称“北汽瑞丽公司”)成立于2013年12月20日,由北汽集团、景成集团共同投资组建,以建设年产能15万辆的北汽云南汽车产业基地为目标,规划建设整车项目、零部件项目、仓储物流项目、综合配套项目。基地位于国家一类口岸—瑞丽畹町经济开发区芒满通道一侧,项目总占地近2000亩,计划总投资36亿元。项目一次规划,分阶段实施。一期规划年产能5万辆,产品涵盖符合中国西南区及缅甸等东南亚国家市场需求的交叉车型微卡、微面等汽车;二期规划年产能10万辆乘用车生产线及零部件、物流配套设施。2013年12月25日举行项目奠基后按规划有序推进实施,预计2015年底可出汽车产品,2016年实现批量投产。 本项目通过对北汽瑞丽汽车配电房内的10KV配电柜内的综保进行实时数据采集,并通过数据处理后实时显示一次图状态以及各用电回路的电压、电流、功率等信息,利用各回路的用电量定制电能报表。
2 电力监控系统的设计
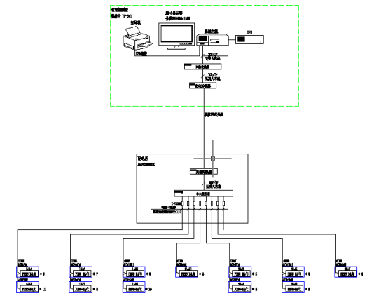
在监控系统的设计中,要充分考虑客户的实际需求,以及电力系统的实际结构、电力系统的实际载荷能力等因素,进而合理的选择监控设备,这既有利于减少系统运作的成本,同时也有利于系统功能的实现。本项目的电力监控系统,可以实现对10KV的配电回路的实时监控,实现电网运行的远程监控和集中管理。另一方面,电力监控系统还具备网络通讯等功能,能够与计算机、串口服务器等设备进行组合,及时的显示站内各个配电回路的运作状态,当站内电力系统的负载越标时,电力监控系统能够迅速报警,发出语音提示。另外,电力监控系统还能够生成报表、曲线图等统计信息,便于有关人员分析站内各部分的用电状况,使站内的用电活动更加安全,从而保证站内人员的生命安全,提高车站工作人员的工作效率。 2.1 系统结构 北汽瑞丽汽车10KV电力监控系统建设采用分层分布式结构,系统包括:站控管理层、网络通讯层、现场设备层。系统网络结构如图所示:

站控管理层管理人员与计算机进行人机交互的直接窗口,对采集的现场各类数据信息计算、分析与处理,并以图形、数显、声音等方式反映现场的运行状况,是系统的上层部分。主要由系统软件和必要的硬件设备,如工业级计算机、打印机、UPS电源等组成。 通讯层使用的设备为串口服务器。该层是数据信息交换的桥梁,负责对现场设备回送的数据信息进行采集、分类和传送等工作的同时,转达上位机对现场设备的各种控制命令。 现场设备层主要是连接于网络中用于电参量采集测量的各类型的安科瑞PZ72L-E4/C仪表,也是构建该配电系统必要的基本组成元素。现场配置居正的电能表,实现低压回路三相电流、三相电压、频率、功率、四象限电能等电参量监测;并对每个回路断路器分合闸状态进行监测。 2.2 网络设计 电力监控系统中的网络系统能够及时的对数据进行传输,并迅速传递操作指令,是实现电力监控系统各项功能的基础。把现场每个设备就地与总线连接,之后在把各条总线全部接入串口服务器,来实现与主机的传递。 本项目的网络设计为:每个配电房内设计一个数据采集箱,电力仪表通过RS485总线接入数据采集箱内的数据采集器,通过光电转换器转换为光信号,通过光纤传输到值班室内,再通过值班室内的光电转换器接入站控层内的监控主机。 2.3监控系统软件功能设计 系统依据客户实际需求进行设计,并实现了一次主接线图界面显示;电参量遥测及电参量越限报警;事件记录;系统运行异常监测;故障报警及操作记录;报表查询与打印;系统负荷实时、历史曲线,用户权限管理等主要功能。 2.3.1数据的采集与处理 数据采集主要包括模拟量以及开关量的采集。模拟量的采集主要是对线路电压、电流、功率、功率因数、频率等信息进行采集,开关量的采集则主要是对断路器的工作状态,以及断电保护、运行故障等报警信息进行采集,实现远程数据的本地实时显示。数据处理主要是把按要求采集到的电参量实时准确的显示给用户,达到配电监控的自动化化要求,同时把采集到的数据存入数据库供用户查询。

2.3.2数据报表统计 电力监控系统以丰富的数据报表体现计量体系的完整性。系统具备各回路定时抄表汇总统计功能,用户可自由查询自系统正常运行以来任意时间段内各配电节点的用电情况,即该节点进线用电量与各分支回路消耗电量的统计分析报表。该功能使得用电可视透明,并在用电误差偏大时可追溯,维护计量体系的正确性。


2.3.3电流曲线查询 电力监控系统对配电系统总进线回路(或重要负荷的出线)设计了负荷趋势曲线。便于配电维护人员及时掌握用电需求与供电系统负荷占比,确保供电可靠性,为用户单位的用能权益提供保障。借助该功能,还可分析用能需量的增长趋势,适时调整需量申报,减少因需量偏差过大造成的多余缴费。其次,电力监控系统的数据记录功能也包括对故障信息的记录,即对故障发生时的实时电流、实时电压等数据进行记录存储。电力监控系统能通过管理人员对电压、电流及功率的设置,从而实时监测配电情况,是否出现短路或者超负荷等情况,便于工作人员解决。

2.3.4用户权限管理 电力监控系统为了本项目系统安全稳定运行,用户权限管理能够防止未经授权的操作(如配电回路名称修改)。可以定义不同级别用户的登录名、密码及操作权限,为系统运行维护管理通过可靠的安全保障。

3建设电力监控系统的意义 随着社会的发展及电力的广泛应用,电力监控系统已成为全国各地工程项目、工业企业等大面积多变电所用户的必然选择,本文介绍的Acrel-2000电力监控系统在北汽瑞丽汽车的应用,可以实现对变电所10KV配电回路用电的实时监控与电能管理,不仅能显示回路用电状况,还具有网络通讯功能,可以与串口服务器、计算机等组成电力监控系统。系统实现对采集数据的分析、处理,实时显示变电所内各配电回路的运行状态,对分合闸、负载越限具有弹出报警对话框及语音提示,并生成各种电能报表、分析曲线、图形等,便于电能的远程抄表以及分析、研究。该系统运行安全、可靠、稳定,为变电所用户解决用电问题提供了真实可靠的依据,取得了较好的经济效益。