时间:2022-08-05 10:56
人气:
作者:admin
嵌入式电表或分表为智能插头、家用电器和其他耗电设备等单个产品提供能量监控功能。对于产品设计人员而言,提供这些分表功能的挑战通常更多地取决于设计的简易性以及所需的功率测量精度。在构建有效的分表计量解决方案时,工程师可以使用来自ADI、Atmel、Freescale Semiconductor、Maxim Integrated、STMicroelectronics和Texas Instruments等制造商的各种集成设备实现所需的简单性和复杂性平衡。
物联网 (IoT) 等趋势有望显着提高电子传感和控制的分辨率,智能设备的普及几乎渗透到生活的方方面面。分表提供了几乎相同类型的改进,为房主和企业运营商提供有关单个产品消耗功率的细粒度信息。这些设备不是通过电表测量的总功耗,而是帮助个人更好地了解其家庭和设施中能源消耗的来源和原因。
然而,作为所有电表的基础,电压和电流的可靠测量对于计算各种重要参数(包括有功、无功和视在电能)至关重要;有功、无功和视在功率;功率因数;峰值电流和电压;和RMS电流和电压。除了这些通用功能之外,随着开发人员发现对连接性、安全性和监控功能的需求不断增长,智能电表设计的复杂性也在不断发展(图 1)。

图 1:电表的复杂性随着对准确性、连接性、安全性和附加功能的更高需求而增加。(德州仪器提供)
相比之下,亚表保持更适度的要求,并以尽可能低的成本争取足够的能力。在许多情况下,分表设计可以将要求降低到基本的电能测量,利用嵌入分表功能的主机应用程序中的连接性、安全性和其他功能。此外,功率测量的精度和各种导出参数的精度随电能表的类型而显着变化。公用事业公司用于计费的电表通常需要 0.1% 的准确度(0.1 级电表)。相比之下,嵌入在家电和智能插头中的电能表在为用户提供合适的用电量信息方面的准确度要求要宽松得多。
尽管在高端仪表中能量计算可能相当复杂和广泛,但所有的能量计量设计都是从测量瞬时电压和电流开始的。因此,在其最基本的形式中,能量测量设计需要传感器来感测电压和电流值、模拟前端 (AFE) 来从传感器捕获数据、处理单元来执行能量测量计算,以及一些机制来执行能量测量计算。显示这些结果或将数据传输到更高级别的应用程序(图 2)。在分表中,简单的电阻分压器可用作电压传感器。对于电流传感器,设计人员通常可以使用分流电阻器,或者在需要隔离时加入电流互感器或 Rogowski 线圈。

图 2:简单的要求降低了分表和其他非计费电能计量应用的设计复杂性,甚至在具有集成模拟外设的 MCU 可以提供足够的精度时,无需单独的模拟前端。(由飞思卡尔半导体提供)
对于精度要求不那么严格的分表应用,具有集成模数转换器 (ADC) 和其他片上外设的 MCU 非常适合构建简单而有效的分表设计。例如,德州仪器MSP430AFE253超低功耗混合信号 MCU 集成了三个具有差分 PGA 输入的独立 24 位 sigma-delta A/D 转换器、一个 16 位定时器、一个 16 位硬件乘法器、USART 通信接口、看门狗定时器和 11 个 I/O 引脚。
飞思卡尔半导体将其自己的MCF51EM256 MCU 称为片上智能电表。凭借其集成的 32 位 ColdFire MCU、16 位 ADC 和计量专用外设,MCF51EM256 针对电能计量应用进行了优化——甚至包括用于本地显示测量的嵌入式 LCD 控制器。借助这些集成 MCU,电能计量使用片上模拟处理功能进行测量,使用处理器内核进行电能计算。因此,使用这些设备的工程师只需添加几个外部组件即可构建完整的能量测量设计(图 3)。

图 3:借助集成 ADC,Texas Instruments MSP430AFE253 等 MCU 为嵌入式电能计量提供了一种简单而有效的解决方案。(德州仪器提供)
当需要更精确的测量时,飞思卡尔 Kinetis MKM33计量 MCU 等集成 MCU 可以提供精度为 0.1% 的功率计算。MDK33 MCU基于32位ARM Cortex-M0+内核,集成了高精度24位sigma-delta ADC、12通道16位SAR ADC、可编程增益放大器和高精度电压基准。
多核 MCU 的出现为更复杂的单芯片亚表设计提供了有吸引力的解决方案。借助多核器件,设计人员可以在不影响能量测量的情况下完成复杂应用的执行。在这种方法中,一个内核可以用作实时处理器进行能量测量,而另一个内核可以只专注于高级应用程序处理。例如 Atmel公司的SAM4CM的SAM4CMS8、SAM4CMS16和SAM4CMS32成员该系列将一对 ARM Cortex-M4 32 位内核与片上电能计量 AFE 模块以及广泛的嵌入式闪存、SRAM 和片上缓存相结合。片上电能计量模块包括多个高分辨率 Σ-Δ ADC、电压基准、温度传感器和低噪声可编程增益放大器,能够适应各种电流和电压传感器。
虽然使用片上 ADC 和相关外设可以满足许多子计量要求,但需要更高测量精度的应用可以利用专用计量 IC,该 IC 旨在用作基于 MCU 的设计的智能 AFE(参见图 2)。与用于一般数据采集和信号调理的传统 AFE 不同,这些专用设备集成了模拟外设和数字信号处理功能,使它们能够计算关键能量测量值并将其传送到主机处理器。
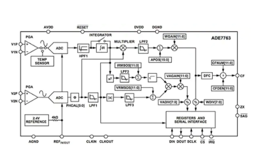
例如,Analog Devices ADE7763(图 4)电能计量 IC 集成了两个二阶 16 位 Σ-Δ ADC、一个数字积分器、参考电路、一个温度传感器,以及生成有功和视在电能测量、线路电压周期测量以及电压和电流通道的 rms 计算。该器件包括一个可选择的片上数字积分器,该积分器提供与 Rogowski 线圈等 di/dt 电流传感器的直接接口,无需外部模拟积分器,同时提供电流和电压通道之间的精确相位匹配。

图 4:Analog Devices ADE7763 等专用电能测量 IC 增强了传统模拟前端功能,具有无需主处理器干预即可执行复杂电能计算的专门功能。(由模拟设备公司提供)
Maxim Integrated 71M6541D计量 SoC 集成了 5 MHz 8051 兼容的 MPU 内核、32 位计算引擎、模拟外设、闪存、RAM、RTC、LCD 驱动器和 SPI 接口等功能。该器件的模拟处理能力的核心采用了 Maxim Integrated 的单转换器技术,包括一个 22 位 delta-sigma ADC、多个模拟输入、数字温度补偿和精密电压基准。这些片上模拟模块与 32 位计算引擎相结合,使该器件能够以极少的外部组件支持广泛的计量应用。
同样,STMicroelectronics STPM01电能计量 IC 结合了 sigma-delta ADC 模块、电压基准、稳压器和固定功能 DSP,以提供有功、无功和视在电能,以及电压和电流的 RMS 和瞬时值。该器件在两个独立通道上执行并行 A/D 转换。反过来,转换后的数据被提供给内部 DSP,后者根据需要过滤和集成这些信号,以提高分辨率并计算所需的测量值。
结论
与用于计费的高端公用事业仪表相比,子计量设计的要求要简单得多。嵌入在智能插头、电器和其他耗电产品中,分表设计可以利用各种可用的 IC 来满足非常广泛的精度要求。虽然具有集成模拟功能的 MCU 可以满足更宽松的精度要求,但 MCU 和专用电能计量 IC 的组合提供了一种精度更高的解决方案。使用可用的 MCU 和计量 IC,工程师可以在设计简单性和将能量测量嵌入任何目标应用所需的测量能力之间找到所需的平衡。
下一篇:知用电流探头连接示波器的操作指南