时间:2022-08-06 17:17
人气:
作者:admin
输入共模电压范围(通常缩写为 VCM 或 VICR)这一术语在模拟领域得到广泛认可,但在比较器领域却难以让人理解。对于放大器,VCM 定义为施加到两个输入端的平均电压。但是对于比较器,其含义完全不同。
比较器的正常运行意味着两个输入端交叉,从而导致输出发生变化。我们来分析一下图 1 所示的同相比较器配置,其瞬态行为如图 2 所示。

图 1:同相比较器配置

图 2:同相比较器瞬态行为
在图 2 中,如果同相端(橄榄绿色)电压大于反相端(红色)电压,则输出(绿色)为高电平。如果反相端电压大于同相端电压,则输出为低电平。比较器的输入 VCM 是两个输入电压相互交叉的开关点。仍可确保正常运行的开关点电压范围称为比较器的输入 VCM。
表 1 显示了 LM393 的 VCM,其范围为负电源电压 V– 至低于正电源电压 V+ 1.5V 或 2V,具体取决于器件的温度。
表1:来自 LM393 数据表“表 6.7 电气特性”

如果在室温下使用 3.3V 电源为该器件供电,则该器件的输入 VCM 介于接地和 1.8V 之间。如果开关点移至高于 1.8V,则器件可能无法正常工作。如果一个或两个输入端电压超出 VCM 的范围,则可能会导致运行不正常。
什么限制了输入 VCM?
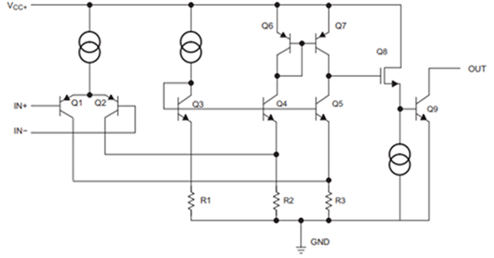
比较器的输入级限制了输入 VCM。让我们首先看一下 TL331 数据表中的功能方框图(图 3)。输入级包含一个 P 沟道、N 沟道、P 沟道 (PNP) 差分对,其发射极连接到一个电流源。为了使差分对上的 PNP 晶体管导通,发射极到基极需要存在电压降 (VEB)(对于 N 沟道、P 沟道、N 沟道配置,为基极到发射极压降 [VBE])。

图 3:TL331 功能方框图
电流源通常是电流镜,如图 4 所示。要使电流源工作,Q2 的发射极至集电极电压需要超过最小正向有效电压要求 (VEC (Sat))。

图 4:PNP 电流镜
随着比较器输入电压的增加,可满足差分对晶体管的 VEB 导通和电流镜晶体管的 VEC (Sat) 的余量越来越小。当这种情况发生时,VEC 开始减小,而 VEB 仍然保持稳定。当 VEC (Sat) 不超过 Q2 时,电流镜的电流产生能力显著降低,因此一些比较器的 VCM 会上升到低于电源电压的值。其他具有 NPN 晶体管输入级的器件指定的 VCM 范围为某个值至正电源电压。
为何即使在超过数据表上输入 VCM 的情况下设计也能有效
数据表中的 VCM 值考虑了跨工艺、电压和温度 (PVT) 的性能。回顾图 4 中的 TL331 示例,可知 VBE 和 VCE 随温度波动。
图 5、6 和 7 显示了 LM393 在与图 1 类似的同相配置下的性能。在这种情况下,电源电压设置为 5V。100Hz、1 Vpp、3.9 VDC 斜坡波形(黄色)连接到同相端,同时将 3.9 VDC 基准信号(紫色)施加到反相端。这是一个应用示例,其中 3.9V 的开关点超出了 VCM 的范围;对于该电源,兼容的 VCM 为 3V 或更低。
在室温下,比较器在超过 3.9V 时工作并切换,如图 5 所示。比较器在温度升高时也能工作,如图 6 所示。当冷却器件时,它开始出现故障,如图 7 中的输出(绿色)所示。

图 5:LM393 在 VCM 范围之外的室温性能

图 6:LM393 在 VCM 范围之外的高温性能

图 7:LM393 在 VCM 范围之外的低温性能
当降低输入电压以确保开关点处于器件的 VCM 范围之内时,该器件在所有温度范围内都能正常工作。斜坡波形现在处于 2V 的较低直流失调电压(以 2V 为基准),确保开关点处于 VCM 范围之内。图 8、9 和 10 显示了 LM393 如何在整个温度范围内正常工作。

图 8:LM393 在 VCM 范围之内的室温性能

图 9:LM393 在 VCM 范围之内的高温性能

图 10:LM393 在 VCM 范围之内的低温性能
可通过单个单元获取所有这些示波器捕获。如果要测试另一个 LM393 样片,则指定 VCM 范围之外的性能可能会有所不同。在室温下,VCM 上限可能与所测试的单元不同。这称为工艺偏差,其中性能可能会因批次差异或不一致的制造工序而有所变化。
该偏差的最后一个部分是电压偏差。在不同的电源电压下,器件的行为可能会有所不同。在图 6、7 和 8 的设置中,如果电源电压增加到允许的 36V 上限,且发生同样的超出 VCM 范围的情况,则性能可能会有所不同。在使用比较器设计系统时,必须使输入处于 VCM 范围之内,以避免这些问题。
结语
当任一输入超出范围时,输入 VCM 可能会导致器件无法正常工作。超出该范围会导致比较器输入级的偏置出现问题。请谨记,如果一个或两个输入端电压处于数据表规格之外,则超出了 VCM 的范围。即使系统在超出 VCM 范围的情况下能够正常工作,它也可能在不同的电源电压、工作温度下或更换集成电路时无法正常工作。在创建使用比较器的系统时,应使每个输入信号处于输入 VCM 的数据表规格范围之内,以维持 PVT 的功能。
编辑:黄飞