时间:2022-04-29 15:13
人气:
作者:admin
越来越多的串行数据分析涉及到系统中同时运行的多个协议的互操作性。USB-C就是这样的一个接口,本文我们介绍使用力科示波器TDMP分析软件进行跨协议的时序测量。
USB Type-C DP Alter Mode
USB-C连接器将许多协议封装到一个小型接口中,保持信号和电源完整性非常重要的。除了高速USB数据传输,USB-PD(电源传输)提供灵活的电源分配,而且提供替代 (Alt Mode) 模式重新配置以支持各种其他接口(如通过DisplayPort传输视频)。对这些功能进行故障定位需要能够测量串行数据包之间以及数据包和模拟信号之间的时序。

USB-PD不仅用于供电协商,它还提供各种Alt-Mode 协议之间的初始换和切换。对于 DisplayPort,在 USB-PD 完成电源协商后,它将使用VDM消息 启动 DP Alt-Mode 以协商切换。
有几种可能的 DisplayPort 配置,TX1、TX2、RX1 和 RX2 线路是两对差分数据通道,可以高达 20 Gb/s 的速度传输信号。DisplayPort 可以使用一对线,让 USB4 使用另一对线,以便两个接口都以相当快的速度运行。或者它可以使用所有四根线来获得最大性能。在后一种情况下,可以使用专用的D+ 和 D- 连接来维持 USB2 级操作。
当 DP Alt-Mode 协商完成后,DPAUX 将继续进行链路训练,以优化 DisplayPort Source和Sink之间的链路,确保流式视频的稳健连接。DPAUX 信号使用 SBU1 和 SBU2 信号引脚,DPAUX 通道处理链路管理和测试模式控制。
USB PD TDMP和DP AUX DMP分析软件
力科USB-PD触发、解码、测量/图形和物理层测试选项(TDMP)是一个示波器软件包,能够触发定位特定的USB-PD消息并解码其内容,解码功能解释BMC编码的 CC 信号中的内容,以及进行物理层测量和眼图测量,并且可以与其他 USB-C 协议在时间上相关联。

同样,DPAUX 解码、测量/图形和物理层测试选项(DP AUX DMP)解码和测量 Alt Mode边带信号 SBU1 和 SBU2,可以解码 DPAUX 读写操作,以及使用眼图表征物理层。

USB Type-C DP Alter Mode切换时序测量
如果在Alt-Mode 启动和 DP-AUX 启动之间存在时序问题,则Alt-Mode下的 DisplayPort over USB-C (DPoC) 会表现为互操作性故障。
验证时序的一种方法是通过USB Type-C调试夹具同时采集 USB-PD 和 DP-AUX 信号,该夹具提供待测设备的USB-PD CC1/CC2 和 SBU 边带信号的测试点。还提供对 VBUS 的测试和用于测量 VBUS 上的电流以调试供电问题的电流环路。

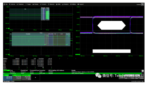
下图是我们的测试配置,使用高阻抗无源探头测试 USB-PD CC1信号,如示波器通道1所示,使用差分探头测试SBU信号,如通道4所示,使用我们的 USB-PD TDMP 和 DPAUX DMP 选项同时采集和解码两个信号,创建一个颜色编码、时间相关交互的数据表,该表可以显示消息之间的相对时间。

通过使用 USB-PD TDMP 符号解码功能,我们可以解读真实的有效载荷数据,例如“SVID”。我们在 USB-PD 表的位描述列中搜索值“SVID= 0xff01”,这是 DisplayPort 的 SVID。这是启动Alt-Mode 之前的最后一条消息,在USB-PD 解码中缩放至此消息时,同时将自动缩放 DP AUX 解码(右下),并准确显示 DP-AUX 何时开始启动。

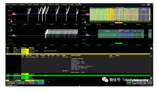
下一步是使用TDMP Measure/Graph 功能测量解码出来的内容,如下图所示,Message-to-Message 自动定时测量可准确确定从一个解码器中的 USB-PD 消息开始到另一个解码器DP-AUX中的消息开始。

此测量应用于协议解码,而不是物理层波形,我们正在查看两种不同协议中两条消息之间的时间延迟。测量结果输出到测量表参数 P1,在这里, Alter Mode消息和 DP-AUX 启动之间的时间为 46 毫秒,这种延迟可能是互操作性失败的根源。
审核编辑:彭菁