时间:2022-01-27 09:14
人气:
作者:admin
随着LED灯珠技术的发展,相较于传统的模拟调光技术,数字调光技术在近几年得到了长足的发展。现如今在灯具市场里有成千上万种调光产品可供选择,在调光驱动选择上我们需要考虑到这些要素。调光平滑度,调光深度,在调光过程中是否有可感知的频闪和纹波。
为了达到调光输出的超细平滑度,首先得了解每个调光等级之间的差别。在每个调光等级间,如果差别越小,则调光越平滑。这样就能在整个调光过程中实现无极调光。如下图所示。

本文案例是一个客户需要快速测量PWM调光时的输出电流线性度和平滑度,进而再进积分球测试亮度线性度。被测器件是一款集成度极高,具备恒压或恒流输出的双模式BUCK和无极性接入的载波二总线芯片。同时客户又担心这种具备总线功能的调光芯片,在总线通讯时会不会对LED调光产生影响。而Buck部分高达1Mhz的开关频率,同时又为电流测量带来了不小的挑战。本文选择使用了TCP0030A探头,此探头可以达到120Mhz带宽,对于高速电流信号的测量非常合适。
我们下面就带着这些问题,一起进入测试和验证。
测试目的:
1,使用AFG31252产生的信号进行PWM调光,使用DMM6500扫描输出电流线性度。
2,使用电流探头测量电感电流,查看在调光时候是否电感饱和,以选择适合的电感。
3,观测在总线通讯时,对调光是否产生影响,是否造成LED闪烁。
测试环境已经搭建完毕:

测试思路


我们先对问题1进行测试:
使用AFG生成PWM调整占空比,此处没有把万用表串入回路,而是用DM6500测量检流电阻电压,计算出灯串电流平均值。由此可以获得如下图表:

就此看来,全占空比调光范围内,线性度还是极好的。在每个AFG驱动的PWM周期,SW都可以快速的响应,电流达到预设值无过充。

我们进而验证在总线通讯时候,LED电流是否会受到影响。得益于TCP0030A具有120Mhz的速度,我们可以观察到可能存在的,非常细小的电流噪音。这对于查找一些莫名其妙的LED闪烁,微亮等异常现象,提供了非常清晰的测量支持。
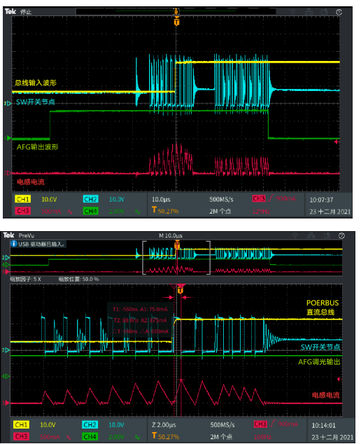
其实从上图中就能看到,在调光PWM信号的关周期时,总线上的载波波形,并没有在LED电流上产生任何尖峰。我们再看一下在EN开周期时的情况。

可见,在总线通讯波形快速变化时,灯串电流依然没有任何的毛刺或者上下过冲。
我们再把电流探头换到电感上,对电感电流进行一下观测。

可见电流在开周期时候最高达到约900mA,得益于TBS2000高达20M的存储深度,ZOOM后波形依然非常清晰,可见目前所选电感未出现电流翘尾的饱和现象。当然,想要更仔细的评估电感的可用度,还需要对各种不同开关模式下的电感电流做更多的测试,可见上一篇文章。这个电流的上升时候仅有640ns!这是一款开关速度1Mhz的恒流LED驱动芯片,低速电流探头是无法测量的,对于这种信号的测量,这款TCP0030A高达120Mhz速度的电流探头,几乎是唯一选择。
客户随后使用串口在二总线上传输MODBUS协议,使用MCU按照AFG给定的频率控制灯串亮度,很快便设计完毕了一款照明灯的方案设计。

