时间:2021-10-27 17:43
人气:
作者:admin
虽然 GaN 功率晶体管因其低能量损耗和高功率密度能力而在电力电子应用中越来越受欢迎,但设计工程师仍然对其可靠性有一些担忧。GaN 功率晶体管的关键问题之一是它们在开关操作期间的动态导通电阻 (RDS(ON)) 增加,这种现象称为“电流崩溃”。当施加高漏极关断电压时,电流崩溃是晶体管结构中被俘获电子的结果。在开启事件期间清除被捕获的电子需要时间,其特征在于动态 RDS(ON) 测量。增加的动态 RDS(ON) 会降低 GaN 功率晶体管的传导损耗并导致更高的温度,这会影响 GaN 功率晶体管和整个系统的可靠性。虽然很多厂商提供“无塌陷”的GaN功率晶体管,但工程师们仍然担心电流塌陷的影响。因此,不仅器件制造商,电源转换器设计工程师也需要准确评估 GaN 功率晶体管的动态 RDS(ON)。
测量 许多工程师都在努力准确评估动态 RDS(ON)。主要有两个原因:1)过驱动,2)示波器动态范围的限制。
当我们测量动态 RDS(ON) 时,我们希望将示波器范围设置为刚好足以监控导通漏极电压 (VDS(ON)),例如 1V/div,从而为我们提供示波器的最佳分辨率。不幸的是,晶体管正在从高漏极关断电压 (VDS(OFF)) 切换,例如 400 V。如果测量范围不足以覆盖 VDS(OFF) 和 VDS(ON),示波器中的放大器会使波形失真)。这种现象称为示波器 [1] 的“过驱动”,会导致示波器放大器饱和和错误的 VDS(ON) 测量。
因此,我们必须将示波器范围设置得足够宽以捕获 VDS(OFF) 和 VDS(ON),以避免输入过驱动。但是,这次我们遇到的问题是示波器的动态范围有限。即使是市场上具有最高垂直分辨率的高端示波器,在 20 MHz 带宽下也只有大约 9 个有效位数 (ENOB)(注意:在大多数情况下,ENOB 是比原始数字更有用的参数ADC 的位数。通常,一些原始位低于放大器的本底噪声,使它们无法使用)。因此,示波器只能识别满量程的 1/29 = 1/512。如果 VDS(OFF) 为 400 V,则最小分辨率将为 400/512 = 0.78 V,这是动态 RDS(ON) 测量完全不可接受的分辨率。
为了克服测试 GaN 功率晶体管时的这一挑战和其他挑战,是德科技开发了一款定制的 GaN 测试板,以与 PD1500A 动态功率器件分析仪和双脉冲测试仪配合使用。为了专门克服示波器动态范围的限制,我们开发了钳位电路。图 1 显示了我们定制的 GaN 测试板。新开发的钳位电路放置在被测设备 (DUT) 的接口附近。正如我们在之前的文章中所讨论的,该板还具有是德科技的无焊 DUT 接口、低插入电感电流传感器和可更换的栅极电阻器,我们称之为可重复和可靠的 GaN 表征 (R2GC) 技术。

图 1. 是德科技定制的采用 R2GC 技术的 GaN 测试板。
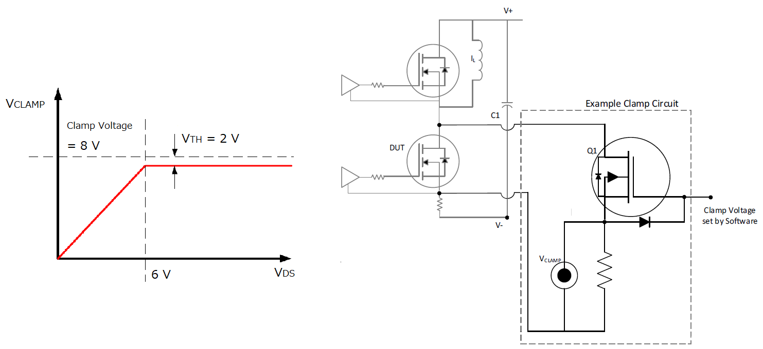
图 2 显示了钳位电路的简化概念。该电路与 DUT 的输出并联放置。例如,假设 Q1 的电压阈值 (VTH) 为 2 V。如果钳位电压设置为 8 V,那么当 DUT 的 VDS 低于 6 V 时,该电路可以准确测量高达 6 V 的电压 VCLAMP。但是, 当 VDS 高于 6 V 时,系统测量不超过 6 V。这意味着示波器可以设置在低电压范围,例如 1 V/div,这为动态 RDS(ON) 测量提供了足够的垂直分辨率. JEDEC 的出版物 JEP173 [2] 中也建议了这种使用钳位电路的测试方法。

图 2. 钳位电路的简化示例。

图 3. 新开发的带有钳位电路的 GaN 测试板获得的 650 V 额定 GaN E-HEMT 的开启开关波形。
我们使用商用 650 V 额定电压 GaN E-HEMT(增强模式高电子迁移率晶体管)评估了我们定制的 GaN 测试板的性能。图 3 显示了在 VDS(OFF) = 400 V、IDS(ON) = 30 A 时 GaN E-HEMT 开关的开启波形。黄色波形显示了钳位漏极电压 (VCLAMP),棕色线显示了 RDS(ON) ) 由 VCLAMP/IDS 计算,使用示波器上的 20 MHz 低通滤波器设置。黄色波形显示测得的 VDS 被钳位在 4.5 V 左右,并且清楚地测量了 2 V 左右的 VDS(ON)。RDS(ON) 波形的峰峰值噪声约为 1 mW(就 VDS(ON) 而言为 30 mV),这比我们上面讨论的原始 VDS 分辨率 0.78 V 精确得多,足以评估动态 RDS (ON) 对于大多数 GaN 功率晶体管。

图 4. PD1500A(带有新开发的钳位电路)和 B1505A 获得的 100 V/10 mW GaN E-HEMT 动态 RDS(ON) 的测量结果
钳位电路的另一个重要特性是电路的响应时间。在DC-DC转换器等典型的电力电子应用中,GaN功率晶体管的开关频率越来越快,已经超过1MHz。这意味着钳位电路的响应时间应小于几百纳秒,以测量实际工作条件下的动态 RDS(ON)。钳位电路的元件(如晶体管和二极管)本质上具有一定量的结电容和恢复特性,这会降低电路的响应时间。因此,获得钳位电路的快速响应是另一个挑战。
回到图 3,钳位 VDS 波形(黄色)在开启转换刚开始后显示了大约 50 ns 的负下降。这种负下降归因于钳位电路的寄生效应。在此下降之后,钳位 VDS 显示正确的 VDS(ON) 波形。我们的双脉冲测试系统中钳位电路的响应时间被证明小于 100 ns,这对于大多数应用来说已经足够快了。
我们还将我们的新动态 RDS(ON) 测试方法与我们之前的系统(B1505A 与 N1267A HVSMU/HCSMU 快速开关)进行了比较。图 4 显示了两种系统获得的 100 V/10 mW GaN E-HEMT 的测量结果。由于 B1505A 基于源测量单元 (SMU) 技术,因此测量需要数十微秒才能稳定。另一方面,PD1500A 的钳位电路的响应时间快了大约 1000 倍,并成功检测了在开启后 100 ns 内发生的电流崩塌行为的快速响应。结果还表明,所测动态 RDS(ON) 的本底噪声大约比 B1505A 小十倍,证明我们在动态 RDS(ON) 测量方面做了显着改进
为了进一步了解我们的动态 RDS(ON) 测试能力,我们评估了 650 V 额定电压 GaN E-HEMT 的动态 RDS(ON) 的关断脉冲长度和 VDS(OFF) 依赖性。一般来说,当施加更长和更高的 VDS(OFF) 应力时,具有电流崩塌的 GaN 功率晶体管的动态 RDS(ON) 会增加。通过比较双脉冲测试波形的第一个脉冲和第二个脉冲之间的RDS(ON),可以看出电流崩塌的影响。
图 5 显示了双脉冲测试期间 GaN E-HEMT 的动态 RDS(ON) 行为。我们提取了第一个脉冲(VGS 关闭前 100 ns)和第二个脉冲(VGS 打开后 100 ns)之间的 RDS(ON) (ΔRDS(ON)) 偏差。如图 6 所示,ΔRDS(ON) 随着施加的 VDS(OFF) 应力越长越高而略有增加,证实我们的双脉冲测试系统可以有效评估 GaN 功率晶体管的电流崩溃。

图 5. 额定电压为 650 V 的 GaN E-HEMT 在 500 V/20 A 下的动态 RDS(ON) 双脉冲测试结果和 ΔRDS(ON) 提取。

图 6. 650V 额定电压 GaN E-HEMT 的 ΔRDS(ON) 的关断脉冲长度和 VDS(OFF) 依赖性
电流崩塌仍然是许多工程师对 GaN 功率晶体管的最大担忧之一,由于测试仪器的限制,其评估非常具有挑战性。正如我们在本文中所讨论的,我们成功创建了一个可重复且可靠的双脉冲测试系统,该系统通过采用新开发的钳位电路可以有效评估 GaN 功率晶体管的动态 RDS(ON)。