时间:2021-10-08 12:05
人气:
作者:admin
古人言“没有规矩不成方圆”,此“规矩”是古人画圆形和方形的两种工具,比喻一定的标准、法则。而在电路的虚拟世界,这种“规矩”也很重要,是实现模拟与数字世界的基础——数字世界所有电子设备都必须以某种方式与真实世界交互,电子设备必须能够将真实世界映射到电子世界中的可测的量(电压)。要测量电压,你也需要一个“规矩”——衡量标准,该标准就是基准电压,电压基准源的作用即是将数据采集与真实世界进行关联。电压基准源是一个可产生稳定、精确直流电压的器件,一般用于ADC、DAC和其他模拟电路精确的参考电压设定。
现代数据采集和信号发生系统既复杂又精细。几十年的 IC 和应用开发以及一代又一代设计已经优化了性能和众多优点,同时使性能不断提高、优点不断增多。新的设计必须凭借精心挑选的性能、尺寸、电源范围、稳定性以及更多优点,实现与之前设计的差异化。同时,DAC、ADC、电压基准等高性能集成电路的性能已经被推进到了极限。关于电压基准,常常必须在精确度和众多优点之间做出设计选择。当需要最高性能时,就有可能缺乏灵活性和兼容性。

电压基准源的作用:将数据采集与真实世界进行关联
毫无疑问,“规矩”是标准性决定了要求稳定、准确。长期以来,在所有可用的电压基准类型中,带隙电压基准因其特点与性能的组合,一直是最佳的选择。过去,精确度最高和最稳定的系统一直是用齐纳基准设计的,齐纳基准的低漂移、高稳定性和低噪声使系统能够既提供很大的动态范围,又具备良好的稳定性。
然而,与掩埋式齐纳基准相比,它们并未始终提供最佳的性能。或者,带隙架构使得设计具备众多有用特点的基准成为可能,包括低压差、宽温度范围、低功率、小尺寸、宽工作范围和宽负载电流能力。因此,齐纳基准一般不适合大多数新系统。齐纳基准需要很高的电源电压才能运行,而且很多采用齐纳基准的设计都仅针对特定系统而优化,例如电源电压高于 10V、可用电路板面积很大以及负载阻抗已经完全了解的系统。对很多新设计而言,这些假定很少适用。此外,采用齐纳架构的基准一直以来几乎没有什么新发展,因此,齐纳基准极少提供更常用且低于 5V (例如 4.096V、2.5V 和 1.25V) 的基准电压。

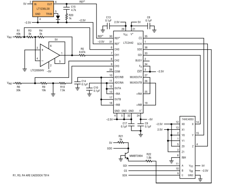
基于LT1236的深埋齐纳基准设计
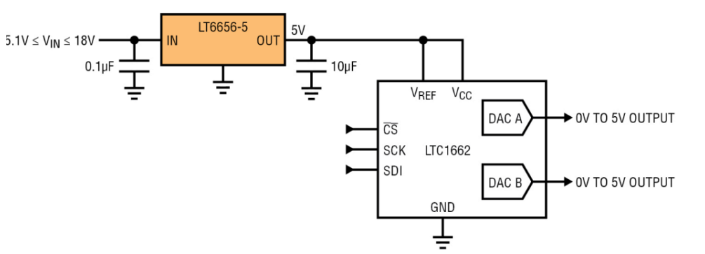
要获得综合的优点和性能,带隙电压基准一直是最佳选择。与齐纳架构相比,带隙架构尽管牺牲了一些稳定性,却有可能用来设计出具备很多优点的基准,包括低压差、宽温度范围、低功率、小尺寸、宽工作范围和宽负载电流范围等优点。由于这些优点,已经产生了大量高性能 LDO 稳压器和精确的电压基准。相对低的、约为 1.2V 的带隙电压为设计提供各种电压的产品带来了方便,包括 1.25V、2.048V、2.5V、3V、3.3V、4.096V、5V 和 10V。另外,这样的带隙电压还允许用仅比输出电压高几毫伏的电源运行,如下图所示

基于串联电压基准LT6656的低功率、低压差电压基准电路
就电压基准而言,最大的误差通常是由温度系数 (TC) 引起的。对很多精确的系统而言,具 20ppm/ºC 温度系数的电压基准就是合适的。然而,在工业温度范围内 (-40ºC 至 85ºC),这样的温度系数会导致 2500ppm 或 0.25% 的最大误差。下图示出了温度特性,曲线图示出了一个 1ppm/°C 的方框。在宽温度范围内,例如高精确度带隙电压基准LT6657 的输出电压完全处于该方框之内,这容许在自动化生产中测试 1.5ppm/°C 规格指标。LT6657 在 -40°C 至 125°C 的温度范围内规定了低漂移,在整个温度范围内提供了 《250ppm 的最大保证误差。
高阶温度补偿在整个温度范围内保持了低且可预知的输出电压误差,而最先进的制造工艺则在器件之间和批次之间提供了一致的性能。为了确保装运的每个 LT6657 都满足这种高性能水平,LT6657 的温度系数由 100% 的五温度测试提供保证。

LT6657输出电压温度曲线
可以做个比较,LTC6655 一直是市面上性能最高的带隙电压基准之一。其在 -40°C 至 125°C 的范围内 2ppm/°C 的漂移指标优于几乎任何其他电压基准产品。和 LT6657 一样,该性能指标难以在试验台上测试,而且要在制造过程中予以保证,是难以置信挑的战性。
许多相似的产品可能通过特性分析或样片测试来保证稳定性,而 LTC6655 则利用 100% 的三温度测试提供保证。制造过程中的这种谨慎度显示了生产真正的高稳定性产品所必须保持的质量水准。与 LTC6655 相比,LT6657 更加稳定,1.5ppm/°C 漂移,而且该性能是利用 100% 的五温度测试给予保证的。

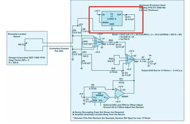
高性能应用的远程检测电路中LT6657的稳定性和低噪声、低漂移受青睐
物理测量所用的电子设备常常远离被测物理参数。例如,埋在卡车称重站路面下方或桥梁结构内的应变计测量,不太可能位于读取测量结果的电子设备旁边,传感器放在远离检测放大器的地方,要产生令人满意的测量结果,对信号链设计提出了极大的挑战,其中就包括对基准源性能的要求——稳定性和低噪声、低漂移受青睐。如上图,仪表放大器LT6370放大正输入端上的非常小的传感器电压,而负输入端上是固定的低噪声基准电压,自基准电压源 LT6657 产生。LT6657产生稳定、低噪声、低漂移的基准电压,使整个电路不受电源电压变化的影响。特别重要的是,LT6657的 1/f 噪声很低,这点意义重大,因为电路的增益很大。

电压基准源的基本特性:精度和稳定性
除了实验室仪表之外,LT6657还为汽车和扩展温度工业应用提供了新的精准水平。在整体稳定性上增加的是低的热迟滞和卓越的长期稳定性,这些是衡量系统随着时间推移和温度循环将在规格限定的范围内保持何等水平。测试验证表明,随着时间推移和温度循环所产生的漂移是很低而且一致。当这些特性表现良好时,可比较容易地在产品使用期限内预测漂移。