时间:2021-07-11 14:49
人气:
作者:admin
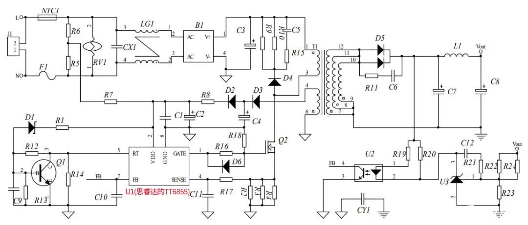
该测试报告是基于一个能适用于宽输入电压范围,输出功率36W,恒压输出的工程样机,控制IC采用了思睿达的TT6855。


TT6855_12V3A工程样机示意图
TT6855 芯片特性:
● TT6855是一款低待机功耗(<100mW)、低启动电流(约5μA)、低工作电流(约1.5mA)的反馈式PWM功率开关;
● 内置软启动,减小MOSFET的应力,内置同步斜坡补偿电路;
● 65kHz开关频率,具有频率抖动功能,使其具有良好的EMI特性;
● 欠压锁定(UVLO)、VDD过压保护自恢复功能、周期电流限制、软启动、可编程OTP、SCP、OLP等保护功能;
● 内置动态峰值电流补偿功能,在输入85V~264V的宽电压下可实现恒定最大输出功率;
● PWM&PFM&CRM控制;
● 电压/电流双环路模式控制;
● 电路结构简单、较少的外围元器件,适用于AC DC电源适配器、开放式电源、机顶盒开关电源等;
TT6855是一款高集成度、低功耗的电流模PWM控制芯片,该芯片适用于离线式AC-DC反激拓扑的小功率电源模块。芯片内置固定65KHz工作频率;在轻载和无负载情况下自动进入PFM和CRM,这样可以有效减小电源模块的待机功耗,达到绿色节能的目的。为了提高系统的稳定性,防止次谐波振荡,TT6855内置了同步斜坡补偿电路;动态峰值限制电路减小了在宽电压输入(90V~264V)时最大输出功率的变化;内置的前沿消隐电路可以消除开关管每次开启产生的干扰。TT6855内置了多种保护功能,驱动输出采用的图腾柱和软驱动有效降低了开关噪声。
该样机大小80*40mm,AC264输入待机功耗<80mw,平均效率>85%;具有“软启动、SCP、OLP、OTP自动恢复,OVP”等多种功能;由振荡电路产生的频率抖动,可以改善EMI特性。
样机的变压器,采用了通用RM8封装(PC40材质),变压器绕制工艺部分,请见后文详细说明。
以下表格为工程样机的主要特性。
2.1 输入特性:

2.2 输出特性:

2.3 整机参数:

2.4 保护功能测试:

2.5 工作环境:

2.6 测试仪器

本小节展示了工程样机的电路、版图结构,变压器结构及工艺。
3.1 电路原理图及PCB 版图:
3.1.1 原理图:

3.1.2 PCB 版图



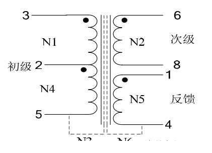
3.2 变压器绕制工艺
3.2.1 电路示意图

3.2.2 规格参数
1)骨架:RM8(6+6PIN),Ae=64mm2;材质:TDK PC40或哦同等材质;
2)初级、反馈、屏蔽:2UEW 漆包线;次级:三层绝缘线;
3)绝缘胶带:3M1298或同等材质;
4)初级绕组感量Lp:0.54mH±8%(测试条件:0.25V,1kHz);
5)漏感量LLK:要求控制在初级绕组的5%以内(测试条件:0.25V,10kHz);
6)耐压测试=35K 5mA 1Min;
7)成品要求:浸凡立水;
3.2.3 变压器参数

3.2.4 变压器结构图

3.3 元器件清单:

本小节将对工程样机的输入部分、输出部分、各种保护以及一些时序进行了测试,以下详解了测试方法及结果。从测试结果来看,以下各项测试均合格,能够满则大部分客户的要求。
5.1 输入特性:
本模板经过在不同的输入电压(从90VAC到264VAC)和不同负载条件(空载和满载)下测试,得到待机功耗、效率及平均效率。
表1:无负载待机功耗(无假负载)

表2:输出100%载下的输入特性

表3:电源板PCB端测试的效率特性

5.2 输出特性:
注:以下测试均在板端测试:
5.2.1 线性调整率和负载调整率:
表4:线性调整率和负载调整率

5.2.2 输出电压纹波:
注:纹波及噪声在板端测试,测试时并联一个0.1uF/50V的电解电容,示波器带宽限制为20MHz。
表5:电压纹波测试

纹波噪声波形图:

Fig1 R&N @ AC90V/60Hz,no load

Fig2 R&N @ AC90V/60Hz,100% load

Fig3 R&N @ AC264V/50Hz,no load

Fig4 R&N @ AC264V/50Hz,100% load
5.3 保护功能:
以下涉及过流保护、短路保护的测试。
5.3.1 过流保护:

5.3.2 短路保护:

DRAIN(绿色)端、CS(蓝色)端波形图:

AC90/60Hz,100% Load

AC115/60Hz,100% load

AC230/50Hz,100% load

AC264/50Hz,100% load
启动波形:蓝色—输出;绿色—输入。

AC90/60Hz 100% load 启动时间呢:716mS

AC264/50Hz 100% load 启动时间呢:184mS
思睿达是专注于ADC、DAC、PoE和DC/DC 芯片级解决方案的高科技企业,目前同步推广启臣微全系列产品,希望将启臣15年在电源行业这份积淀,这份坚持发扬光大。思睿达同时也可以提供芯片级定制服务。
多种方案,欢迎随时交流沟通。思睿达联系人:何工 18923426660,E-mail:manjie@threeda.com,欢迎来电咨询,申请样品。感谢