时间:2021-05-11 08:11
人气:
作者:admin
本参考设计介绍了基于PC的示波器的原理图,软件和软件功能。该设计包括MAX1393 ADC和MAX1396评估板(EV kit),提供简单的图形用户界面(GUI)。
提供简单图形用户界面(GUI)的设计由MAX1393 ADC和MAX1396评估套件(EV kit)组成。
简介
该参考设计提供了基于MAX1396EVKIT实现示波器(图1)所需的一切(参考设计要求将MAX1396ETB ADC替换为MAX1393ETB ADC)和PC。包括原理图,Windows®软件和微控制器固件。固件示例是一个使用IAR EmbeddedWorkbench®为MAXQ2000专门编写和组装的C程序。

基于PC的示波器。
MAX1393概述
MAX1393是312.5 ksps,1通道,真差分,12位SAR ADC。该参考设计使用MAX1393捕获输入波信号。
硬件概述
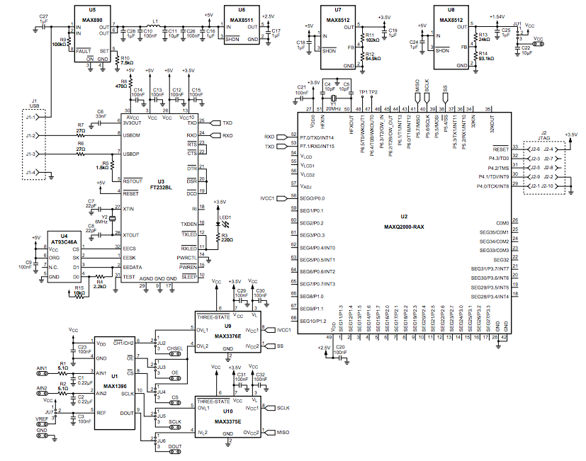
MAX1396EVKIT包括一个MAX1396 ADC(在该设计中将被MAX1393器件取代),一个MAXQ2000微控制器,所有必需的无源元件以及经过验证的PCB布局。MAX1396EVKIT原理图如图2所示。

MAX1396EVKIT原理图。
固件概述
AN4530-firmware.zip中的示例C程序文件允许MAXQ2000的SPI™外设与MAX1393通信。当MAXQ2000使用20 MHz系统时钟时,SPI串行时钟为5 MHz。当MAXQ2000从PC接收命令时,微控制器将开始从MAX1393获取输入信号数据。存储了512个采样数据后,MAXQ2000会将其发送回PC。
编辑:hfy
上一篇:如何准确测量输出噪声和纹波
下一篇:如何使用DSA800频谱分析仪