时间:2020-10-07 11:22
人气:
作者:admin
目前随着越来越多的便携式应用,对专用电流监测器的需求已经大大增加,从而以小封装、低静态电流实现其任务。以下的讨论涵盖低边和高边电流监测器,包括其架构和应用。
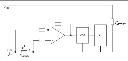
大多数电流测量应用采用低边原理,检测电阻与接地通路串联(图 1);或者采用高边原理,检测电阻与电源线串联(图 2)。两种方法都具有不同的优缺点。低边电阻在接地通路中增加了不希望的额外阻抗;采用高边电阻的电路必须承受相对较大的共模信号。此外,如果图 1 中运放的 GND 引脚以 RSENSE 的正端为基准,那么其共模输入范围必须覆盖至零以下,也就是 GND - (RSENSE × ILOAD)。

图 1. 低边电流监测器原理

图 2. 高边电流监测器示例
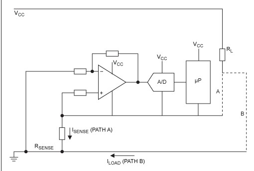
然而,不要因为低边测量电路的简单性而忽略高边测量方法的优势。多种故障会避开低边监测器,从而使负载面临危险和未检测到的情形(图 3)。注意,能够检测通过路径 A 连接的负载,但通过路径 B 的意外连接则避开了监测器。另一方面,高边监测器直接连接至电源,能够检测所有的下行故障并触发相应的补救措施。高边监测器也比较适合汽车应用,此类应用中的外壳作为地电势。

图 3. 如果负载意外接地,通路 B 可产生危险的高电流
传统高边监测器
以前,这两种方案的许多实现方法都基于分立式元件或半分立式电路。最简单情况下,此类高边监测器要求高精度运放和少数几个精密电阻。高边测量的一种常见方法是使用传统的差分放大器作为增益放大器以及从高边至地的电平转换器(图 4)。尽管这种分立式电路使用广泛,但具有以下三个主要缺点:
输入电阻(等于 R1)相对较低。
输入端的输入阻抗通常呈现出较大偏差。
电阻必须良好匹配,以获得可接受的共模抑制比(CMRR):0.01%的电阻值偏差会将 CMRR 降低至 86dB,0.1%的偏差将其降低至 66dB,1%的偏差将其降低至 46dB。
高边电流监测需求带动了大量用于该目的的新集成电路的发展。另一方面,低边测量未推动新型相关 IC 的进步。

图 4. 差分放大器是高边电流测量电路中的基本元件
集成全差分放大器
随着大量包含高精度放大器和精密匹配电阻的 IC 的推出,在高边电流测量中使用差分放大器变得非常方便。这些器件的 CMRR 达到 105dB 数量级,MAX4198/MAX4199 就是例子之一(图 5)。IC 采用 8 引脚µMAX 封装,典型 CMRR 达到 110dB,增益误差优于 0.01%。

图 5. 集成差分放大器(MAX4198/MAX4199)具有非常高的 CMRR
专用高边监测器
高边电流测量的另一种方法以包含执行测量所需全部功能的 IC 为代表。这些 IC 在高达 32V 的共模电压下检测高边电流,并提供以地为基准的电流或电压输出,输出与被测电流成比例。电源管理、电池充电及其它必须高精度测量或控制电流的应用均受益于这些专用电流检测放大器。
Maxim 的高边电路检测放大器将电流检测电阻放在电源的正端与被监测电路电源输入之间。这种设计避免了接地区域上的外接电阻,大大简化了布局,通常会改善总体电路性能。Maxim 提供的单向和双向电流检测 IC 包括带有或不带内部检测电阻的双向器件。双向放大器包括一个用于指示电流方向的信号引脚。
这些单向和双向电流检测 IC 的型号包括带可调增益,+20V/V、+50V/V 或+100V/V 固定内部增益,以及内部增益加单或双比较器。器件采用小型封装,满足紧凑型应用的严格要求。
所有 Maxim 高边 IC 的共同点是具备提供以地为参考的电压或电流输出的能力,不需要或只需要很少的附加元件。输出信号与被测高边电流成比例,其共模电压可高达 32V。集成高边电流监测器的几种架构。注意,MAX4172 电流源输出与 RSENSE 上的电压成比例。
责任编辑:pj