时间:2020-08-17 10:46
人气:
作者:admin
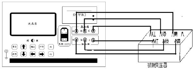
1、接线:
根据被测试变压器的具体情况正确联接测试线夹。
a、单相变压器:高压端电缆的黄、绿线夹接被测变压器高电压侧的接线端,低压端电缆的黄、绿线夹接被测变压器低电压侧的接线端。
b、三相变压器:将高压端和低压端电缆的3色夹钳按黄、绿、红各对应高压A相、B相、C相和低压a相、b相、c相连接。
2、变比测量:
仪器接线完成后,插上电源线,打开电源开关,屏幕显示见图2。

图2
4秒钟后屏幕显示见图3。

图3
①如果直接测量变比,此时可以直接按F1键直接进入测试,显示“正在测试”,测试结果显示如图4所示。

图4
此时,可使用功能键F1、F2分别操作仪器进行“重测”、“存储”,如需打印可以按打印键打印当前显示的数据,当选择存储时仪器内部可以存储50组数据。
②如果需要改变参数,在图2所示主菜单按下F2键,则屏幕显示见图5。

图5
向左向右键按下,光标可以在各个参数之间上下循环移动,可将光标移动到需要改变的参数上;
向上向下键按下,图5的状态可以改变高压方式,选择项目包括“Y”、“D”、“单”、“Z”,可以循环选择,选择“单”,测试时可以测量单相变压器或PT;光标在其他位置时可以改变数字的大小;
返回键按下,菜单返回到开机初始菜单;测试单相变压器时,结果显示如图4所示,如果选择三相测试时,测试结果如图6所示。

图6
③如果调阅仪器内部存储的历史数据,在开机初始菜单下按下“F2”键,数据显示如图7所示。

图7
按向上向下键改变选择的记录号,按F1键清除当前记录,按F2键清除全部记录。
3、时间设置:在开机图3界面下,按返回键,屏幕显示如下 :

图8
此时按向上向下键修改当前数值,按向左向右键使光标左右移动,改变所需修改的时间。修改结束后按确认键退出。
变压器变比测试仪操作示例
1、Y-d-11,电压组合110±8×1.25%/10.5KV 的变压器。按图9进行接线。

图9
打开电源开关显示出主菜单(见图3),此时按确认键,显示见图5。此时可输入额定变比值,按照变压器铭牌上的高压端9分接电压值110.0,低压电压10.5,计算出额定变比10.476,输入额定变比10.476,分接总数09,分接间距1.25%,输入完成后,按返回键返回到主菜单,按F1键,仪器开始测量,测量结果见图10所示。

图10
此时,可按F1键重测一次,F2键存储数据,打印键打印数据,按复位键返回主菜单。
2、单相变压器,电压组合525/√3±8×1.25%/20,按图11接线。

图11
打开电源开关,显示主菜单(见图3),操作与上例相似,只是额定变比的计算要注意,变压器铭牌高压端9分接电压值(525/1.732=)303.1,低压侧电压20,计算值是303.1/20=15.155,输入到额定变比位置,在参数设置时,将高压方式改成“单”,然后进行测试。测试结果与图4相似。
1.在测量中间,人不要触摸试品。
2.如果测试线短路,高低压接反,会熔断保险。保险熔断后,如果进行测量,在显示“正在测量,请等待!”后停住。请关机,更换相同容量的保险,重测。
3.连线要保护接触良好。仪器应良好接地!
4.仪器的工作场所应远离强电场、强磁场、高频设备。供电电源干扰越小越好,宜选用照明线,如果电源干扰还是较大,可以由交流净化电源线仪器充电。交流净化电源的容量大于200VA即可。
5.仪器工作时,如果出现液晶显示紊乱,按所有按键均无响应,或者测量值与实际值相差很远,请按复位键,或者关掉电源,再重新操作。
6.如果显示器没有字符显示,或颜色很淡,请调节亮度电位器至合适位置。
7.在阴暗地方工作,可以打开背光,为减小显示器功耗,背光不是很亮。
8.仪器应存放在干燥通风处。
1、检查变比是否与铭牌值相符,以保证达到要求的电压变换。
2、检查电压分接开关指示位置是否正确。变压器变比测试仪做试验能达到什么目的和结果
3、检查各线圈的匝数比,可判断变压器是否存在匝间短路。
4、测出三相变压器本身变压比的不平衡度。
5、提供变压比的准确程度,以判断变压器能否并列运行。
上一篇:绝缘测试仪使用注意事项