时间:2020-08-21 13:49
人气:
作者:admin
利用测试夹具对封装器件进行测试
吉时利8010型大功率器件测试夹具与2651A以及2657A型大功率系统数字源表一起完善了功率半导体器件测试解决方案。图1给出源测量单元(SMU)仪器与8010型夹具的连接图。在8010型互连参考指南(IRG)中给出详细的器件测试配置实例。

图1
源测量单元(SMU)仪器与8010型大功率器件测试夹具的连接
定制测试夹具可以包括任意数量的测试用源测量单元(SMU)。对于大电流测试,利用2651A型产品提供的Phoenix螺丝压线端子连接器,可以轻易实现连接。对于使用2657A型产品的最高完整度高压测量,吉时利公司提供定制墙壁型HV三轴连接器,其一端已经与三轴电缆组件连接在一起。这样设计的目的是可以安装在安全机箱内。这些连接很容易与设备焊接,或者适合另外的连接器。详细说明参见图2。

图2
用于高压测试的定制夹具连接实例
在探测台上对晶片级器件进行测试
少数探测器供应商为大功率半导体器件测试提供商用解决方案,其他供应商则提供定制解决方案。至于哪种类型的探测解决方案适合具体测试应用所需的电流、电压或功率,可以向探测台供应商进行咨询。关于如何使用定制高压三轴电缆和连接器的信息,探测器制造商可以与吉时利仪器公司联系。
最近我们检查了探测台解决方案,发现banana插头和插座普遍用于大电流测试,还发现SHV已成为大电流连接的工业标准。Phoenix大电流螺丝压线端子连接器很容易适应banana连接器。为了适应SHV解决方案,吉时利公司推出SHV-CA-553型产品,这个电缆组件的一端是线缆高压三轴线连接器,另一端是SHV(同轴)连接器。后面的几个图说明利用banana和SHV连接方式对晶片级器件进行测试的3个实例配置连接。

图3
晶片级器件连接实例图图标

图4 TSP Express软件允许对通过TSP-Link网络连接的所有仪器的源和测量参数进行快速设置

图5 TSP Express软件允许用户迅速和容易地绘制测量图,如这里给出的IGBT(BVces额定值为2500V)的Vces-Ic曲线。

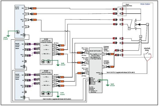
图6 采用SHV连接方式,只对晶片级器件进行高压测试的连接

图7 采用banana连接方式,只对晶片级器件进行大电流测试的连接

图8 用于高压和大电流测试的晶片级器件连接
责任编辑:gt
责任编辑:gt