时间:2020-08-25 10:18
人气:
作者:admin
一、引言
虹润NHR-3300系列三相综合电量表是依据DB37/ T557-2005行业标准开发的产品,它是一款用于低压配电系统的交流电量测量、显示、控制、分析的综合仪表。产品通过现场PT、CT变比取得数据经过内部整形电路转换成相应的数值,经过内部运算(电流、电压依次积分)取得所需要的交流需量,最终可实现交流电压、电流、频率、有功功率、无功功率、谐波含量、功率因数、有功、无功、视在电能工程值显示。目前虹润自主研发的虹润NHR-3300系列三相综合电量表在风力发电中主要应用于发动机组运行状态电量参数的监测。
二、产品的市场背景
风力作为一种绿色环保新兴能源一跃成为现代能源关注点,出于保护环境的考虑以及全球面临的能源短缺现状,风力发电在世界范围内得到了快速发展。随着风电行业的技术进步,风力发电成本逐步降低,在经济性上已经能够与核能发电、水力发电展开竞争。当前,我国面临电力短缺局面,在煤电占主导地位的我国电力行业,因环境承载力限制以及各种因素导致的煤炭短缺局面,煤电发展受到制约。风能这种干净的自然能源,没有常规能源(煤电,油电)与核电会造成环境污染的问题。我国风能资源丰富,风能利用得到了政府的政策支持,风力发电产业面临前所未有的发展机遇。
三、产品的主要技术原理
虹润NHR-3300系列三相综合电量表可外接电压、电流互感器的标准信号或直接接入电流5A、电压500V的交流信号,并通过专用DSP芯片定点处理,高速、高精度AD采集,多种接线方式可选,可同时测量单相电量系统、三相交流电流、三相交流电压、三相有功功率、三相无功功率、三相视在功率、三相功率因数、工频周波、三相有功电能、三相无功电能和三相总电能,并在型号上对每个功能做了明确的细分。输出功能可选模拟量输出、通讯输出和累积脉冲输出功能,配备RS232/485通讯接口,支持标准MODBUS RTU通讯协议,可组网实现数据的集中管理。
下面介绍一下主要参数的计算方法
◆TRMS的算法
本产品所测试的参数均为真有效值(TRMS),依据数学公式1如下:
该测量原理适用于常见的各种工频信号的测试,通过AD采样可对包括正弦波、方波、三角波及各种异常波形进行分析。
◆∑的计算方法
∑的显示数值与线制有关,其数值算法如下表所示:
各线制合计参数计算方法

◆电量参数的校准方法
产品通过标准源输出交流电流、电压的真有校值、相位角度的偏差、有功功率等实现零点、满度校准,校准后写入EEPROM中保存。
◆三相电量综合集中显示仪表的在实际应用的接线方式
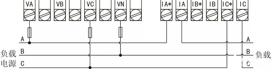
三相三线系统(3P3L 、无PT、CT)

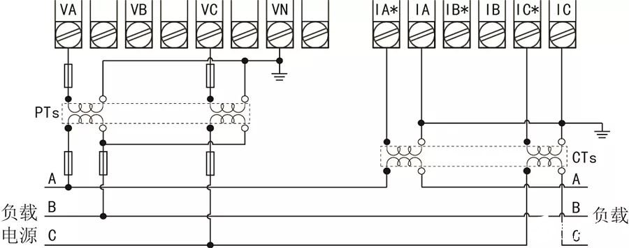
三相三线系统(3P3L、2PT、2CT)

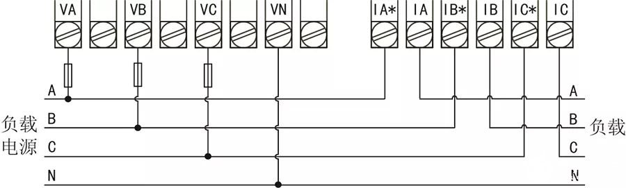
三相四线系统(3P4L、无PT、CT)

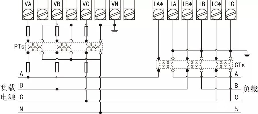
三相四线系统(3P4L、3PT、3CT)

备注:符号描述

四、产品的应用
应用于风力发电的所有风电机组通过光纤以太网连接至主控室的上位机操作员站,实现整个风场的监控,上位机监控软件具有如下功能:
◆系统具有友好的控制界面。在编制监控软件时,充分考虑到风电场运行管理的要求,使用汉语菜单,操作简单,尽可能为风电场的管理提供方便。
◆系统显示各台机组的运行数据。如每台机组的瞬时发电功率、累计发电量、发电小时数、风轮及电机的转速和风速、风向等,将下位机的数据调入上位机并在显示器上显示,必要时还可以用曲线或图表的形式直观地显示出来。
◆系统显示各风电机组的运行状态,如开机、停车、调向、手/自动控制以及大/小发电机工作等情况,通过各风电机组的状态了解整个风电场的运行情况。
◆系统能够及时显示各机组运行过程中发生的故障。在显示故障时,能显示出故障的类型及发生时间,以便运行人员及时处理及消除故障,保证风电机组的安全和持续运行。
◆系统能够对风电机组实现集中控制。值班员在集中控制室内,只需对标明某种功能的相应键进行操作,就能对下位机进行改变设置状态和对其实施控制。如开机、停机和左右调向等。该操作同时具有权限管理,以保证整个风电场的运行安全。
◆系统管理。监控软件具有运行数据的定时打印和人工即时打印以及故障自动记录的功能,以便随时查看风电场运行状况的历史记录情况。
机组运行过程中进行监测的相关参数包括:
◆电网参数,包括电网三相电压、三相电流、电网频率、功率因数等。电压故障检测:电网电压闪变、过电压、低电压、电压跌落、相序故障、三相不对称等。
◆气象参数,包括风速、风向、环境温度等。
◆机组状态参数检测,包括:风轮转速、发电机转速、发电机线圈温度、发电机前后轴承温度、齿轮箱油温度、齿轮箱前后轴承温度、液压系统油温、油压、油位、机舱振动、电缆纽转、机舱温度等。
主要监测设备:虹润NHR-3300系列三相综合电量表
主要负责监控机组运行的电量参数
产品图示:
◆辅助设备:
温度传感器HR-WZP、HR-WRN、转速磁电传感器、转速表、数采模块、报警装置、虹润八回路闪报警仪等。
1、主要对电机绕组的定子温度、电机转速实现监控。
2、根据各绕组的测温点输出声光报警。
五、结束语
基于虹润坤瑞监控组态软件及电量集中控制仪而搭建的这个风电场各项监控、监测数据信息共享、交换、传输平台,能够满足国家电力系统二次防护要求。在进行远程数据采集和控制时,保证风电厂数据的实时性和可靠性。通过风能特性模型实时调整风能的最优性,能够为生产厂商提供优质监控解决方案,为祖国风电绿色能源事业保驾护航。
责任编辑:gt