时间:2020-08-14 12:05
人气:
作者:admin
模拟式扫频仪价格昂贵,不能直接得到相频特性,更不能打印网络的频率响应曲线,给使用带来诸多不便。为此,我们研究和设计了低频段数字式频率特性测试仪。该测试仪用压控振荡器产生扫频信号,以单片机为控制核心,通过A/D、D/A等接口电路,实现扫频信号频率的步进调整、数字显示及被测网络幅频特性与相频特性的数显等。总框图如图1所示。该系统成本低廉,扫频范围较宽(10Hz~1Hz),并可方便地与打印机连接以实现频率特性曲线的打印。

1 扫频信号源的设计
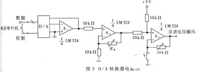
在频率特性测试仪的设计中,扫频信号源的质量具有重要的意义。无论是模拟式扫频仪,还是数字扫频仪,都要求扫频信号源具有线性压控的特性,且扫频波的输出幅度应是恒定的,不因频率或被测网络的改变而改变。为此,我们选用低线性误差的函数发生器ICL8038 1 构成压控振荡器,如图2所示。用D/A转换器提供控制电压。D/A转换器的输入数字量由单片机给出,如图3所示,可实现数字量的手动和自动调整。为了提高信号源的负载能力,我们将压控振荡器的输出信号送入一宽频带功率放大器,从而增大其驱动能力。关于宽带功放电路已有很多优秀的器件或电路可供选用,此处不再赘述。


振荡器的振荡频率由图2中的定时元件R、C及控制电压决定。当R和C一定时,改变ICL8038的⑧脚电压可改变振荡器的振荡频率。实验表明,仅靠改变压控电压来改变扫频波的频率是不能满足测量要求的(频率范围太窄)。为了扩展频率范围,我们采用了分档切换电容的办法。电容C通过一电子开关接入,单片机根据扫频波的频率值自动给出相应的开关量(三位),从而选择所接入的电容值,可使扫频频率范围扩展到10Hz~1MHz。
2 幅频特性与相频特性的测量与打印
扫频波频率的测量与显示由单片机完成。宽带功放输出的正弦信号,经整形后送单片机供其测量并显示频率。用单片机完成这一任务已有较成熟的方法。值得注意的是测频的时间间隔不是固定的:数显时,时间间隔应较长(我们定为1s),因显示时必须延时一段时间才能便于观察;打印时,时间间隔较小(我们定为1ms),便于在较短时间内打印全频段数据。测频前信号的整形电路选用宽频带正弦波─矩形波变换电路?2?,如图4所示。场效应管源极跟随器的接入是为了消除变换电路对信号源的影响。

在幅频特性的测量中,被测网络的输入信号幅度是已知的,这在调整功放电路时调定。只要测出被测网络输出信号的幅度,即可算得其增益(dB数),被测网络输出信号的幅度的测量由检波器、A/D转换器及单片机共同完成。增益的计算和显示亦由单片机完成。
相频特性的测量与显示原理如下:被测网络的输入与输出信号先经整形电路变换为矩形波,再送入图5所示测相逻辑电路中,图中μi和μo分别为被测网络的输入与输出信号。电路中有关波形如图6所示。设异或门输出脉冲宽度为ΔT,信号周期为T,则输入与输出信号的相位差由下式求得:
Δφ=×360°?1
上式中的符号由A点电平决定,若A点为低电平,则μO超前μi,在Δφ前加“+”号;若A点为高电平,则μo滞后μi,在Δφ前加“-”号。ΔT与T的测量及(1)式的计算与符号的确定均由单片机自动完成。
上述幅频与相频特性的测量对频率而言是离散的。某一时刻只能看到某一频率下的增益或相移。为了获得连续的频率特性曲线,我们将全段内各频率下的增益或相移存放在单片机的外部RAM中,将单片机与打印机相连,将存放在外部RAM中的数据逐个送打印机打印,取得较好的效果。单片机与打印机的接口电路如图7所示。DB0~DB7为单向数据传输线,单片机通过此传输线将待打印的数据送给打印机。STB为数据选通信号,此信号上升沿时,数据线上8位数据被打印机读入机内锁存并打印。BUSY为打印机的“忙”信号输出线,输出高电平表示打印机处于“忙”状态,此时,单片机不得向打印机送入新的数据字节。当BUSY为低电平时,单片机将存在外部RAM中的数据送给打印机。编制相应程序时,只要设置好打印机的控制字,并将增益或相移值作适当量化即可。


3 软件流程与系统调试要点
单片机最小系统构成如下:单片机选用80C32,键盘显示接口芯片选用8279,存储器选用EPROM 1片(2K)和RAM 1片(64K)。地址冲突问题由片选信号解决。A/D转换器选用0809,选用14位DAC一片,可提高分辨率。
软件流程图如图8所示。

键盘分为数字键和功能键两种,数字键用来输入扫频频率起始及终止值等;而功能键则用于幅频特性、相频特性的测量及打印等功能。
程序编制与电路调试中有几个值得注意的问题。第一是切换定时电容后频率的重迭。解决的办法是通过对扫频频率的判断,给出D/A所需的数字量,使扫频频率单值上升。各电容的值通过实验调定。第二是步长问题,在数显功能下,步长不能太小,否则,观察一段频率范围的频响耗时巨大。针对这一问题,我们通过改变步长的办法来解决,在低频段取较小步长,而高频段取较大步长。在打印功能下,由于不需要延时,故可在全频范围取较小步长(10Hz),每步所需时间仅为单片机执行指令及电路响应的时间,能较快地打印全频段的频率特性曲线。这时,频率轴为线性分度,便于定量分析。第三个问题是增益与相移的满量程问题。增益的量程我们定为±40dB,较大增益的网络通过衰减网络接入,增益小于-40dB时被量化为-40dB。相移的满量程为±180°。实验表明,我们设计的系统稳定可靠,打印的幅频特性曲线与传统模拟扫频仪所测曲线相符,相频特性曲线与理论一致。
c责任编辑:gt