时间:2020-08-14 16:16
人气:
作者:admin
引言
时间频率测量是电子测量的重要领域,要实现对时间频率测量,需要有一个好的频率源,在各种频率源中,尤其是对于晶体振荡器来说,稳定度问题是最使人们关注的问题,它表示对于频率稳定度的保持能力。对于稳定度不好的频率源来说,准确度调得再高也是没有意义的。本文介绍了一个基于计算机的多路数据采集、实时显示的频稳测量系统,该系统以计算机、数据采集卡为基本硬件,因此它属于虚拟仪器的范畴。虚拟仪器系统是基于计算机的数字化测量测试仪器,它由计算机、应用软件和仪器硬件三部分组成。虚拟仪器可使用相同的硬件系统,通过不同的软件就可以实现功能完全不同的各种测量测试仪器,即软件系统是虚拟仪器的核心,软件可以定义为各种仪器。虚拟仪器技术的优势在于可由用户定义自己的专用仪器系统,且功能灵活,很容易构建,所以应用越来越广泛。
硬件框架及软件设计方案
● 虚拟仪器的硬件框架
目前虚拟仪器主要有以下几种构成方式:PC总线方式的插卡型虚拟仪器;GPIB总线方式的虚拟仪器;VXI总线方式的虚拟仪器;PXI总线方式的虚拟仪器。
● 虚拟仪器的软件设计方案
软件在虚拟仪器中一般起到三个层面的作用:底层驱动层、应用层和人机界面层。底层应用层主要用来对硬件的操作,如对数据采集卡的驱动。应用层则是完成数据的采集存储、转换和分析,仪器的各种功能就在该层编制类似于传统仪器的面板,完成人机交换。
目前较为流行的虚拟仪器软件有美国国家仪器公司的LabView、 LabWindows/CVI 、Measurement studio,惠普公司的HP---VEE等图形化、交互式的编程设计环境,以及通用可视化编程工具VC++、VB、DELPHI、C++ Builder、BC等。
利用LabView实现频率稳定度的测量
● 频率稳定度测量原理

频率稳定度测量原理如图1所示,以f1和f2分别表示一个标频信号和一个被测频率信号,设它们的标称值均为Nns,让其进行比相。由于它们之间的频率差别和所有的各种噪声的影响,使代表各自相位关系的两鉴相脉冲之间的时间差变化在0~Nns的范围,并且以Nns为一个鉴相周期。若当两鉴相脉冲之间的时间间隔在0或Nns附近时,就会使鉴相双稳态的鉴相工作不正常。为了避免出现这种情况,又反映相位差值的变化,则自然会联想到按某种规律的间隔脉冲的鉴相方法。为控制方便并兼顾避开两比相脉冲的间隔接近0ns和Nns两种情况,比相时,一路鉴相信号的重复周期为Nns,另一路信号的重复周期应大于或等于3倍的Nns,并且标称值是Nns的整数倍。通过适当的门电路,让T1和T2参加鉴相的脉冲之间的时间间隔为Nns~2Nns或2Nns~3Nns。这样,两比相信号每隔4Nns的时间分别对鉴相双稳态触发一次,但鉴相的重复周期仍为Nns。鉴相双稳态输出电压经滤波器输出方波Vf变化的情况,反映了两比相信号间相位差随时间的变化。T1的每个脉冲均参加鉴相;T2由于门电路的控制作用,每连续的四个脉冲中只有一个参加鉴相。但不是固定的分频鉴相,而是选择了与T1鉴相脉冲有一定时间间隔的Nns一段中的时间范围内的脉冲来实现。通过数据采集板卡利用LabView软件对表示被测频率稳定度的方波信号Vf进行采集即是该系统完成的功能。
● 硬件配置
本虚拟仪器系统是插卡型虚拟仪器,包括PC机、ADVANTECH公司PCI-1713数据采集卡,端子板和传输电缆。
● 软件设计
测试程序有三个模块组成:硬件驱动模块、硬件配置及测量参数选择模块、用户接口模块。
硬件驱动模块负责和底层数据采集卡打交道,它将根据用户输入的命令和参数完成一次数据采集并将测试结果还给用户。考虑到程序的模块化和通用性,一般将这部分程序编写成动态链接库。ADVANTECH公司针对该公司生产的各种数据采集板,通过在最底层调用动态库,形成一些独立的功能模块,即该公司板卡的LabView硬件驱动库,同时还提供了很多例程。
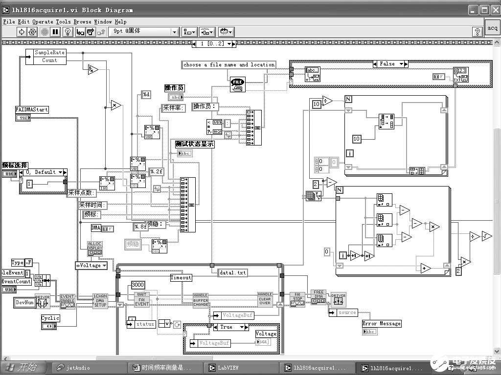
在进行频稳测量时,由于处理数据量大,而且要求很高的采集率,所以采取DMA传输方式。图2是硬件驱动模块与数据采集模块相结合实现数据采集流程图。

硬件配置及参数选择模块
LabVIEW程序由三部分构成,即前面板、图形代码及程序图标(即函数模板)和接口板。该部分即为前面板,它实现程序的输入和输出功能,由控制键元素和显示键元素构成。控制键代表程序的输入参数,显示键代表程序的输出值。图3是该系统的主程序界面,左上角接受用户输入的测量参数;左下角是各种功能键,包括频差测量、连续测量、频稳测量、测试报告、停止采样等;右上角是实时数据显示,可以看出数据变化的趋势;右下角则是频稳、频差等的计算结果显示。

用户接口模块相当于管理员,如图4所示。在LabView中即为函数模板,它包括编辑程序代码所涉及到的VI程序和函数,在该系统中它要完成Windows初始化,等待接收并处理用户命令,根据设置模块的参数来调用驱动模块,完成数据采集及数据处理、数据存储的功能。

结束语
通过虚拟仪器的应用,使得测量频率稳定度的界面友好,功能齐全,不仅把测量结果实时显示在界面上,很方便地进行数据的存储、打印,而且提高了测试速度和可靠性。
责任编辑:gt