时间:2020-07-31 14:23
人气:
作者:admin
引言
线圈炮的测试和研究需要对大功率脉冲电容器上的电压进行测量。即在电容的额定电压下对电容进行不同电压的充电,然后再对线圈进行放电试验以获取弹丸的速度等重要参数。因此,高电压的测量对于线圈炮的理论及实验研究具有重要意义。该实验室电容器组中的最小额定电压为5 kV,最高为100 kV,因此,准确、安全的获得高电压值已成为亟待解决的问题。
1、 高电压测量装置的组成原理
本文所设计的基于光纤传输的高电压测量装置由高电压分压器、V/F (电压/频率)转换器、光电信号转换电路、光纤、单片机计算系统、LED显示电路等组成。此装置相对来说,其结构比较简单,操作方便,而且具有较强的抗干扰能力,利用光纤传输能够满足远距离测量要求。其基本工作原理框图如图1所示。
2、 硬件设计
本测量装置由高电压分压器、V/F(电压/频率)转换器、光电信号转换电路、光纤传输、单片机计算系统、LED显示等电路构成。整个装置以单片机为核心,并配以一定的外围电路和软件,从而实现特定的检测功能。
2.1 高压分压电路的设计
高压分压电路就是按一定分压比将被测高电压变为可以测量的低电压信号。其实现方法是通过分压电阻来对其分压,其电路原理如图2所示。其中,输入高电压Ui经分压电阻分压后与输出低电压Uout的分压比为:
n=R0/(R0+R)
由于R》》R0,所以可取n=R0/R,即:Uout=nUi。

设计时,选择合适且物理性质相似的电阻.可以提高分压精度,因为所要确定的分压比只与电阻的阻值有关。另外,在高压电路中,也要求电阻具有较高的耐压和耐热特性。
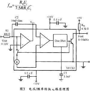
2.2 电压/频率转换电路
VFC32是美国Burr-Brow公司生产的VFC系列产品之一,它可以把输入模拟电压变换成相应频率的输出脉冲。利用它可以很方便地进行调频模拟信号的调制和解调。这样,选择合适的外围元件便可以输出与输入电压信号成一定比例关系的频率信号。
VFC32的最高工作频率为500 kHz。该器件的变换线性度很好,在10 kHz满刻度频率时,其最大非线性误差仅为±0.01%,而在100 kHz满刻度频率时仅为±0.05%。该电路的双电源工作电压为±15 V,并可在±11~±20 V之间变化。
利用VFC32和相应的外接电路可以实现电压和频率的转换。图3所示是其压/频变换原理图。设输出脉冲的频率为fout,周期为TOUT,单稳态输出脉宽为Tos(Tos=7500 C1),那么,根据实验室大功率脉冲电容上所测电压的范围及分压器的分压比便可确定R1和C1的具体数值。根据V/F转换器的输出频率可得出下列公式:

可见,V/F转换器的输出频率fout与输入电压Ui成线性关系。
2.3 光电信号转换电路的设计
将频率信号转变为光信号,然后通过光纤进行远距离传输,即可实现高电压与测量装置的隔离,从而保证人员的安全。通过光纤传输光信号是,应先经过光电转换装置将光信号转换为电信号,然后进人单片机以测量相应的频率,进而根据频率与输入电压的关系求出高电压值。
光信号发生系统的硬件由干电池、光纤收发器件和光纤组成。选择光纤收发器件时,为了保证光信号很好的传输至光纤,须采用发散小、穿透力强的束状光纤,然后通过光纤传导装置把光信号引出到光电转换装置。为此,可选用安华高科(Avago TECHNOLOGIES)公司的HFBR-1521Z,HFBR-2521Z光纤收发器。这组光纤收发器的最高传输速率为5MBd,完全可以满足频率信号的范围。其工作原理如图4所示。

光纤传输损耗小,且不易受外界条件的干扰,是光信号传播的理想介质。在选择光纤的种类时,必须兼顾多方面的要求。塑料光纤灵活柔韧,适用温度范围教大,且不易断裂,可承受较大的应力载荷、挠曲与振动,并可与所选光电器件配合使用,因而比较适合在实验室布线使用。
本系统选用AT89C51单片机,并将频率信号按图5所示方式接人单片机。
本设计采用6位数码管来显示范0~20 kV的高电压,并采用动态显示方式,数码管选用共阳极模式。动态显示可简化硬件电路,通常可将所有位的相应段选线并联在一起,以形成段选线的多路复用。而各位的共阳极分别由相应的I/O口控制,从而实现各位的分时选通。本系统采用S8050来驱动。其其连接方法如图6所示。

3、 软件设计
本系统利用门信号GATE来启动定时器(如图5所示),并设定定时器/计数器T0为定时器,INT0为高电平时,启动定时器;而设定定时器/计数器T1为计数器,T1的电平由1到0时,计数器计数。
3.1 定时器设置
设置定时器的基本定时为50μs便可满足测量的精度要求。因此,可采用门控方式触发启动定时器,定时器T0的TMOD设置格式如下(控制字为9H):

3.2 计数器设置
设定定时器/计数器T1为计数器,计数值为2。即当计数到1时,启动定时器;当计数到2时,中断计数器T1。同时停止定时器的定时;在中断方式,其计数器的优先级高于定时器T0。计数器T1的TMOD的设置格式如下(控制字符为5H):

计数器的计数初值为0FFFEH,预置为:(TH1)=0FFH,(TL1)=0FEH。
3.3 软件程序代码
对于单片机所测得的频率信号,可经过预先的算法将其换算成相应的高电压值,然后通过数码管显示。高电压范围为0~20 kV,分压比为1:2000,其频率信号与高电压的换算关系式为:
![]()
由于篇幅所限,本文只给出频率测量部分的软件代码,而省去了高电压值换算和LED数码显示部分的软件代码。其频率测量部分的软件代码如下:

4、 结束语
电磁发射技术是一种极有前途和发展潜力的推进技术,是发射理论和技术领域的一次飞跃。它为解决人们对超高速、大质量发射的要求开辟了一条新的途径。本文结合电磁线圈炮高功率脉冲电容的高电压特点,并通过测量模型的建立,具体设计了一种实验电路,并给出了软件的编写方法。从实验结果来看,此高电压测量装置的性能完全达到了预期的效果,而且具有较高的测量精度和良好的抗电磁干扰能力。
责任编辑:gt