时间:2020-07-22 11:49
人气:
作者:admin
1、 用户的问题
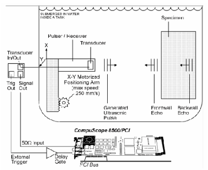
某超声水浸系统生产商将商用传感器安装在待测物体的前面,驱动电路激发传感器,发出一串超声能,同时传感器探测待测物体所反射的回波,与客户提供的延迟选通产生的触发信号同步。相应超声波回波将在50μs内结束。
当采用中心频率为1OOMHz的超声波传感器时,采样反射信号的采样率必须是500MS/s。在连续超声波记录采集之间,机器人定位手臂将传感器移动1mm。希望传感器能以250mm/s的平均速度移动,并且能够在C语言应用软件基础上编写自己的DOS程序。
2、 解决方案
用户的问题可以用GaGe公司的CompuScope8500型8-bit、500MS/s的模/数转换卡来解决。板上存储深度:2 M,最大记录间隔:50lxs,采样率:500MSis,可得出最大记录长度为25K,如下所示:
最大记录长度=50μs x500MS/s=25000(μs)
(Msamples)/s=25000samples=25kilosamples
(1μxlM=1υ-6xlO6=1)
这个25 K的最大可能记录长度低于CompuScope 8500型板卡的最低有效存储深度(128K)。

接下来,我们必须考虑所需脉冲重复频率(PRF)。当用户想以1 mm的间距移动并将其平均速度保留在250 mm/s时,CompuScope 8500必须将PRF保持在至少250 Hz,如下所示:
PRF最小值=(250 mm/s)/(1mm)=(250)(1/s) =250 Hz
为确定CompuScope 8500型板卡可获得的最大脉冲重复频率PRF,首先必须计算可能的最小脉冲重复间隔(PRI)。PRI的值等于采集时间、PCI总线传输时间和CompuScope 8500的re—arm时间的总和。
●总采集时间是50μs,如下所示:
采集时间=最大记录长度/采样率
=25kS/500MS/s=50μs
●PCI传输时间是250μs,如下所示:CompuScope 8500是一个8-bit卡,所以一个数据采样占一个字节内存。那么,PCI最大传输速率为1OOMB/s或100MS/s, PCI传输时间=最大记录长度/PCI传输速率
=25 kS / 100 MS/s=250μs
●CompuScope 8500的re-arm时间约为30μs。
现在可以计算出CompuScope 8500可用的最小PRI:
PRI最小值=采集时间+PCI传输时间+re-arm时间=50μs+250μs+30μs=330μs
PRF最大值=1/330μs≈3kHz
GaGe公司的CompuScope 8500板卡的3kHzPRF容易满足用户所需的250 Hz PRF的要求,而且预留给应用程序控制电机定位的时间超过90%。
用户将在C语言的基础上编写DOS程序。该程序将设置测试测物扫描,控制电机定位,然后通过简单调用C驱动子程序发来采集和下载超声波传感器位移之间所需的记录。由于正在推进PCI的速度限制,所以建议将CompuScope 8500安装在性能可靠、经过测试的GaGe工业级电脑中。
责任编辑:gt