时间:2020-07-23 14:09
人气:
作者:admin
1、引言
CO气体浓度监测仪是用来测量相关环境空气中CO含量的便携式智能仪器。目前,国内CO气体监测仪与控制中心的数据通信最常见的是通过CAN总线、RS一485总线或RS一232总线来完成。RS一232总线的通讯距离是12 m,最大可达15.4 m;RS一485总线的通讯距离是1200 m。CAN总线的直接通讯距离最大可达10 km。但无论哪种方式都有距离的限制.而且最终决定了控制中心的固定性。随着GSM移动通信网络的迅速普及和竞争的日益激烈.GSM模块作为一种主要的GSM网络接入设备.应用越来越广泛,并已开发出多种前景乐观的应用.如GPS/GSM(SMS)移动车辆监控定位系统;机房监控、远程维护系统:移动性数据查询证券交易和信息查询;数据采集系统;移动:POS机和移动收费系统:移动IC卡电话、固定无线接入 系统;移动性数据和Intemet的接入。但是还没有把短消息模块应用在CO气体检测仪器中。提出一种通过GSM短消息收发模块实现与短信中心通信的CO气体监测仪的设计方案。
2、TC35模块
TC35型模块是终端的主要功能部件,由GSM基带处理器、电源专用集成电路、射频电路和闪速存储器等部分组成,负责处理GSM蜂窝设备中的音频、数据和信号,内嵌的软件部分执行应用接口和所有GSM协议站的功能。基带处理器包含蜂窝无线部分的所有模,数转换功能,为满足GSM、PCS蜂窝用户市场日益增长的要求.在不用外接电路的情况下就能支持FR、HR和EFR语音和信道编码。射频部分基于SMARTi型电路.模块内的天线电缆连接到GSC类型的50Ω 连接器。TC35模块适合最小功率的GSM蜂窝设备.这种蜂窝设备的应用部分构成人机接口(MMI)。通过串口(RS232)可接入TC35。TC35通过40针ZIF连接蜂窝应用部分,ZIF连接器提供控制数据、音频信号和电源线的应用接口。终端系统的工作电压为5 VDC。由于TC35的突发耗电电流峰值可达3 A.故外加稳压器件必须达到足以提供该额定电流的条件。在该终端中。采用LM2596型开关电源完成12V到5V的转换.作为TC35终端的电源。必须注意的是。由LM2596完成开关电源转换需要大功率的电感器和电容器.以提高储能能力.满足TC35的耗电要求。
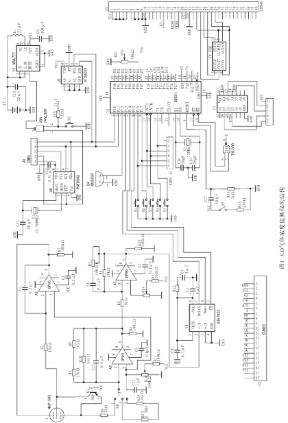
3、CO气体监测仪系统的结构
具有GSM短消息收发功能的便携式CO气体浓度监测仪的结构如图1所示。笔者研制的监测仪主要用于公共场所及某些生产车间空气中CO浓度的监测.采用电池作为供电电源.CO传感器N1选用日本根本特殊化学株式会社生产的NAP一505型电化学式传感器。传感器输出电流与CO气体浓度成线性关系(UOUT=70 nA±10 nM/l×106)。A1(OP90)可以保证工作电极和参考电极等电位。传感器输出OμA~70μA电流经Aa(OP90)转换成0 V~O.7 V的电压,以保证当CO浓度在0~10-3时A3的输出为0 V~2.5V,以满足MD转换器U.I(ADS7822)的输入要求。OP90具有内部调零电路.允许仪器放大器提供真正的零输入零输出操作。NAP一505的温度特性用常数B为3 435 K的NTC热敏电阻器进行补偿,温度经过补偿后.其输出在一10℃~50℃范围内能够满足精度要求。Ul(ADS7822)的参考电压通过5 Ω电阻器和电容器组成的电源滤波器接到Vcc上.滤除电源自身的高频噪声。经A/D转换后的数据送人U2(89LV/51)单片机,存储在U7(AT24C08)中。CO气体浓度监测仪的液晶显示模块可以显示浓度值和浓度变化曲线.并通过短消息收发模块与控制中心通信。

4、单片机对TC35模块的控制
本系统只使用短消息收发功能.因此只使用TC35的数据输入,输出接口。需要注意的是TC35是作为数据通讯设备(DCE)来连接的,而不是像一般调制解调器作为数据终端设备(DTE)进行连接。如图l所示.TC35的BXDO对应单片机的。RXD,TC35的TXD0对应单片机的rXD。TE35数据接口工作在CMOS电平(2.65 V),单片机对FC35的控制和通信信号进行电平转换。本系统中通过7404型OC门电路完成电平转换。系统加电后,为使TC35进人工作状态.必须给IGT加一延时大于:100 ms的低脉冲.电平下降持续时间不能超过100 ms。启动后IGT应保持高电平(3.3 V)。驱动IGT时TC35的供电电压不能低于3.3V,否则TC35不能被激活。TC35的数据输入/输出接口实际上是一个串行异步收发器,符合ITU—RS232接口标准。它有固定的参数:8位数据位和l位停止位.无校验位.波特率为300 b/s~115 kb/s可选.笔者给系统设置的是9600 b/s。ZIF连接器给SIM卡接口提供6针.其中CCIN用来检测SIM卡是否插好.连接器的SYNC脚控制灯的状态.以此判断TC35的工作状态。单片机控制短消息收发子程序.其流程如图2所示。其中。初始化工作包括设置串口速率、无线网络登陆及设置短信模式为PDU模式。

5、短信收发的实现
TC35采用AT贺氏指令。单片机可以通过正确的AT指令对TC35模块进行初始化短消息的接收和发送。对短消息的控制有3种模式:Block模式、PDU模式和Text模式。使用Block模式需要厂家提供驱动支持。目前,PDU模式已取代Block模式,而Text模式不支持中文。因此本系统使用PDU模式进行短消息的接收和发送。TC35启动后自动给单片机发送~SYSSTART,表示模块可以正常工作,然后通过如下AT指令对短消息模块进行控制:网络注册:AT+CREG?设置成PDU模式:AT+CMGF=0发送SMS信息(PDU)模式:AT+CMGS=019 0DOA0891683108401505f011000d91683167866040f20008a9044f60597dla(发送时将其转换为ASCLL码)。由单片机发送AT+CMGL;O0D 0A的查询命令可查询是否有未读短消息。返回格式如下:
+CMGL:2,0,,260891683108401505F0240D91683167866040F20008507032418095000665E94EOA597DOK
接收数据格式解释如下:+CMGL:2,0,,26,(2:第二条;0:未读);26:短消息的长度
6、结束语
由TC35型模块控制的CO气体监测仪的,优点是控制中心具有可移动,覆盖范围广,实时性好,可靠性高,保密性好。以GSM网络作为无线传输网络,短消息业务经济实惠,适合远程移动监控中心站的管理.具有很广泛的应用前景。
责任编辑:gt