时间:2020-07-27 15:16
人气:
作者:admin
1、 引言
传声介质的声速测量在声学检测中具有重要意义。如何更准确地测量介质的声速在声学技术领域一直是人们比较关心的问题。超声测距设备的测量精度、无损检测中的材料厚度测量准确度等.都与介质的声速测量准确度有关。要想比较准确地测量介质的声速,其关键就是准确地测量时间。因为根据声速计算公式c=L/△t可知,L是已知的,△t的准确程度将直接关系到声速测量的精度。
以ACAM公司推出的TDC-GP1型电路作为测时工具,它能将结果精确到ps,单从时间测量精度来看,该电路可以满足高精度声速测量要求。
2、 TDC-GPl的结构特性
随着半导体技术的发展,高精度时间间隔测量电路和系统的设计与生产成为可能。TDC-GPI是德国ACAM公司研发的高精度时间间隔测量电路,可提供双通道250 ps或单通道125 ps分辨率的时间间隔测量。TDC-GPl采用O.8 μm CMOS工艺,是一种通用高精度时间数字转换器,实际分辨率为30ps~300 ps。
TDC-GPl采用44引脚TQFP型封装,内含寄存器、TDC测量单元、RLC测量单元、16位算术逻辑单元、8位处理器接口单元等主要功能模块。根据不同的应用需要对寄存器进行设置,使其工作在不同工作模式下。TDC-GPl的引脚功能见表l。内部结构框图如图l所示。


TDC-GPI有2个算术逻辑单元(ALU)。前面的ALU将粗值寄存器中的测量结果转变为无符号整数,以便后面的ALU进行算术运算,这个ALU单元不需要时钟。后面的16位顺序ALU主要根据寄存器的设置对测量结果进行偏差校正,并对校准值进行乘法运算。ALU拥有独立的时钟,可以调节时钟发生频率,完成所有上述工作仅需4μs。
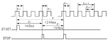
TDC-GPl提供了2个量程及精度可调整等3种模式可供用户选择。在量程l中,可以测量2个通道中每个STOP脉冲与起始脉冲之间的时间间隔及STOP信号之间的时间间隔。但在量程1的情况下,测量范围只有7.6μs。为了增大测量范围,电路中有16位的预除器,最大量程为60 ns~200 ms,这就是量程2。
实验中,笔者应用量程2来实现,其信号时序如图2所示。

在此量程下,只能测量1个通道的START与各STOP脉冲时间间隔(通过控制寄存器2选择通道),不能直接测量STOP脉冲之间的时间间隔。START信号进入后,在电路内部迅速测量出这个信号与下一个校准时钟上升沿的时差即tFC1。之后,计数器开始工作,得到预除器的工作周期数,即counter。这时,重新激活电路内部测量单元,测量出输入的STOP信号的第一个脉冲上升沿与下一个校准时钟上升沿的时差,记为tFC2。tFC3是STOP信号的第二个脉冲上升沿与校准时钟上升沿的时差,tcal1是一个校准时钟周期,tcal2是两个校准时钟周期。根据图2可以得出START信号与STOP信号第一个脉冲的时间间隔:

3 、实现方案及软件设计
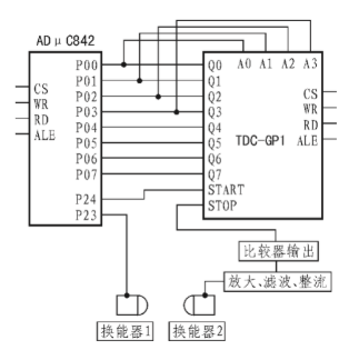
基于TDC-GPl的高精度声速测量设备的电原理如图3所示。图中省略了电源、晶体振荡器及其他外围电路。

在测量中,各个寄存器的设置如下:reg7=Ox00;reg0=0x58;reg2=Ox2l;reg7=0x02;regll=07H。在每次测量之前,都要对电路进行初始化。测量结果从结果寄存器中读出,每次读的地址都是0x00,地址指针会自动加1。由于是校正数据,所以每个结果都用2个寄存器存储。TDC-GPl有8个16位寄存器,因此在测量方式2可以记录4个STOP脉冲和START脉冲之间的时差。8个寄存器循环存数,当第8个寄存器记录后,第5个数据将存入第1个寄存器,原来的寄存器内容被覆盖。
实验中,换能器之间的距离为13 cm,利用ADμC842控制发射信号到换能器1,换能器2接收信号经过放大电路和比较器后进入TDC-GPl的STOP引脚,测得时间延迟后,通过串口送出数据,记录到mydata.dat文件中。软件的简单流程如图4所示。

mydata.dat文件中的数据为4个16进制的数据,需要转化为十进制,应用Matlab可以简单实现转换并计算声速。换能器之间的距离为L,记录时闻延迟数据转化后为.声速为L△t。实验结果非常准确。
VC++的串口接收程序中,对串口的设置如下:


其中的length为2个换能器之间的距离,veloci-ty为所测得的声速。
4 、结束语
TDC-GPI型电路具有百皮秒量级的时间间隔测量精度,为精确的声速测量提供了方便。基于TDC-GPl和高效率的微控制器设计了一套高精度的声速测量装置,试运行表明测量精度符合实际要求,反映时间比较快,能够满足实际应用的需要,尤其适合需要快速或动态测量的应用场合。
责任编辑:gt
上一篇:关于nVent PXI Express系统的模块化设计
下一篇:超声波法工作原理