时间:2020-07-20 14:16
人气:
作者:admin
在校准仪中经常需要自动输出人们所需的精密电阻值,以取代精密电阻箱、电位器。把电阻箱改成了由继电阻切换可输出所需阻值,但其体积大且串接了继电器接触电阻。用数字电位器通过切换半导体电阻来得到可变的阻址,由于串入较大开关导通电阻且温度稳定性差,无法获得精密电阻值及高分辨率。用运放等构成单口网络,通过编程得到输入电压及电流的比值,即可获得可编程的线性电阻。这种阻抗合成技术可获得很高精度的输出电阻,如WAVETEK公司的9100型多功校准源就采用了合成电阻。
1、 电阻设计
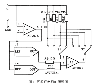
合成电阻的电路原理图如图1所示,由输入运放、D/A转换器、模拟开关、输出运放及失调调零电路构成。施加于标准电阻一端的输入电压值经过缓冲放大、比例调节后,反馈到标准电阻的另一端,以此来控制输入电流,从而确定输入电阻值。

运算放在器A1接成电阻跟随器形式,输出电压为U10=Ui,作为D/A转换器的基准电压。D/A转换器由U1及U2复合而成,均采用电压输出型乘法转换器,使基准电压即使减小到接近零也可得到较好的比例输出。数/模转换器的传输系数K由输入数/模转换器U1、U2的数字信号决定。因此D/A转换器的输出电压为UD/A=Kui。由于A2工作于线性放大状态时两输入端嗯位相等,因此A2的反相端电压为KUi。模拟开关S1上电流为零,因此连接于通开关的标准电阻下端电压也为KUi,合成电阻的输入电流通过标准电阻及模拟开关S2全部流向运放A2的输出端。这样,施加于标准电阻上的电压为Ui-KUi,电流为Ii=(Ui-KUi)/Rs。由于运放A1的同样输入电流为零,则对输入端来讲,可得合成电阻R=Ui/Ii为:
R=Rs/1-K (1)
即标准电阻倍增了1/(1-K)倍,而与模拟开关的导通电阻无关。当K=0时,电阻不变;当K=0.9时,电阻放大10倍。可见,可以通过改变D/A转换器的输入值以调整K值来改变合成电阻值。标准电阻Rs通过模拟开关S1、S2选择为10Ω、100Ω、1kΩ、10KΩ,从而可得到输出100Ω、1kΩ、10kΩ、100kΩ等连续电阻量程。电路中,运算放大器A1连接成电压跟随器的形式,A2接近单位增益,并接入校正电容,因此呆得到稳定的合成电阻。
在电路中,用两个D/A转换器复合可以合成更高的分辨率。如两片低温漂高稳定性的16位乘法D/A转换器的合成,可以得到20倍以上的分辨率。运放A2构成了同相加法器,同相端的电压为:
UDA=R10/(R9+R10)UDA1+R10/(R9+R10)UDA2
取R10=65536R9,则:
UDA=(65536/65536)UDA1+(1/65536)UDA2
这样即可把两16位数/模转换器的输出拼合成32位输出,以得到尽可能高的分辨率。
2、 误差分析
式(1)中电阻是基于理想到的,但实际运放由于存在失调电压、热电势、偏置电流等会引入误差。合成电阻施加的电压较小时,失调电压及热电势等误差电压的影响较大;电流较小时,偏置电流影响较大。在两级运放中,设失调电压与相应的热电势等误差电压之和分别是Ue1、Ue2,则运放A1输出端及A2反相输入端的电压分别为:
Uo1=Ui-Ue1
U2i=KU01-Ue2
其中,K为D/A转换器的传输系数。
再由Ii=(Ui-U2i-)/Rs及R=Ui/Ii,可得合成电阻值为:
R=[Rs-(Kuel+Ues)/Ii]/1-K (2)
或R=Rs/1-K+(Kuei+Ue2)/Ui (3)
可见,Ue1、Ue2与合成电阻值有关,并使电阻变成非线性,当Ue1、Ue2为0时,上式退化为(1)式。可见,其误差不仅与Ue1、Ue2成正比,而且与Ii或Ui成反正,即合成电阻的工作电流电压越小,相对误差越大。如挑选失调电压优于10μV的低温漂精密运算放大器AD707K,外接失调调零电位器调整后,短期内Ue1、Ue2可控制在0.1μV以内。此时,如K=0.9,Rs=1kΩ,工作电流在0.2mA时,由(2)式可得Ue1、Ue2引入的误差接近1ppm,即误差比K=0时放大了10倍。
输入运放的偏置电流也会分流输入电流而此入较大误差,其相对误差为Ib/Ii。工作于0.2mA时,如采用典型偏置电流为0.5nA的运放AD707K,可产生2.5ppm的误差,如加大工作电流一步减小误差。采用某些斩波稳零的运放(如典型失调电压为0.5μV、典型偏置电流仅为2pA的TLC2652运放),则可以忽略偏置电流的影响,但其输入噪声电压偏大。
3 、自动校正措施
对普通电阻,工作电流不同时会由于热效应引起温漂与热电势而产生误差,因此在多数8位半数字多用表的电阻测量中,都采取了降低工作电流及消除热电势的措施。对合成电阻,工作电流不同时还存在运放失调电压等引起的误差,而且这些误差由于温漂及时漂等原因并不能长期稳定。
此合成电阻是集校准与7位半分辨率测量功能一体的校准仪的部件之一,通过测量功能的自校正,可以进一步提高精度。然而从式(2)可见,合成电阻与输入电流有关,而实际的工作电流与自校正时的电流又不一定相同,所以Ue1、Ue2引起的误差并不能直接通过测量阻值来校正。误差的根据是Ue1、Ue2。所以有效的办法是求出并消除Ue1、Ue2,使合成电阻与工作电流无关。
采用系统自带的精密电阻测量体系可以求出Ue1、Ue2。具体步骤为:取K=0.9,用激励电流为I1的最合适的量程一测得合成电阻为r3;取K=0,用量程一及激励电流为I2的稍大的量程二来分别测量合成电阻,得到读数r1、r2。将其电阻及电流值分别代入式(2)并整理,可得:
Ue2=I1Rs-I2r1 (4)
Ue2=I2Rs-I2r2 (5)
0.9Ue1=I1Rs-Ue2-0.1I1r3 (6)
对式(4)、(5)、(6)求解,得:
Ue1=1.1111I1(r1-0.1r3) (7)
Ue2=(r1-r2)/(1/I2-1/I1) (8)
可见失调电压可以通过测量电阻及已知的恒流激励源来求取。如激励电流I1=0.5mA时,读数r1为1000Ω。大电阻(20MΩ)量程的激励倍增后的r3为10000.018Ω。大电阻(20MΩ)量程的激励电流I2=0.5μA即电压仅5mV时,r2变为1001.8Ω,此时可求得Ue1=-1μV,Ue2=-0.9μV。当然仅利用(4)、(6)两式也可得到(7)式及Ue2=I1(Rs-r1),但已知值Rs及测量值r1的来源性质不同,会引入较大误差。而式(8)中,r1、r2同为测量值,其漂移影响较小。
尽管求出了Ue1、Ue2,但由于施加于合成电阻的电压或电流不定,所以并不能通过改变K值来消除误差。有效的办法是外接D/A转换器来抵消Ue1、Ue2,以彻底消除式(2)、(3)中的非线性项。作者采用了廉价的10位双D/A转换器TLC5617的两个通道分别对两运放进行补偿。
对于运放A1,接成非单位增益的同相放大电路时,可在反相输入端加入校零电路。为保持电压跟随器形式,设计了图2所示的自动失调调零电路。AD707K等运算放大电路提供了失调电压调节端,只要在两调零端接入电位器至电源端,改变两调节端的输入电流即可实现手动调零。作者为实现自动调零,根据调零原理改进了调零电路。

图中U4的基准电压选为2V,则U4的输出电压范围为0~4V。接入R3、R4、R5的目的是提供一个调节范围的中心位置,使电压能够双向调节。对D707K及图示的参数,失调电压与D/A转换器的输出电压间的关系是线性的。经过实际测试,其灵敏度为7.35μV/V,即0.028V/bit,总调节范围为±14.7μV。运算放大器A2采用与A1同样的调零方法。
由此可见,可以利用数/模转换器来消除Ue1及Ue2。由于运放失调漂移较小,可以间隔一定时间后再次自动校正。失调电压及1μV以上的热电势等误差电压均可得于校正。至于运放的增益误差等(如140dB增益时,1V的输出电压也会引起0.1μV的运放两输入端的误差),其性质与系数K相同,通过内置电阻测量电路的自校正即可消除。因此,合成电阻精度主要取决于电阻测量电路。合成电阻中,D/A转换器的控制、失调电压的计算及其自动校正均由内置的DSP320C32来实现。
通过此法合成的电阻,可满足较高精度电阻测量仪表的校正要求。通过调整D/A转换器的输入数据及切换标准电阻,可以合成出10Ω~100kΩ的各个电阻值,且具有很高的分辨率及稳定性。其长期稳定性也通过测量电路的自校正而得以保证。采用高精度低温标线绕电阻作标准电阻,合成电阻的精度优于10ppm。经过校正后,合成电阻基本不受工作状况的影响,所存在的问题是工作电压受限,合成电阻的频率响应与实际电阻尚有较大差跟,较适用于直流校验应用中。
责任编辑:gt