时间:2020-04-24 09:40
人气:
作者:admin
引言
我们开发氮氧化物化学发光法分析仪时,整个系统有三处需要温度测控:反应室,钼转换室,光子计数器PMT。反应室中的温度对化学反应(一氧化氮与臭氧反应)有一定的影响,我们要找到最佳温度,使反应效率最大。钼转换室的温度影响二氧化氮转换为一氧化氮的效率,因此也需要效率最大时的温度。温度测量与控制的要求是:反应室的测控温度范围为:30—70OC,波动:±0.5 OC;钼转换室的测控范围为:250—370 OC,波动:±3 OC。光子计数器PMT受温度的影响很大,温度越高光子计数器PMT的暗计数越高。在对光子计数器PMT制冷的同时,对它的温度也进行监视,以确定其是在低温(约5OC)环境下工作。系统要求测温精度为0.05OC。
为保证系统要求,缩短系统开发时间,我们采用了美国国家仪器公司(National Instruments)的图形化编程软件系统LabVIEW和数据采集卡Lab-PC-1200,构建了分析仪的整个温度测控系统。在构建系统过程中,解决了数据采集卡的多路测量与输出控制的问题,在一定的硬件条件下,优化程序进一步提高系统测控性能。对于基于虚拟仪器构建多路测控系统进行了初步的探讨。
温度测控系统组成
该系统将计算机,强大的图形化编程软件和模块化硬件结合在一起,建立起具有灵活性的基于计算机的测量与控制应用方案,最终构建起满足自己需求的系统。系统由以下几个部分组成:计算机,LabVIEW,数据采集卡,温度传感电路,加热控制电路。温度信号由传感器转换为电压信号,再经数据采集卡进入计算机,在计算机上运行的LabVIEW程序对输入的数据进行分析处理,将结果由计算机显示出来,同时通过数据采集卡输出控制信号给外部加热控制电路,达到测量与控制温度的作用。

其中数据采集卡Lap-PC-1200是一种低廉的, 在计算机上使用的板卡。它可以采集模拟信号,数字信号,拥有定时器的功能,同时还具有模拟输出的功能。该数据采集卡具有高性能的数据采集与控制能力,可用于实验室测试,生产测试,以及工业监视和控制。
我们主要使用的是该卡的模拟输入与模拟输出的功能。Lab-PC-1200数据采集卡具有八个模拟输入通道,两个模拟输出通道。
八个模拟输入通道ACH0-ACH7,其内部模数转换器是12bit逐步逼近式,你可以将其设定为八个单端信号输入方式或四个差动信号输入方式。该卡具有三种不同的模拟输入模式:RSE,NRSE,DIFF输入模式。我们设置的是RSE输入模式,RSE输入模式是指所有输入信号都是参考公共地AGND(公共地在这里是指模拟输入地)。Lab-PC-1200的模拟输入还可以选择单极性或双极性。选择单极性,输入电压范围为0 to 10 V,0V 对应 0 hex,而10 V 对应 FFF hex(4095 decimal)。选择双极性,输入电压范围为-5 to +5 V。我们设置模拟输入为单极性。
两个模拟输出通道DAC0OUT与DAC1OUT,你可以设置模拟输出通道为单极性或双极性输出。单极性输出范围为0 to 10 V,数值范围为0 to 4095 (0 to FFF hex)。双极性输出范围为 -5 to +5 V,数值范围为-2048 to 2047 (F800 hex to 7FF hex)。我们设置的是模拟输出为单极性。刷新模拟输出的电压,这共有两种方式:一种叫立即刷新模式(immediate update mode),当你一有数据写入数模转换器(DAC)时,其输出电压就刷新。另一种叫延迟刷新模式(delayed update mode),只有探测到计数器A2或EXTUPDATE是低电平时,其输出才会开始刷新。我们设置的是立即刷新模式。DAC0OUT对应模拟输出通道0,DAC1OUT对应模拟输出通道1。AGND是这两个模拟输出端的参考地[2]。
PMT的温度测量
光子计数器PMT在半导体制冷片的作用下,温度大约是5OC 。其温度测量电路如图2所示

电路中,AD590集成温度传感器,它是一种恒流输出的二端温度器件,其内部是经过修正校准的控制电流源,其输出电流与绝对温度成正比,即
(1)
式中[i]k[/i]为温度系数
(2)
AD590使用电压范围是DC4-30V,在此电压范围内,环境温度在-55-150[i]℃ [/i]变化时输出电流与温度具有良好的线性关系。MC1403的基准电压源,输出为2.5V,调整可变电阻W1使I2= 273.2[i]m[/i]A,则
(3)
DAQ模拟输入端ACH1(AI2)的输入电压即为
(4)
我们设置模拟输入为RSE模式,单极性,则其输入电压范围为0 to 10 V,同时设置其内部放大系数为10,则其输入电压范围变为0 to 999.756 mV。
(5)
U为LabVIEW程序中读取到的模拟输入量,由式(5)可推出:
(6)
由于温度传感器,放大器,基准电压源和电阻都会存在一定的偏差,因此我们使用一个标准温度计来定标,最后将式(6)调整为:
(7)
由于模拟输入的模数转换的分辩率为12-bit,则可以从式(7)推出温度的最小分辩值:△t=8.06%26;#215;△U=8.06%26;#215;(10/4095)≈0.02,0.02OC符合系统要求。 反应室的温度测控

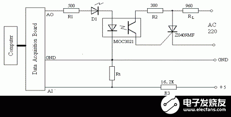
反应室内部装有加热棒和温度传感器(热敏电阻),它们接到温度测控电路,由计算机控制实现精确控温。温度测控电路如图3所示。
电路中,RL为加热棒;Rt为负温度系数热敏电阻;MOC3021为光耦;Z0409MF为可控硅;Date Acquisition Board (DAQ)是数据采集卡Lab-PC-1200, AO、AI和GND分别是它的模拟输出端、模拟输入端和接地端。其中数据采集卡Lab-PC-1200的配置如下:模拟输入为RSE模式,单极性,则其输入电压范围为0 to 10 V;模拟输出为单极性,立即刷新模式。模拟输入通道选择ACH0,模拟输出通道选择DAC0OUT,模拟地AGND。
电路的工作过程可分为:温度信号产生与处理,温度控制信号生成与输出。
1、温度信号产生与处理
温度信号由测温电路产生。测温电路由R3、Rt、及DC+5V电源组成。Rt为负温度系数热敏电阻,其阻值与绝对温度的关系为
(8)
上式中B、C为常数。实验测得不同温度下热敏电阻阻值,把lnRT和绝对温度T进行线性拟合,得B=4206.96 C=-10.23 。由式(8)得绝对温度与热敏电阻阻值的关系为:
(9)
把绝对温度换为摄氏温度得
(10)
50%26;#176;C时,热敏电阻阻值为16.20KW,为在50%26;#176;C左右得到最大灵敏度,选取分压电阻R3为16.20KW。由电路,已知热敏电阻为
(11)
上式中[i]U[/i]为热敏电阻分压。由式(10),(11)即可得到温度t 电压信号U由Lab-PC-1200的模拟输入通道ACH0(引脚1)读入计算机,再由LabVIEW程序计算得到温度值t。
2、温度控制信号生成与输出
该部分功能由程序控制数据采集卡和计算机实现。热敏电压U由模拟输入通道ACH0(引脚1)引入数据采集卡,在程序中通过公式(10)(11)便可算出温度t,将t与设定温度t0进行比较,其中a与b为百分系数
(12)

如占空比大于或等于1,则表明温度还没有接近设定温度,需全程加热,数据采集卡的模拟输出端AO输出全为高电平(电压5V)。如占空比小于1,数据采集卡的模拟输出端AO输出方波中的高电平的时间与方波周期之比和占空比相等。根据加热棒的加热能力,反应室的散热情况,可适当调整百分系数a和b,使得当温度达到设定温度时,反应室吸收的热量与散发的热量相等,从而反应室温度处于一个动态的平衡。
在数据采集卡的模拟输出端AO输出的一个方波周期内,输出为高电平时,光耦导通,R2上有分压,触发可控硅导通,加热棒工作,使反应室温度升高。AO端输出为低电平时,光耦不导通,可控硅也不导通,加热棒不工作。
以上过程循环进行,使反应室缓慢逼近设定温度,避免了由于热惯性太大而造成的温度波动。该控温系统可使反应室温度稳定在室温到70°C的任意温度,温度波动小于0.5°C,保证了实验所需的温度条件。控温程序是在LabVIEW平台上编写的,界面生动直观,操作方便。

钼转换室温度测控系统基本与反应室的相同,该系统可以使钼转换室温度稳定在室温到370°C之间的任意温度,温度波动小于1°C,满足系统的要求。
5.结束语
本文使用虚拟仪器技术构建的多路温度测控系统,已在大气氮氧化物化学发光法分析仪上应用,该系统精度较高,温度波动较小。在系统组建过程中,由于利用了图形化编程软件和数据采集卡,大大缩短了系统组建时间,且又较经济。并且为多路测控系统的研究提供了实践经验。
责任编辑:gt