时间:2020-03-25 14:08
人气:
作者:admin
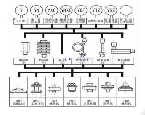
A)螺纹连接
隔膜压力表连接螺纹规格主要有:M14*1.5、M20*1.5、G1/2、G3/8、NPT1/2等,也可以根据用户要求生产。
B)法兰连接(包括工字法兰)
按化工部HG,国标GB及日本JIS,美国ANSI等标准制造。
C)卫生型接口
卫生型接口有:螺母式、螺栓式、卡箍式。。

1、隔膜压力表安装首先检查量程是否正确,一般工作压力是表压力的2/3或者1/3处。
2、隔膜压力表如果是耐震的,需要检测是否漏油。现场工况如果有振动建议选择防震型隔膜压力表。
3、避免氧气和液压油之混合(压力需禁油测试)以免产生爆炸。
4、压力表不可任意拆开修理及调整,必须由专门维修之技术人员负责。
5、使用高压系统时,安装须特别注意,尤其是气压。
6、压力计应安装在便于判读,牢固且无震动源的地方。
7、使用环境及介质温度过高,应选择耐高温之压力计或虹吸管降温。
8、如检测之压力介质具腐蚀性(强酸或强碱)或高浓度之流体、粉体,应选择具抗腐蚀性材质(SS316、PP)之压力计或隔膜式压力计。
9、组装前,锥度螺牙(PT、NPT)应使用止泄带或螺纹固定剂(缺氧胶)缠绕固定,平行螺牙(PF、PS)应使用垫片或(铜或铁弗龙)正确组装。
10、安装直立式压力计时,应将压力计先用手轻轻旋转导入待锁位置后,再以正确之扳手两支,一支固定于待锁之六角接头,另一支扳手旋转压力表接头六角处旋紧。
11、安装埋入压力计时,同10项之动作完成后,再将压力表法兰三孔或取付支架固定。
12、禁止以手用力旋转压力计组装,这样会造成压力计内部部件损坏或造成指示误差。
13、隔膜式压力计之膜片部份,禁止以任何物体或手指去挤压,这样会导致膜片变形或损坏,使压力计固障。
14、安装完成后如机器运转试机时,应注意压力源之各种压力调整设备,应先将其调至归零,开机后再调整所需之压力,以避免开机后瞬间压力超过表面压力,造成压力表损坏。
15、压力计需定期检查与校正,才能确保压力计的准确度,校正周期依需求订定,一般建议一年一次为原则。
上一篇:隔膜压力表和膜片压力表的区别
下一篇:高低温试验箱的常见故障分析