时间:2018-01-08 14:09
人气:
作者:admin
低频信号发生器采用单片机波形合成发生器产生高精度,低失真的正弦波电压,可用于校验频率继电器,同步继电器等,也可作为低频变频电源使用。
低频信号发生器组成主要包括主振器、电压放大器、输出衰减器、功率放大器、阻抗变换器和指示电压表等。下图为低频信号发生器的组成结构框图。

低频信号发生器的组成结构框图
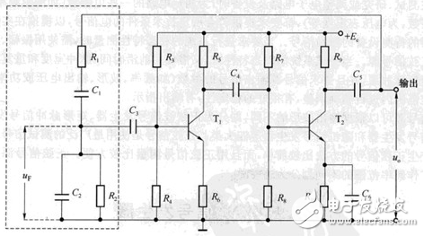
RC文氏桥式振荡器具有输出波形失真小、振幅稳定、频率调节方便和频率可调范围宽等特点,故被普遍应用于低频信号发生器主振器中。主振器产生与低频信号发生器频率一致的低频正弦信号。

RC桥式振荡器
文氏桥式振荡器每个波段的频率覆盖系数(即最高频率与最低频率之比)为10,因此,要覆盖1Hz~1MHz的频率范围,至少需要五个波段。为了在不分波段的情况下得到很宽的频率覆盖范围,有时采用差频式低频振荡器。假设f2=3.4MHz,f1可调范围为3.3997MHz~5.1MHz,则振荡器输出差频信号频率范围为300Hz (3.4MHz-3.3997MHz)~1.7MHz(5.1 MHz-3.4 MHz)。
差频式振荡器的缺点是对两个振荡器的频率稳定性要求很高,两个振荡器应远离整流管、功率管等发热元件,彼此分开,并良好屏蔽。
电压放大器兼有缓冲与电压放大的作用。缓冲是为了使后级电路不影响主振器的工作,一般采用射极跟随器或运放组成的电压跟随器。放大是为了使信号发生器的输出电压达到预定技术指标。为了使主振输出调节电位器的阻值变化不影响电压放大倍数,要求电压放大器的输入阻抗较高。为了在调节输出衰减器时,不影响电压放大器,要求电压放大器的输出阻抗低,有一定的带负载能力。为了适应信号发生器宽频带等的要求,电压放大器应具有宽的频带、小的谐波失真和稳定的工作性能。
输出衰减器用于改变信号发生器的输出电压或功率,分为连续调节和步进调节。连续调节由电位器实现,步进调节由步进衰减器实现。图2.9为常用输出衰减器原理图,图中电位器RP为连续调节器(细调),电阻R1~R8与开关S构成步进衰减器,开关S为步进调节器(粗调)。调节RP或变换开关S的挡 。
功率放大器用来对衰减器输出的电压信号进行功率放大,使信号发生器达到额定功率输出。为了能实现与不同负载匹配,功率放大器之后与阻抗变换器相接,这样可以得到失真小的波形和最大的功率输出。 阻抗变换器只有在要求功率输出时才使用,电压输出时只需衰减器。阻抗变换器即匹配输出变压器,输出频率为5Hz~5kHz时使用低频匹配变压器,以减少低频损耗,输出频率为5kHz~1MHz时使用高频匹配变压器。输出阻抗利用波段开关改变输出变压器次级圈数来改变。