时间:2018-01-12 09:10
人气:
作者:admin
可控硅,是可控硅整流元件的简称,是一种具有三个PN结的四层结构的大功率半导体器件,亦称为晶闸管。具有体积小、结构相对简单、功能强等特点,是比较常用的半导体器件之一。
可控硅分单向可控硅和双向可控硅两种。双向可控硅也叫三端双向可控硅,简称TRIAC。双向可控硅在结构上相当于两个单向可控硅反向连接,这种可控硅具有双向导通功能。其通断状态由控制极G决定。在控制极G上加正脉冲(或负脉冲)可使其正向(或反向)导通。这种装置的优点是控制电路简单,没有反向耐压问题,因此特别适合做交流无触点开关使用。
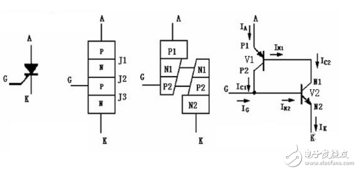
可控硅具有三个PN结(J1、J2、J3),构成了四层P1N1P2N2结构,如下图所示。可控硅对外有三个电极,由第一层P型半导体引出的电极称为阳极A,由第三层P型半导体引出的电极称为控制极G,由第四层N型半导体引出的电极称为阴极K,其中控制极G的存在使得可控硅的工作特性不同于二极管。

在分析可控硅工作原理时,我们经常将这种四层P1N1P2N2结构看作由一个PNP管和NPN管构成,如下图所示。

当阳极A端加上正向电压时,BG1和BG2管均处于放大状态,此时由控制极G端输入正向触发信号,使得BG2管有基极电流ib2通过,经过BG2管的放大后,其集电极电流为ic2=β2ib2。而ic2沿电路流至BG1的基极,故有ib1=ic2,电流又经BG1管的放大作用后,得到BG1的集电极电流为ic1=β1ib1=β1β2ib2。此电流又流回BG2的基极,使得BG2的基极电流ib2增大,从而形成正向反馈使电流剧增,进而使得可控硅饱和并导通。由于在电路中形成了正反馈,所以可控硅一旦导通后无法关断,即使控制极G端的电流消失,可控硅仍能继续维持这种导通的状态。
通过上面对工作原理的分析可知,可控硅只具有导通和关断两种工作状态,那么这两种工作状态之间如何进行转换呢?状态的转换需要什么条件呢?下图将会告诉你答案~

上一篇:达到光电转化速度极限的石墨烯
下一篇:如何用万用表判断IGBT的好坏