时间:2007-12-26 22:11
人气:
作者:admin
单相变压器实验
一、实验目的:
1、 学会测变压器变比。
2、理解变压器绕组的概念;掌握测定单相变压器绕组的极性。
二、预习要点:
1、什么是变压器的变比?
2、变压器绕组的极性的定义。如何用实验方法测定单相变压器绕组的极性?
三、实验项目
1、测变压器变比。
2、测极性:用直流感应法测量。
四、实验设备:
1、单相实验变压器6V/12V 1台
2、万用表 1块
3、检流计 1块
4、单极开关QS 1块
5、实验台B组交流3V、6V
6、干电池 1.5V 1个
7、连接导线
五、实验线路及操作步骤:
一)测变比
变压器的变压比K是原边电势与副边电势之比,等于原边电压与副边电压之比。它是变压器的一个重要参数。
①按图1-1接线,将变压器的低压线圈接电源,高压线圈开路。
②合上开关QS,将低压线圈外施电压调至额定电压的50%左右,测量低压线圈Uax及高压线圈电压UAX。对应不同的输入电压,共读取三组数据记入下表1-1中。
表1-1
|
序号 |
Uax (V) |
UAX (V) |
K |
|
1 |
|
|
|
|
2 |
|
|
|
|
3 |
|
|
|

二) 测极性
1、检流计法
变压器绕组的极性是指变压器原、副绕组在同一磁通的作用下所产生的感应电势之间的相位关系。
①按图1-2接线。变压器的高压线圈的端点A接电池正极,X端接电池负极,低压线圈的ax接检流计。
②接通开关K,在通电瞬间,注意观察检流计指针的偏转方向,如果检流计的指针正方向偏转,则表示变压器接电池正极的端头和接检流计正极的端头为同极性;如果检流计的指针负方向偏转,则表示变压器接电池正极的端头和接检流计负极的端头为同极性。
实验现象:
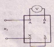
2、电压表法
①下图1-3是电压表法极性测试接线图,将X和x点连起来。在它的原绕组上加适当的交流电压,副绕组开路。

图1-3 电压表法极性测试接线图
②用电压表分别测出原边电压U1、副边电压U2和A-a两端电压U3。若U3=U1+U2,则说明U1和U2同向,X-x为异名端相接,A和a互为异名端,A和x互为同名端;若U3=U1-U2,则说明U1和U2反向,X-x为同名端相接,A和a互为同名端。采用这种方法,应使电压表的量限大于U1+U2。
将测量数据记入下表1-2中,并说明结论。
表1-2
|
序号 |
U1 (V) |
U2 (V) |
U3 (V) |
|
1 |
|
|
|
|
2 |
|
|
|
结论:
六、实验注意事项
1、实验前必须熟悉各实验仪器和仪表的使用方法。
2、实验前要搞清楚实验的方法步骤。
3、通电前,一定要检查实验线路是否正确。
4、用直流感应法测变压器的极性时,宜将高压线圈接电池,以减少电能的消耗,而将低压绕组接检流计,以减少对检流计的冲击。
5、遇异常情况,应立即断开电源,待处理好故障后,再继续实验。
七、实验作业
1、按要求说明实验现象和实验结论。
2、谈谈实验心得。
上一篇:三相异步电动机实验
下一篇:三相异步电动机的点动控制实验