全球最实用的IT互联网信息网站!

AI人工智能P2P分享&下载搜索网页发布信息网站地图

当前位置:诺佳网 > 电子/半导体 > 测量仪表 >

三相异步电动机Y—Δ自动降压启动控制实验

时间:2007-12-26 22:28

人气:

作者:admin

标签: 电动机 

导读:三相异步电动机Y—Δ自动降压启动控制实验-三相异步电动机Y—Δ自动降压启动控制实验1、实验目的...

三相异步电动机Y—Δ自动降压启动控制实验

1、实验目的

⑴学会三相异步电动机Y—Δ自动降压启动控制的接线和操作方法。

 ⑵理解三相异步电动机Y—Δ自动降压启动的概念。

⑶理解三相异步电动机Y—Δ自动降压启动的基本原理。

⑷了解时间继电器的作用和动作情况。

 

2、预习内容及要求

 ⑴Y—Δ转换启动的作用

    三相异步电动机的Y—Δ转换起动方式是大容量电动机起动常用的降压起

动措施,但它只能应用于Δ形连接的三相异步电动机。在起动过程中,利用

绕组的Y形连接即可降低电动机的绕组电压及减少绕组电流,达到降低起动电流和减少电机起动过程对电网电压的影响。待电动机起动过程结束后再使绕组恢复到Δ形连接,使电动机正常运行。

⑵电动机Y—Δ启动控制原理

①控制线路及电路组成

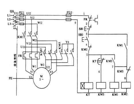
三相异步电动机的Y—Δ变换起动控制的连接线路如图3-6所示,它主要有以下元器件组成:

      图3-6 三相异步电动机Y—Δ自动降压启动控制线路

a.起动按钮(SB2)。手动按钮开关,可控制电动机的起动运行。

 b.停止按钮(SB1)。手动按钮开关,可控制电动机的停止运行。

c.主交流接触器(KM1)。电动机主运行回路用接触器,起动时通过电动机起动电流,运行时通过正常运行的线电流。

 d.Y形连接的交流接触器(KM3)。用于电动机起动时作Y形连接的交流接触器,起动时通过Y形连接降压起动的线电流,起动结束后停止工作。

 e.Δ形连接的交流接触器(KM2)。用于电动机起动结束后恢复Δ形连接作正常运行的接触器,通过绕组正常运行的相电流。

f.时间继电器(KT)。控制Y—Δ变换起动的起动过程时间(电机起动时间),即电动机从起动开始到额定转速及运行正常后所需的时间。

g.热继电器(或电机保护器FR)。热继电器主要设置有三相电动机的过负荷保护;电机保护器主要设置有三相电动机的过负荷保护、断相保护、短路保护和平横保护等。

②控制原理

三相异步电动机Y—Δ转换启动的控制原理大致如下:

i.按下启动按钮SB2后,电源通过热继电器FR的动断接点、停止按钮SB1的动断接点、Δ形连接交流接触器KM2常闭辅助触头,接通时间继电器KT的线圈使其动作并延时开始。此时时间继电器KT虽已动作,接点应断开,但其延时接点是瞬间闭合延时断开的(延时结束后断开),同时通过此KT延时接点去接通Y形连接的交流接触器KM3的线圈回路,则交流接触器KM3带电动作,其主触头去接通三相绕组,使电动机处于Y形连接的运行状态;KM3辅助常开触头闭合去接通主交流接触器KM1的线圈。

ii.主交流接触器KM1带电启动后,其辅助触头进行自保持功能(自锁功能);而KM1的主触头闭合去接通三相交流电源,此时电动机启动过程开始。

iii.当时间继电器KT延时断开接点(动断接点)KT的时间达到(或延时到)电动机启动过程结束时间后,时间继电器KT接点随即断开。

 iv.时间继电器KT接点断开后,则交流接触器KM3失电。KM3主触头切断电动机绕组的Y形连接回路;同时接触器KM3的常闭辅助触头闭合,去接通Δ形连接交流接触器KM2的线圈电源。

v.当交流接触器KM2动作后,其主触头闭合,使电动机正常运行于Δ形连接状态;而KM2的常闭辅助触头断开使时间继电器KT线圈失电,并对交流接触器KM3联锁。电动机处于正常运行状态。

vi.启动过程结束后,电动机按Δ形连接正常运行。

 

3、实验器材

代号

名称

型号

规格

数量

M

三相异步电动机

Y-112M-4

4KW、380V、Δ接法

1

 

QS 

组合开关

HZ10-25-3

三极额定电流25安

1

FU1

螺旋式熔断

RL1-60/25

500V、60安配熔体额定电流25安

3

FU2

螺旋式熔断器

RL1-15/2

500V、15安配熔体2安

2

KM1、KM2

KM3

交流接触器

CJ10-20

20安、线圈电压380V

3

SB1、SB2

按钮

LA4-3H

保护式、按钮数3

1

FR

热继电器

JR16-20/3

三极、20安

1

KT

时间继电器

JS7-2A

线圈电压380V

1

XT

端子

JD0-1020

10安、20节

1

 

木板(控制板)

 

650×500×50毫米

1

 

万用表

 

 

1

 

4、实验操作步骤

 ⑴实验准备工作

①电器的结构及动作原理

在连接控制实验线路前,应熟悉按钮开关、交流接触器、热继电器的结构形式、动作原理及接线方式和方法。

②记录实验设备参数

将所使用的主要实验电器的型号规格及额定参数记录下来,并理解和体会各参数的实际意义。 ③电动机的外观检查

实验接线前应先检查电动机的外观有无异常。如条件许可,可用手盘动电动机的转子,观察转子转动是否灵活,与定子的间隙是否有磨擦现象等。

④电动机的绝缘检查

采用“三相异步电动机实验”介绍的方法和步骤,使用兆欧表依次测量电动机绕组与外壳间及各绕组间的绝缘电阻值,并将测量数据记录于表3-5中,同时应检查绝缘电阻值是否符合要求。

表3-5

相间绝缘

绝缘电阻(MΩ)

各相对地绝缘

绝缘电阻(MΩ)

U相与V相

 

U相对地

 

V相与W相

 

V相对地

 

W相与U相

 

W相对地

 

      

⑵安装接线

①检查电器元件质量

应在不通电的情况下,用万用表检查各触点的分、合情况是否良好。检查接触器时,应拆卸灭弧罩,用手同时按下三副主触点并用力均匀;同时应检查接触器线圈电压与电源电压是否相符。

②安装电器元件

在木板上将电器元件摆放均匀、整齐、紧凑、合理,并用螺丝进行安装。注意组合开关、熔断器的受电端子应安装在控制板的外侧,并使熔断器的受电端为底座的中心端;紧固各元件时应用力均匀,紧固程度适当。

③板前明线布线

主电路采用BV1.5毫米2(黑色),控制电路采用BV1毫米2(红色);按钮线采用BVR0.75 毫米2(红色),接地线采用BVR1.5毫米2(绿/黄双色线)。布线时要符合电气原理图,先将主电路的导线配完后,再配控制回路的导线;布线时还应符合平直、整齐、紧贴敷设面、走线合理及接点不得松动等要求,具体注意以下几点:

 a.走线通道应尽可能少,同一通道中的沉底导线 ,按主、控电路分类集中,单层平行密排,并紧贴敷设面。

 b.同一平面的导线应高低一致或前后一致,不能交叉。当必须交叉时,该根导线应在接线端子引出时,水平架空跨越,但必须属于走线合理。

 c.布线应横平竖直,变换走向应垂直。

 d.导线与接线端子或线桩连接时,应不压绝缘层、不反圈及不露铜过长。并做到同一元件、同一回路的不同接点的导线间距离保持一致。

 e.一个电器元件接线端子上的连接导线不得超过两根,每节接线端子板上的连接导线一般只允许连接一根。

 f.布线时,严禁损伤线芯和导线绝缘。

 g.布线时,不在控制板上的电器元件要从端子排上引出。

④按图3-6检验控制板布线正确性。

实验线路连接好后,学生应先自行进行认真仔细的检查,特别是二次接线,一般可采用万用表进行校线,以确认线路连接正确无误。

⑤电源、电动机等控制板外部的导线。

  ⑶控制实验

经教师检查无误后,即可接通电动机三相交流电源。

  ①接通电源。合上电源开关QS。

 ②启动实验。按下启动按钮SB2,进行电动机的启动运行;观察线路和电动机运行有无异常现象,并仔细观察时间继电器和电动机控制电器的动作情况以及电动机的运行情况。

 ③功能实验。做Y—Δ转换启动控制和保护功能的控制实验,如失压保护、过载保护和启动时间等。

 ④停止运行。按下停止按钮SB1,电动机M停止运行。

⑷实验结束

 ①实验工作结束后,应切断电动机的三相交流电源。

 ②拆除控制线路、主电路和有关实验电器。

 ③将各电气设备和实验物品按规定位置安放整齐。

 

5、实验报告

 ⑴画出三相异步电动机Y—Δ自动降压启动控制的电气原理图。

 ⑵记录仪器和设备的名称、规格和数量。

 ⑶根据实验操作,简要写出实验步骤。

⑷总结实验结果。

⑸写出本次实验的心得体会。

 

6、实验注意事项

⑴电动机、时间继电器、接线端子板的不带电金属外壳或底板应可靠接地。

⑵电源进线应接在螺旋式熔断器底座的中心端上,出线应接在螺纹外壳上。

⑶进行Y—Δ启动控制的电动机,必须是有6个出线端子且定子绕组在Δ接法时的额定电压等于三相电源线电压的电动机。

⑷接线时要注意电动机的三角形接法不能接错,应将电动机定子绕组的U1、V1、W1通过KM2接触器分别与W2、U2、V2连接,否则,会使电动机在三角形接法时造成三相绕组各接同一相电源或其中一相绕组接入同一相电源而无法工作等故障。

⑸KM3接触器的进线必须从三相绕组的末端引入,若误将首端引入,则在KM3接触器吸合时,会产生三相电源短路事故。

⑹通电校验前要检查一下熔体规格及各整定值是否符合原理图的要求。

⑺接电前必须经教师检查无误后,才能通电操作。

⑻实验中一定要注意安全操作。

 

7、思考题

⑴三相异步电动机星形—三角形自动降压启动的优点和缺点各是什么?

温馨提示:以上内容整理于网络,仅供参考,如果对您有帮助,留下您的阅读感言吧!
相关阅读
本类排行
相关标签
本类推荐

CPU | 内存 | 硬盘 | 显卡 | 显示器 | 主板 | 电源 | 键鼠 | 网站地图

Copyright © 2025-2035 诺佳网 版权所有 备案号:赣ICP备2025066733号
本站资料均来源互联网收集整理,作品版权归作者所有,如果侵犯了您的版权,请跟我们联系。

关注微信