时间:2006-03-11 13:44
人气:
作者:admin
摘 要: 本文介绍了智能开口闪点测定仪的总体设计及部分单元电路的设计。提出的新方法对开发石油产品自动化检测仪表和其他智能仪表都有一定的参考价值。
概述
“闪点”是表征石油产品储运安全性的一项指标,单位是摄氏度,它表明石油产品在此温度时如遇到明火将会引起“爆鸣”,危及设备及人身安全。因此,石油产品出厂前和用户进货入库前都要先测试闪点,以确保安全。
手动仪表最大不足是升温特性不佳,很难按国家标准及国际标准线性升温。实测时温度变动太大,得出的闪点值重复性很差。而我们根据标准要求,新开发的LSD-2C智能开口闪点测定仪,整机运行完全由微电脑控制,操作者一次键入预闪点后,测试过程即完全自动进行。如果操作者预置不当还会发出声音报警拒绝执行,并能对测试结果进行判断。其主要特点如下:
测温系统采用4位半A/D转换芯片ICL7135作为模数转换器,传感器输出的模拟信号直接变成BCD码输出;火焰扫划系统实现了自动化;闪火点检测采用新型材料、特殊结构的传感器件;为了有效地控制温升,使之满足国家标准和国际标准的要求,采用了模糊逻辑算法控制温升;闪点值除可以用LED显示外,尚可以用所配的微型打印机,自动打印出测试时间、油号、气压、预闪点、闪点值,并给出诊断结果。测试过程完全符合国家标准和国际标准,具有完善的气压校正功能。其总体框图如图1所示。

图1 整机方框图

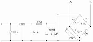
图2 测温电路
单元电路设计
测温部分
测温部分电路如图2所示,其中测温传感器采用BA2铂电阻,0℃时电阻为100W,温度为100℃时为138.5W,平均每度变化0.385W,流过铂电阻的电流平均为2.37mA,即每度变化为0.915mv,近似的可以看作温度变化1℃电桥输出电压1 mv。
控温系统
控温过程的调节方式由软件编程决定,其流程图如图4所示。控温采用模糊逻辑算法的脉宽调制方式,由8031的P1.3输出调宽脉冲经7407隔离后,再经光控可控硅MOC3020隔离控制加热器,炉丝功率为600W。应当指出,加热系统采用炉盘加热,惰性很大,这给控温带来困难。
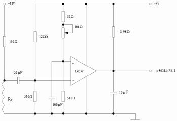
闪火检测系统
本系统可分为火焰检测器,高通滤波器,阈值设定及比较器等部分。闪火信号(低电平有效)经8031的P3.2口送往单片机。为了鉴别闪火,在程序中设有选票表决程序,只有经过一定次数的低电平后才认为有效。
火焰检测器采用了200W白炽灯的钨丝(已制成螺旋状),阻值大约在200Ω左右,并制成网状,置于油杯上方。这样无论闪火点在油杯上方的何处,都能有效地检测闪火。既使传感器的十分之一受热,也足以使比较器LM339翻转。
闪点检测电路如图3。闪火信号经隔离、限幅之后送入LM339的反相端。当V+-V-大于2mv,输出即为高电平,但如确切为高电平(4.5V),V+须比V-高7mv。为了抗干扰,我们设置V+-V-=30mv,这样既可以对干扰信号进行幅度鉴别,又可防止LM339失调电压温漂导致的输入电平摆动。
阈值不可降的太低,因为在油杯温度超过200℃时,绝缘材料电导增加,会使V+下降,严重时会产生虚报闪点现象。

图3 闪火检测电路图

图4 控温流程图
几个待解决的问题
1、闪火检测传感器虽然灵敏度高,检测可靠,但长期使用骨架易变形,今后应考虑用特制陶瓷骨架。
2、打印机的抗干扰问题,打印机无硬件控制电路,在受到干扰的时候,会连续走纸打印。在无人值守的情况下,会浪费打印纸并降低打印机的寿命,应当增加一个定时继电器,强行限定打印机的一次运行时间,避免在故障时,盲目长期运转。
结语
LSD-2C智能开口闪点测定仪,经过设计,试制改进再试制几个循环制成样机。一年多来的试用表明:本机确可以按国家标准和国际标准进行测试,为废止现行的落后的国家标准,代之以较先进的国际标准提供了物质基础。