时间:2006-03-11 13:45
人气:
作者:admin
摘 要: 本文以单片机为核心,配合HIH3610大信号线性电压输出湿度传感器和DS18B20 数字温度传感器研制出一种多通道智能温湿度测试仪,该仪器具有测量精度高、硬件电路简单、显示界面友好、可测试多点温湿度等特点。
引言
温湿度的测量在工农业生产、日常生活及科学研究中有着广泛的应用,但由于常用湿度传感器的非线性输出及一致性较差,使湿度的测量方法和手段相对较复杂,且给电路的调试带来很大的困难。为此,采用Honeywell公司的线性电压输出湿度传感器HIH3610研制出一种测试精度高,能测试多点温湿度,且可与上位机通信的温湿度智能测试仪。该测试仪可实现温湿度的多点自动测量,为温湿度测量自动化奠定了良好的基础。
仪器硬件电路
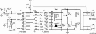
多通道温湿度测试仪的硬件电路如图1所示。由于HIH3610为大信号输出且线性度良好,因此,可省去复杂的信号放大及调理电路,仅需一片A/D转换器将与湿度值成正比的电压值转换成数字量并与单片机接口即可,由于HIH3610输出信号电压范围为0.8~3.9V,而一般A/D转换器的输入电压范围为0~5V,直接使用此类A/D转换器会造成转换分辨率的降低,故这里选用了具有转换最大值、最小值设定功能的A/D转换器TLC2543。
前向通道
前向通道电路原理图如图2所示,TLC2543 是美国TI公司的串行控制11路模拟量输入的模数转换器。该转换器具有零值设定端REF-和满度值设定端REF+,可满足本系统需要对输入模拟量上下限进行设定的要求,同时该器件具有最多11路的模拟量输入功能,因而可使本系统实现最多11路的湿度测量功能。
而HIH3610的输出可直接与TLC2543的模拟输入端相连,这里关键是要设定TLC2543的REF+和REF-的基准电压输入端参考电压值,我们采用了电阻分压方式,其中R1和RP1用于设定满度电压值,调整RP1可使满度电压值在1/2Vref~Vref之间变化。R2和RP2用于设定零值电压,调整RP2可使基准值电压在0~1/2Vref之间变化,零值电压和满度电压值可根据HIH3610出厂时给出的标定值,计算出该传感器的最大和最小输出电压值来设定。这里RP1和RP2应采用精密多圈电位器。
温度传感器DS18B20采用外加电源供电方式,可根据测温点数的需要将多个DS18B20挂在一根总线上,并与单片机AT89C52的P1.0口线相连。
中文界面及实现
本系统由于要显示多路温湿度值,如采用LED显示器分时循环显示的方法,每通道显示时间为2s,则显示完成全部通道的温湿度值所需要的时间为44s,这对于要求快速显示测量值的应用场合显然是不合适的。另一方面对智能化的测量仪器而言,如能拥有一个友好中文人机界面则将大大增强仪器的可操作性,并可提高测量仪器的档次,基于以上的考虑,这里采用了内藏中文字库的液晶图形显示模块LCM1286ZK,该模块的显示点阵数为128×64,可分为4行显示,每行最多为8个汉字或16个ASCⅡ字符,从而很好地解决了LED循环显示周期过长及人机显示界面不友好的弊端。LCM12864ZK与单片机的接口方式有8 位/4位并行和2/3线串行模式。这里利用其二线串行模式与单片机接口,简化了与单片机的接口电路设计,并减少了硬件资源的占用。
数据保存
为了将实时采集的各点温湿度值保存下来,以便于对历史数据查阅和绘制出实时或历史温湿度值变化曲线,同时也为便于将历史测量的温湿度值传送给上位机,由上位机来完成各点温湿度值的变化规律统计分析。这里扩展了一片基于I2C总线的高性能铁电存储器FM24C256,该存储器兼具ROM和RAM的优点。存储容量为32Kbyte,由于本系统的数据采集周期可在1~30分钟的范围内设置。为了便于按采集的日期及时间保存温湿度值,我们扩展了I2C总线实时日历时钟SD2002,该器件可与FM24C256挂在同一条I2C总线上。数据保存格式为:小时(1字节)、分钟(1字节)、湿度值(2字节)、温度值(1字节),这样保存全部的11个通道温湿度值所需的存储空间为35个字节,当数据采集周期设定为10分钟时,可保存15个小时的温湿度数据。
系统硬件特点
大信号传感器
传统的温湿度测量多采用模拟小信号传感器,不仅信号调理电路复杂,且湿度值的标定过程也极其复杂,并需要使用昂贵的标定仪器设备。而本系统由于采用了大信号湿度传感器及数字式温度传感器,因而无须进行信号的调理,也无须对传感器进行重新标定,且大信号输出形式有利于传感器信号的远距离传输。以上特点大大简化了测试仪器前向通道的设计。
串行扩展技术
本系统摒弃了传统单片机的总线扩展方式而采用串行扩展技术来扩展外围功能电路。虽然AT89C52单片机并不直接支持各种串行总线接口,但是这里采用了单片机的通用I/O口线,来模拟I2C总线、1-wire总线、SPI总线及二线串行总线,并通过软件编程来实现与各外围器件的通信功能。串行扩展技术简化了仪器接口设计的复杂程度,并提高了仪器工作的可靠性。但值得注意的是,串行扩展技术简单的硬件接口是以复杂的接口时序为代价的,因而在软件编程时一定要严格遵守器件的操作时序。

图1 多通道温湿度测试仪硬件原理框图

图2 前向通道电路原理图
测量精度
本系统由于采用了大信号湿度传感器及数字式温度传感器,故具有较高的测量精度,同时由于采用了12位的A/D转换器,使得湿度值具有较高的分辨率。对本系统湿度测量精度影响较大的是A/D转换器基准参考点电压的设定,这也是本仪器中唯一一处需要调试的硬件电路,因而精密基准电压源及电压调整元件的选型至关重要。如软硬件调试无误,本测量仪的湿度测量精度可达±2%RH,温度精度可达±0.5%℃。
软件功能
本测试仪软件首先对系统各器件进行初始化,然后启动TLC2543 A/D转换器的自检,根据A/D转换器的测试输出值是否为(Vref+-Vref-)/2、Vref-及Vref+来判断A/D转换系统的正常与否,然后启动A/D转换,完成对各通道湿度信号的采样,并将采集的湿度值进行温度补偿及标度变换后,送至液晶显示器显示和送入铁电存储器中进行数据的保存。为了实现温湿度信号采集的即插即测功能,在软件中使用了零值检测跳过技术及无匹配跳过技术,即对湿度信号采集时,如采集结果为零,说明该路传感器没有接入,程序将自动跳过该传感器进行下一路传感器数据的采集直到相应的传感器结果不为零时,则将该路湿度值和传感器号送去显示,这样就可做到湿度传感器的自动识别功能。而温度的采集则预先将所有的DS18B20的匹配码全部写入到单片机片内程序存储器匹配码表格区中,每周期采集一次温度值。单片机首先发送匹配码,只有能匹配的传感器才能读回温度值,否则跳过该传感器,这样就可实现温度传感器的即插即测功能。与上位机的数据通信则采用由上位机发送命令码的方式,根据命令码的内容而执行相应的操作功能。
结语
多通道智能温湿度测试仪研制完成后经实际使用证明,具有测量精度高,硬件电路简单,使用方便的特点,克服了传统温湿度仪测量精度低、电路复杂、调试及标定困难等缺点,同时还具有人机界面友好、智能化程度高、温湿度测试点数较多且可实现即插即测功能等特点,为温湿度测量的自动化奠定了良好的基础。
下一篇:IPM自动测试平台的研究及实现