全球最实用的IT互联网站!
人工智能P2P分享搜索全网发布信息网站地图标签大全
吉方工控完成整体布局,加持“东数西算”超级
阅读全文2022-02-28
VIAVI携手罗德与施瓦茨推出O-RAN无线单元一致性测
阅读全文2022-02-26
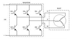
【AFG专题系列72变】之二:无刷电机调速器
阅读全文2022-02-25
德国MR公司在线油液分析装置助力攀钢钒提钒炼钢
工业热成像测温监控系统:全工艺温度场实时感
危化品仓储监控热成像系统:仓储温度场一目了
材料玻璃化转变温度Tg的三种检测方法
阅读全文2022-02-24
让连接成为现实——罗德与施瓦茨携移动测试解
艾迈斯欧司朗全新AS7343多通道光谱传感器新增X
e络盟公布2021年度社区奖获奖者名单
替代水浸泡水法,气密性检测仪成产品防
高温热重分析仪是什么
示波器怎么看峰峰值呢?
输出过冲原因及改善措施
CPU | 内存 | 硬盘 | 显卡 | 显示器 | 主板 | 电源 | 键鼠 | 网站地图
Copyright © 2025-2035 诺佳网 版权所有 备案号:赣ICP备2025066733号 本站资料均来源互联网收集整理,作品版权归作者所有,如果侵犯了您的版权,请跟我们联系。