全球最实用的IT互联网站!
人工智能P2P分享搜索全网发布信息网站地图标签大全
TekSmartLab™可兼容用于远程访问控制?
阅读全文2020-08-21
如何将BNC 端连接和 COP 独立点火探头测量波形?
晶圆测试可分为哪两个步骤?
AC 耐压测试与 DC 耐压测试所量测之漏电流值会不
基于示波器的信号发生器及宽带雷达信号的用途
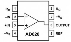
AD623 及 AD8226单仪表放大器主要的区别是什么?
采用虚拟软件与数据采集卡实现故障录波器系统
基于虚拟仪器技术实现多功能信号发生器的设计
LabVIEW借助PXI平台进行多仪器集成?
利用NI LabVIEW图形化开发平台降低并行编程复杂性
替代水浸泡水法,气密性检测仪成产品防
高温热重分析仪是什么
示波器怎么看峰峰值呢?
输出过冲原因及改善措施
CPU | 内存 | 硬盘 | 显卡 | 显示器 | 主板 | 电源 | 键鼠 | 网站地图
Copyright © 2025-2035 诺佳网 版权所有 备案号:赣ICP备2025066733号 本站资料均来源互联网收集整理,作品版权归作者所有,如果侵犯了您的版权,请跟我们联系。