时间:2025-04-09 17:01
人气:
作者:admin
在智能汽车高速发展的今天,汽车内外饰的发展在智能化、科技化和美观化方向上取得了突飞猛进的发展,人机交互技术的创新已成为车企竞争的核心战场。作为国产车规触控芯片领域的领军者,泰矽微凭借其技术突破与全场景覆盖能力,正在逐渐改变依赖从美国进口此类芯片的行业格局,全面实现车规触控芯片的国产化。
泰矽微车规触控芯片与解决方案自2021年首次发布以来,经过不断更新、迭代与进化,已成功推出多款面向不同应用场景的芯片产品,累计实现了超过100个车型项目的开发与量产,全面覆盖各类汽车品牌。借此,全面梳理和介绍下泰矽微车规触控芯片,以及面向各类应用的解决方案。
泰矽微车规触控芯片产品介绍
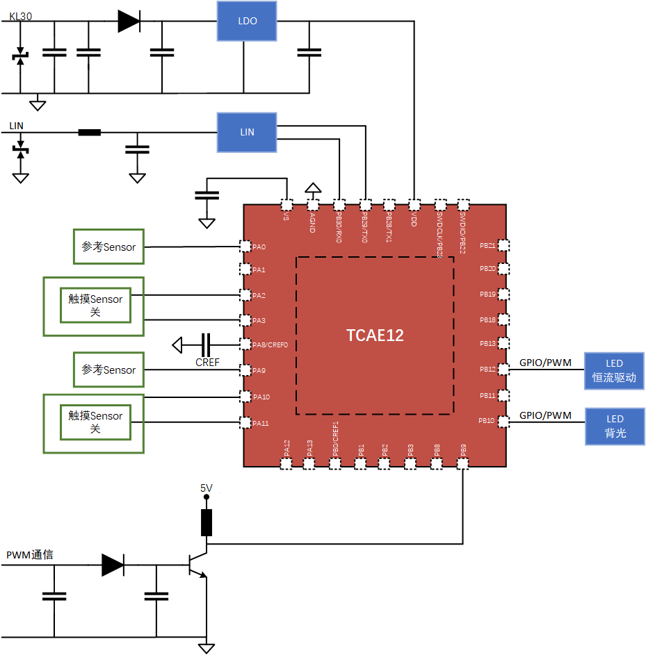
TCAE12系列
Arm Cortex-M0内核,主频最高32MHz
存储器:64KB Flash,8KB SRAM
内部时钟:RC16M,32KHz,二倍频器
43 GPIOs
8路差分或16路14bit单端ADC输入通道
TinyTouch触摸检测模块,最多支持26通道电容检测
封装 QFN48 7mm*7mm
QFN32mm 5mm*5mm
AEC-Q100 Grade 2 (-40˚C to 105˚C)
典型应用场景:
顶部控制器(OHC)、空调控制面板、档位控制器、座椅扶手、门窗升降开关控制器等。
TCAE10系列
Arm Cortex-M0内核,主频最高48MHz
存储器:64KB Flash,4 KB SRAM
工作电压5.5V~18V,支持40V抛负载电压
集成高压LDO
集成LIN收发器物理层
集成3路54mA恒流驱动
集成5个通道的自容电容检测,电容充放电频率可调并支持调频模式
支持模拟方式屏蔽电极功能
9路GPIO,其中5个通道支持ADC输入,包括一对差分输入通道
14位SAR ADC,500K SPS用于快速电容采样
数据链路层符合LIN2.x和J2602标准
封装DFN16 3mm*4mm
AEC-Q100 Grade 1
Tj=-40°C~150 °C
典型应用场景:
阅读灯、门把手、脚踢检测、离手检测(HOD)、开关等。
泰矽微车规触控应用方案介绍
顶部控制器OHC方案

顶部控制器OHC框图
功能描述
最多支持26触摸通道
支持触摸按键、滑条功能
支持I2C、SPI、UART等串行通信接口
支持LIN通信功能
支持PWM通信功能
支持OTA升级功能
支持UDS功能
支持ITO膜片、反光碗、金属环等多种触摸电极
支持LED灯开关、呼吸等灯效功能
方案优势
低噪声、高信噪比
静态功耗<100uA,@-40℃~105℃
通过多家车厂LIN一致性测试
优良的EMC特性
提供完整的顶部控制器OHC方案专用SDK
触控阅读灯方案

触控阅读灯框图
功能描述
支持触摸开关功能
支持LIN通信功能、OTA升级功能
支持LDE灯内部恒流驱动
支持LED灯开关、呼吸等灯效功能
支持ITO膜片、反光碗、金属环等多种触摸电极
支持UDS功能
方案优势
单芯片方案,集成度高
极简外围电路,整体Bom成本低
低噪声、高信噪比
静态功耗<100uA,@-40℃~105℃
优良的EMC特性
提供完整的阅读灯专用SDK,可以快速开发满足客户要求的阅读灯产品
触控门把手方案

触控门把手框图
功能描述
支持单按键、双按键触摸开关功能
支持电力线载波、高压GPIO/PWM信号、LIN等通信功能
支持OTA升级功能
支持UDS功能
方案优势
单芯片方案,集成度高
极简外围电路,整体Bom成本低
优良的防水性能
低噪声、高信噪比
静态功耗<100uA,@-40℃~105℃
优良的EMC特性
提供完整的门把手专用SDK,可以快速开发满足客户要求的门把手产品
一脚踢方案

一脚踢框图
功能描述
支持双天线脚踢检测功能
支持LIN通信功能
支持OTA升级功能
支持UDS功能
方案优势
单芯片方案,集成度高
极简外围电路,整体Bom成本低
低噪声、高信噪比
静态功耗<100uA,@-40℃~105℃
脚踢动作识别率高
优良的EMC特性
提供完整的脚踢方案专用SDK
方向盘离手检测HOD方案

方向盘离手检测HOD框图
功能描述
支持一区、两区 、三区等多种模式的方向盘检测功能
支持LIN通信功能
支持OTA升级功能
支持UDS功能
方案优势
单芯片方案,集成度高
极简外围电路,整体Bom成本低
低噪声、高信噪比
静态功耗<100uA,@-40℃~105℃
离手动作检测识别率高
优良的EMC特性
提供完整的方向盘离手检测HOD方案专用SDK
空调控制面板方案

空调控制面板框图
功能描述
最多支持26触摸通道
支持I2C、SPI、UART等串行通信接口
支持触觉震动功能
支持LIN通信功能
支持OTA升级功能
支持UDS功能
方案优势
低噪声、高信噪比
静态功耗<100uA,@-40℃~105℃
通过多家车厂LIN一致性测试
优良的EMC特性
提供完整的空调控制面板方案专用SDK
泰矽微车规触控芯片与解决方案优势总结
超高集成度
集成高压LDO、LIN收发器、高压GPIO,以及恒流驱动,对芯片功能、性能以及成本极致优化
极简外围电路
芯片设计充分考虑EMC要求,极少外围器件即可满足汽车高等级EMC要求
性能优越
在信噪比、功耗和EMC能力方面都有突出表现,可无瑕疵通过包括大众、丰田等众多车厂测试规范
方案成熟可靠
量产超过千万颗,覆盖超过100个车型,始终维持1PPM以下不良率
泰矽微在车规触控产品线还将继续加大投入,追求创新,不断推出具有竞争力和符合市场需求的产品与解决方案,在扛起车规触控芯片“国产化”大旗的同时,也将继续提升与各大车厂在人机交互方面规划的配合度和匹配度,从芯片到解决方案再到整车应用实现本土的全面赶超。
2019年9月泰矽微正式成立,总部位于上海张江,目前在北京、南京、深圳均设有分子公司。公司核心团队成员来自Atmel、TI、Marvell、On Semi、海思等国际知名芯片厂商,均拥有20多年芯片、产品研发经验和销售资源。
公司成立以来始终专注于各类高性能专用模拟、模数混合芯片,聚焦车规和工业类专用芯片,致力于打造具有国际水准的平台型芯片企业,通过自主创新已积累了近百项发明专利,并已经获得数十项行业领域的重要奖项。短短几年时间已经完成十余款产品流片,并在车规触控、氛围灯、马达驱动、信号链、电池管理等方向的产品成功实现量产,卓越的产品及服务获得了多个头部客户的认可。
泰矽微在创立之初即获得资本青睐,目前连续完成数轮重量级融资,累计超4亿元,分别引入了包括武岳峰、普华资本、浦东国资委、韦尔半导体、科博达、星宇股份、重庆睿博、联益控股、日盈电子、红猫创投等各类产业资本与资源平台,打通产业链上下游,加速泰矽微进入国产半导体头部企业的发展步伐。